lemon-mirror:
Home >> Lexus >> 2012 >> GX 460 >> Repair and Diagnosis >> Electrical >> Body Electrical >> OEM System Circuits >> Headlight >> Notes

OEM System Circuits: Headlight: Notes

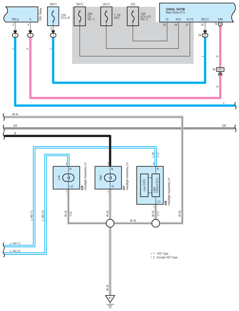
Fig 1: Headlight - Wiring Diagram (1 Of 7)
G08930886Courtesy of © TOYOTA, LICENSE AGREEMENT TMS1002
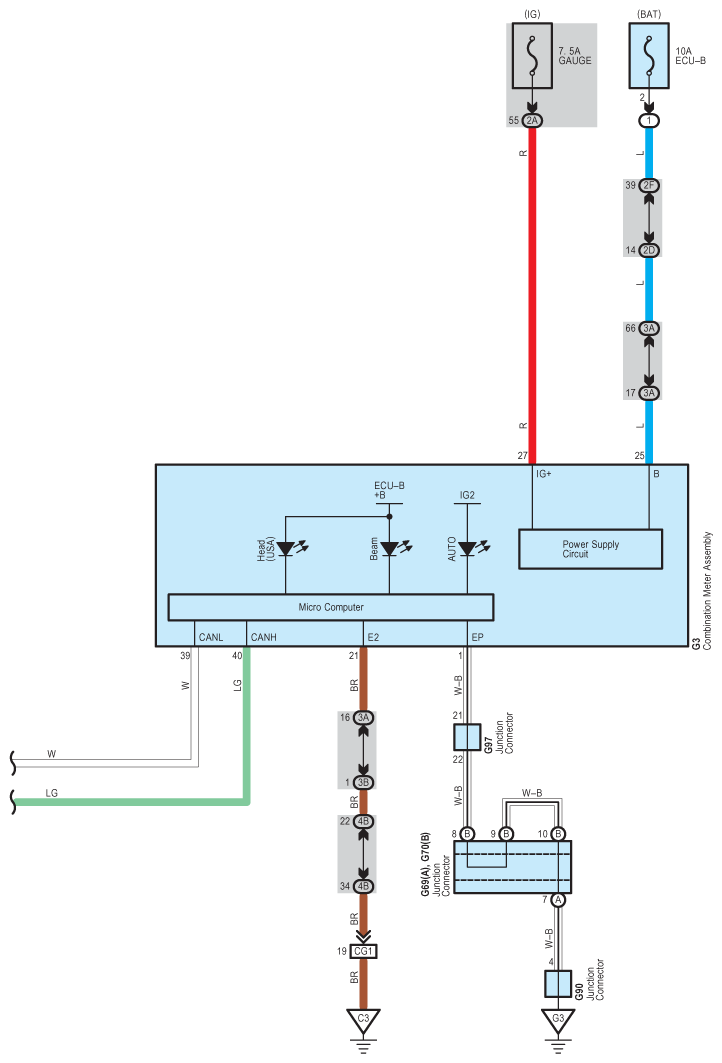
Fig 2: Headlight - Wiring Diagram (2 Of 7)
G08930887Courtesy of © TOYOTA, LICENSE AGREEMENT TMS1002
Fig 3: Headlight - Wiring Diagram (3 Of 7)
G08930888Courtesy of © TOYOTA, LICENSE AGREEMENT TMS1002
Fig 4: Headlight - Wiring Diagram (4 Of 7)
G08930889Courtesy of © TOYOTA, LICENSE AGREEMENT TMS1002
Fig 5: Headlight - Wiring Diagram (5 Of 7)
G08930890Courtesy of © TOYOTA, LICENSE AGREEMENT TMS1002
Fig 6: Headlight - Wiring Diagram (6 Of 7)
G08930891Courtesy of © TOYOTA, LICENSE AGREEMENT TMS1002
Fig 7: Headlight - Wiring Diagram (7 Of 7)
G08930892Courtesy of © TOYOTA, LICENSE AGREEMENT TMS1002