lemon-mirror:
Home >> Lexus >> 2012 >> GX 460 >> Repair and Diagnosis >> Electrical >> Body Electrical >> OEM System Circuits >> Multiplex Communication System (CAN) >> Notes

Multiplex Communication System (CAN): Notes

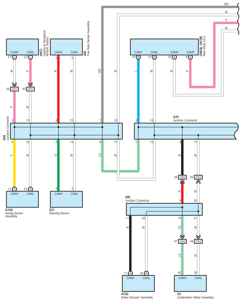
Fig 1: Multiplex Communication System (CAN) - Wiring Diagram (1 Of 6)
G08930879Courtesy of © TOYOTA, LICENSE AGREEMENT TMS1002
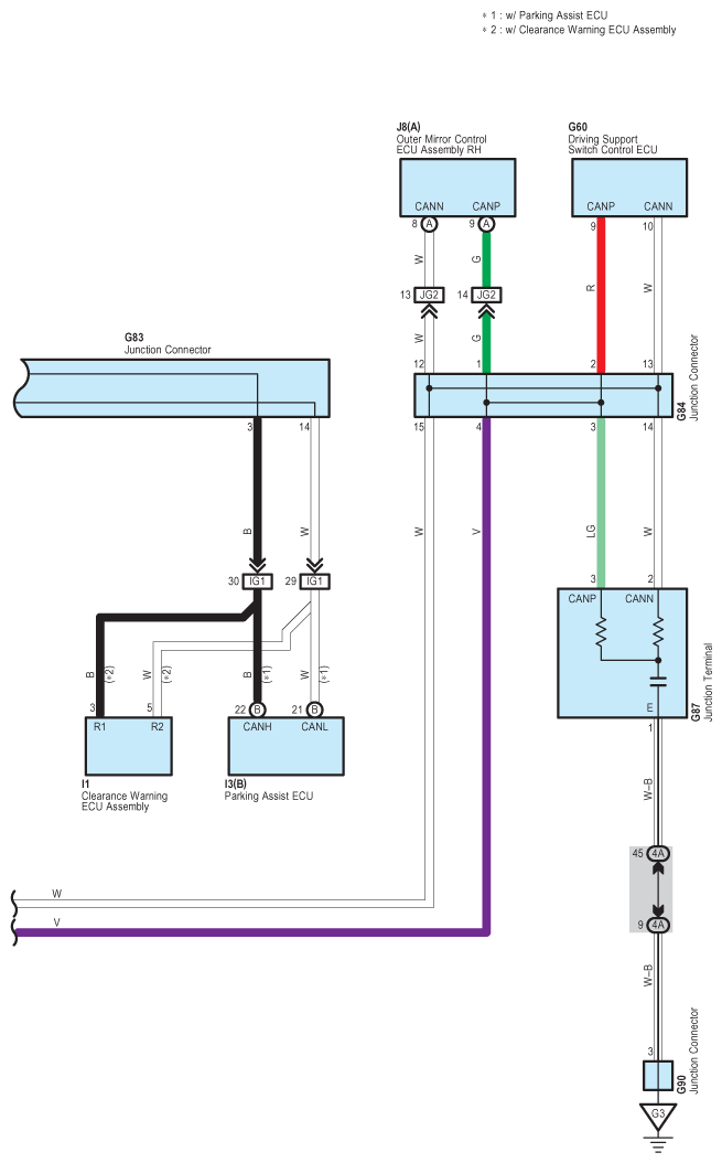
Fig 2: Multiplex Communication System (CAN) - Wiring Diagram (2 Of 6)
G08930880Courtesy of © TOYOTA, LICENSE AGREEMENT TMS1002
Fig 3: Multiplex Communication System (CAN) - Wiring Diagram (3 Of 6)
G08930881Courtesy of © TOYOTA, LICENSE AGREEMENT TMS1002
Fig 4: Multiplex Communication System (CAN) - Wiring Diagram (4 Of 6)
G08930882Courtesy of © TOYOTA, LICENSE AGREEMENT TMS1002
Fig 5: Multiplex Communication System (CAN) - Wiring Diagram (5 Of 6)
G08930883Courtesy of © TOYOTA, LICENSE AGREEMENT TMS1002
Fig 6: Multiplex Communication System (CAN) - Wiring Diagram (6 Of 6)
G08930884Courtesy of © TOYOTA, LICENSE AGREEMENT TMS1002