lemon-mirror:
Home >> Lexus >> 2012 >> GX 460 >> Repair and Diagnosis >> Electrical >> Body Electrical >> OEM System Circuits >> Trailer Towing >> Notes

Trailer Towing: Notes

Fig 1: Trailer Towing - Wiring Diagram (1 Of 5)
G08931101Courtesy of © TOYOTA, LICENSE AGREEMENT TMS1002
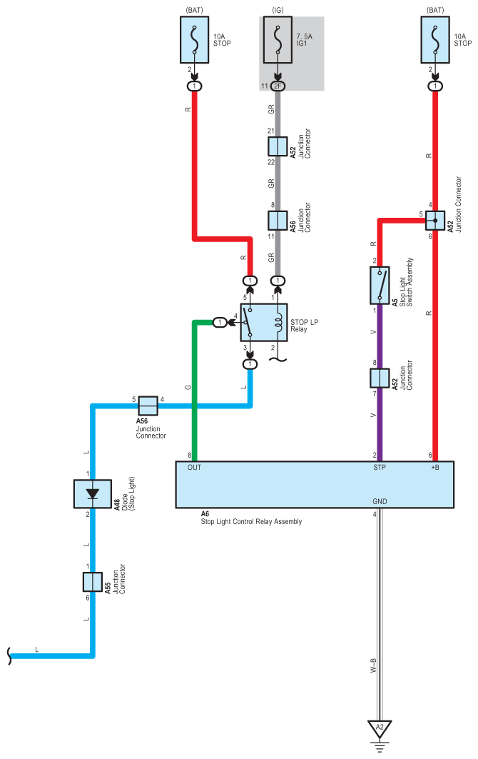
Fig 2: Trailer Towing - Wiring Diagram (2 Of 5)
G08931102Courtesy of © TOYOTA, LICENSE AGREEMENT TMS1002
Fig 3: Trailer Towing - Wiring Diagram (3 Of 5)
G08931103Courtesy of © TOYOTA, LICENSE AGREEMENT TMS1002
Fig 4: Trailer Towing - Wiring Diagram (4 Of 5)
G08931104Courtesy of © TOYOTA, LICENSE AGREEMENT TMS1002
Fig 5: Trailer Towing - Wiring Diagram (5 Of 5)
G08931105Courtesy of © TOYOTA, LICENSE AGREEMENT TMS1002