lemon-mirror:
Home >> Lexus >> 2012 >> HS 250h >> Repair and Diagnosis >> Electrical >> Body Electrical >> OEM System Circuits >> Front Wiper Deicer >> Notes

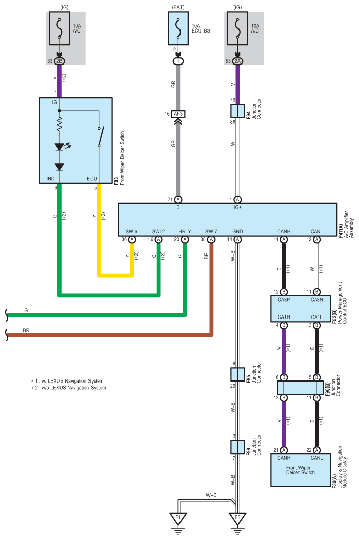
Front Wiper Deicer: Notes

Fig 1: Front Wiper Deicer - Wiring Diagram (1 Of 2)
G08911576Courtesy of © TOYOTA, LICENSE AGREEMENT TMS1002
Fig 2: Front Wiper Deicer - Wiring Diagram (2 Of 2)
G08911577Courtesy of © TOYOTA, LICENSE AGREEMENT TMS1002