lemon-mirror:
Home >> Lexus >> 2012 >> HS 250h >> Repair and Diagnosis >> Electrical >> Body Electrical >> OEM System Circuits >> Lane Keeping Assist >> Notes

Lane Keeping Assist: Notes

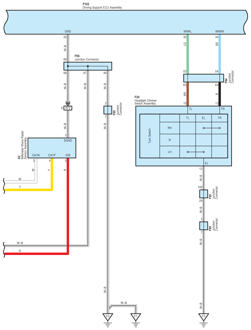
Fig 1: Lane Keeping Assist - Wiring Diagram (1 Of 8)
G08911406Courtesy of © TOYOTA, LICENSE AGREEMENT TMS1002
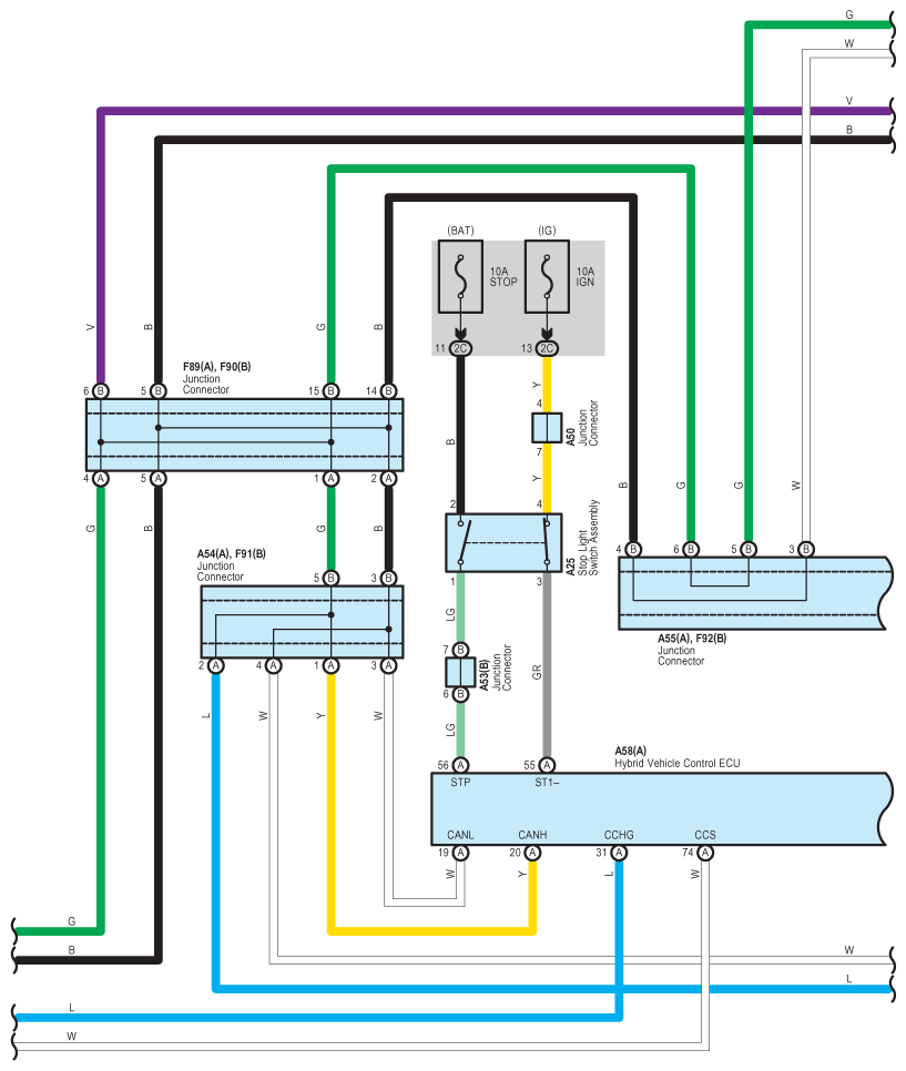
Fig 2: Lane Keeping Assist - Wiring Diagram (2 Of 8)
G08911407Courtesy of © TOYOTA, LICENSE AGREEMENT TMS1002
Fig 3: Lane Keeping Assist - Wiring Diagram (3 Of 8)
G08911408Courtesy of © TOYOTA, LICENSE AGREEMENT TMS1002
Fig 4: Lane Keeping Assist - Wiring Diagram (4 Of 8)
G08911409Courtesy of © TOYOTA, LICENSE AGREEMENT TMS1002
Fig 5: Lane Keeping Assist - Wiring Diagram (5 Of 8)
G08911410Courtesy of © TOYOTA, LICENSE AGREEMENT TMS1002
Fig 6: Lane Keeping Assist - Wiring Diagram (6 Of 8)
G08911411Courtesy of © TOYOTA, LICENSE AGREEMENT TMS1002
Fig 7: Lane Keeping Assist - Wiring Diagram (7 Of 8)
G08911412Courtesy of © TOYOTA, LICENSE AGREEMENT TMS1002
Fig 8: Lane Keeping Assist - Wiring Diagram (8 Of 8)
G08911413Courtesy of © TOYOTA, LICENSE AGREEMENT TMS1002