lemon-mirror:
Home >> Lexus >> 2012 >> IS 350 Base, RWD >> Repair and Diagnosis >> Electrical >> Body Electrical >> OEM System Circuits >> Automatic Light Control >> Notes

Automatic Light Control: Notes

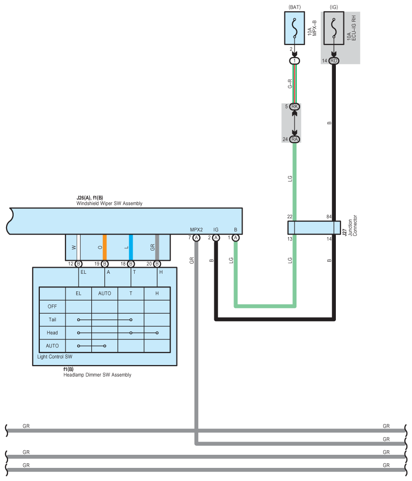
Fig 1: Automatic Light Control - Wiring Diagram (1 Of 4)
G08935481Courtesy of © TOYOTA, LICENSE AGREEMENT TMS1002
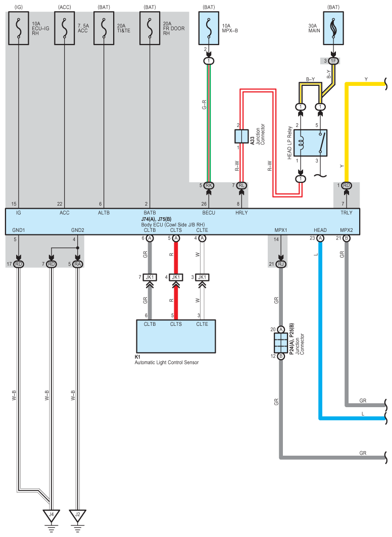
Fig 2: Automatic Light Control - Wiring Diagram (2 Of 4)
G08935482Courtesy of © TOYOTA, LICENSE AGREEMENT TMS1002
Fig 3: Automatic Light Control - Wiring Diagram (3 Of 4)
G08935483Courtesy of © TOYOTA, LICENSE AGREEMENT TMS1002
Fig 4: Automatic Light Control - Wiring Diagram (4 Of 4)
G08935484Courtesy of © TOYOTA, LICENSE AGREEMENT TMS1002