lemon-mirror:
Home >> Lexus >> 2012 >> IS 350 Base, RWD >> Repair and Diagnosis >> Electrical >> Body Electrical >> OEM System Circuits >> Clock >> Notes

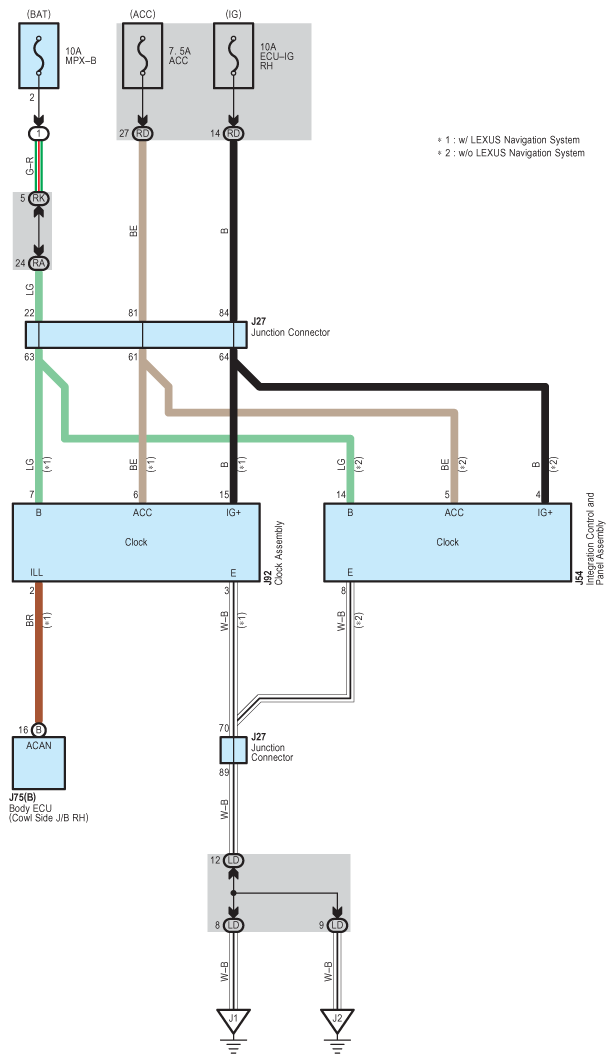
OEM System Circuits: Clock: Notes

Fig 1: Clock - Wiring Diagram
G08935646Courtesy of © TOYOTA, LICENSE AGREEMENT TMS1002