lemon-mirror:
Home >> Lexus >> 2012 >> IS 350 Base, RWD >> Repair and Diagnosis >> Electrical >> Body Electrical >> OEM System Circuits >> EPS >> Notes

OEM System Circuits: EPS: Notes

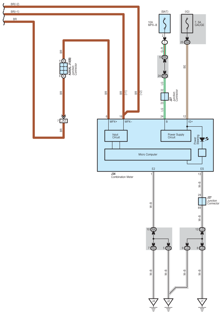
Fig 1: EPS - Wiring Diagram (1 Of 4)
G08935576Courtesy of © TOYOTA, LICENSE AGREEMENT TMS1002
Fig 2: EPS - Wiring Diagram (2 Of 4)
G08935577Courtesy of © TOYOTA, LICENSE AGREEMENT TMS1002
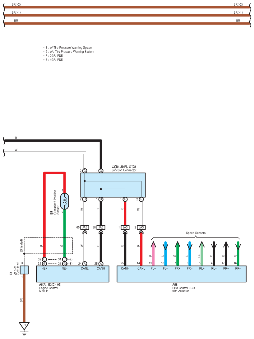
Fig 3: EPS - Wiring Diagram (3 Of 4)
G08935578Courtesy of © TOYOTA, LICENSE AGREEMENT TMS1002
Fig 4: EPS - Wiring Diagram (4 Of 4)
G08935579Courtesy of © TOYOTA, LICENSE AGREEMENT TMS1002