lemon-mirror:
Home >> Lexus >> 2012 >> IS 350 Base, RWD >> Repair and Diagnosis >> Electrical >> Body Electrical >> OEM System Circuits >> Engine Control (2GR-FSE) >> Notes

Engine Control (2GR-FSE): Notes

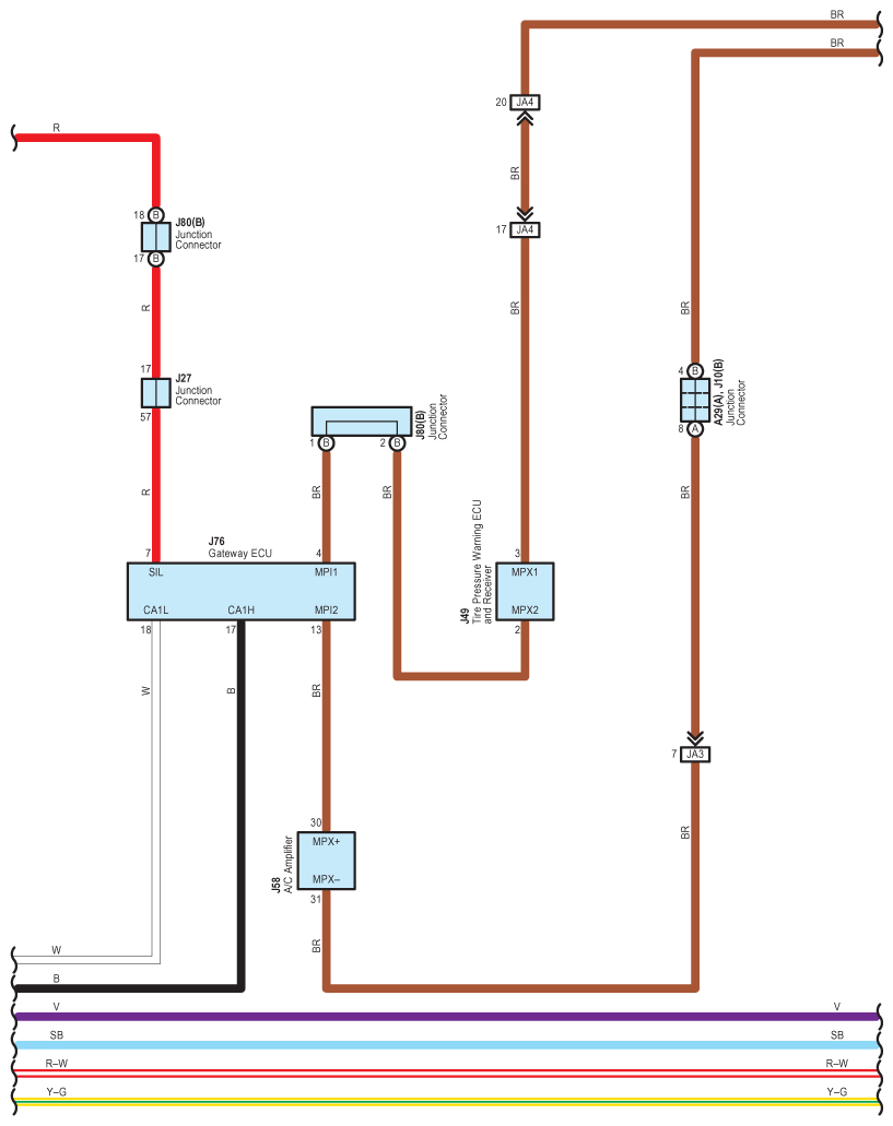
Fig 1: Engine Control (2GR-FSE) - Wiring Diagram (1 Of 16)
G08935391Courtesy of © TOYOTA, LICENSE AGREEMENT TMS1002
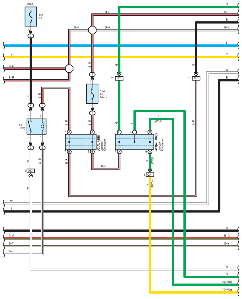
Fig 2: Engine Control (2GR-FSE) - Wiring Diagram (2 Of 16)
G08935392Courtesy of © TOYOTA, LICENSE AGREEMENT TMS1002
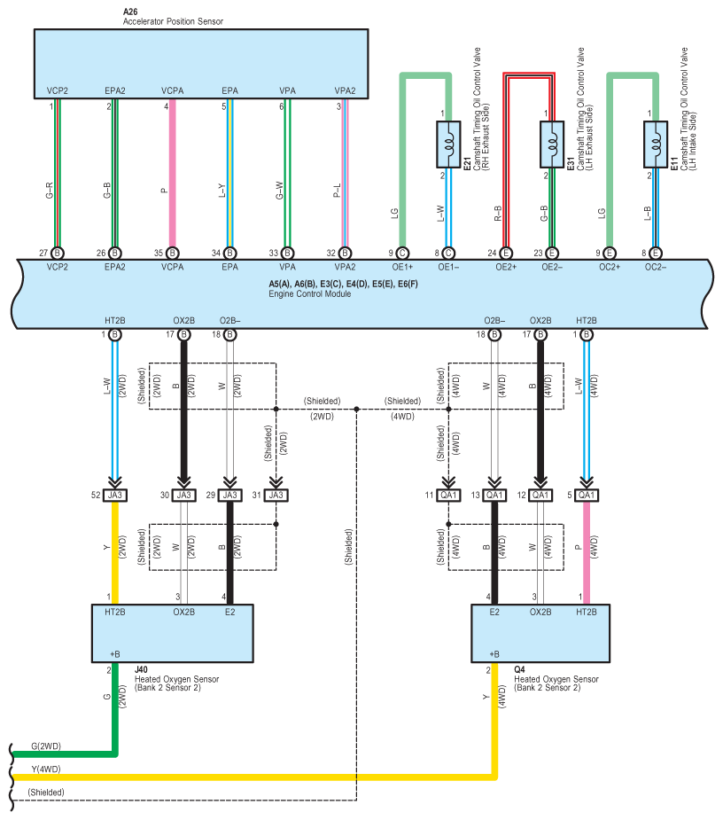
Fig 3: Engine Control (2GR-FSE) - Wiring Diagram (3 Of 16)
G08935393Courtesy of © TOYOTA, LICENSE AGREEMENT TMS1002
Fig 4: Engine Control (2GR-FSE) - Wiring Diagram (4 Of 16)
G08935394Courtesy of © TOYOTA, LICENSE AGREEMENT TMS1002
Fig 5: Engine Control (2GR-FSE) - Wiring Diagram (5 Of 16)
G08935395Courtesy of © TOYOTA, LICENSE AGREEMENT TMS1002
Fig 6: Engine Control (2GR-FSE) - Wiring Diagram (6 Of 16)
G08935396Courtesy of © TOYOTA, LICENSE AGREEMENT TMS1002
Fig 7: Engine Control (2GR-FSE) - Wiring Diagram (7 Of 16)
G08935397Courtesy of © TOYOTA, LICENSE AGREEMENT TMS1002
Fig 8: Engine Control (2GR-FSE) - Wiring Diagram (8 Of 16)
G08935398Courtesy of © TOYOTA, LICENSE AGREEMENT TMS1002
Fig 9: Engine Control (2GR-FSE) - Wiring Diagram (9 Of 16)
G08935399Courtesy of © TOYOTA, LICENSE AGREEMENT TMS1002
Fig 10: Engine Control (2GR-FSE) - Wiring Diagram (10 Of 16)
G08935400Courtesy of © TOYOTA, LICENSE AGREEMENT TMS1002
Fig 11: Engine Control (2GR-FSE) - Wiring Diagram (11 Of 16)
G08935401Courtesy of © TOYOTA, LICENSE AGREEMENT TMS1002
Fig 12: Engine Control (2GR-FSE) - Wiring Diagram (12 Of 16)
G08935402Courtesy of © TOYOTA, LICENSE AGREEMENT TMS1002
Fig 13: Engine Control (2GR-FSE) - Wiring Diagram (13 Of 16)
G08935403Courtesy of © TOYOTA, LICENSE AGREEMENT TMS1002
Fig 14: Engine Control (2GR-FSE) - Wiring Diagram (14 Of 16)
G08935404Courtesy of © TOYOTA, LICENSE AGREEMENT TMS1002
Fig 15: Engine Control (2GR-FSE) - Wiring Diagram (15 Of 16)
G08935405Courtesy of © TOYOTA, LICENSE AGREEMENT TMS1002
Fig 16: Engine Control (2GR-FSE) - Wiring Diagram (16 Of 16)
G08935406Courtesy of © TOYOTA, LICENSE AGREEMENT TMS1002