lemon-mirror:
Home >> Lexus >> 2012 >> IS 350 Base, RWD >> Repair and Diagnosis >> Electrical >> Body Electrical >> OEM System Circuits >> Headlight Beam Level Control >> Notes

Headlight Beam Level Control: Notes

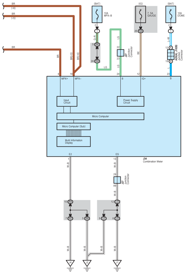
Fig 1: Headlight Beam Level Control - Wiring Diagram (1 Of 4)
G08935490Courtesy of © TOYOTA, LICENSE AGREEMENT TMS1002
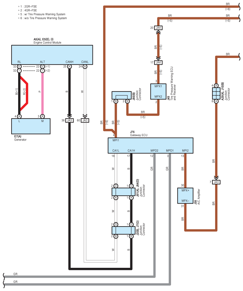
Fig 2: Headlight Beam Level Control - Wiring Diagram (2 Of 4)
G08935491Courtesy of © TOYOTA, LICENSE AGREEMENT TMS1002
Fig 3: Headlight Beam Level Control - Wiring Diagram (3 Of 4)
G08935492Courtesy of © TOYOTA, LICENSE AGREEMENT TMS1002
Fig 4: Headlight Beam Level Control - Wiring Diagram (4 Of 4)
G08935493Courtesy of © TOYOTA, LICENSE AGREEMENT TMS1002