lemon-mirror:
Home >> Lexus >> 2012 >> IS 350C >> Repair and Diagnosis >> Electrical >> Body Electrical >> OEM System Circuits >> Automatic Light Control >> Notes

Automatic Light Control: Notes

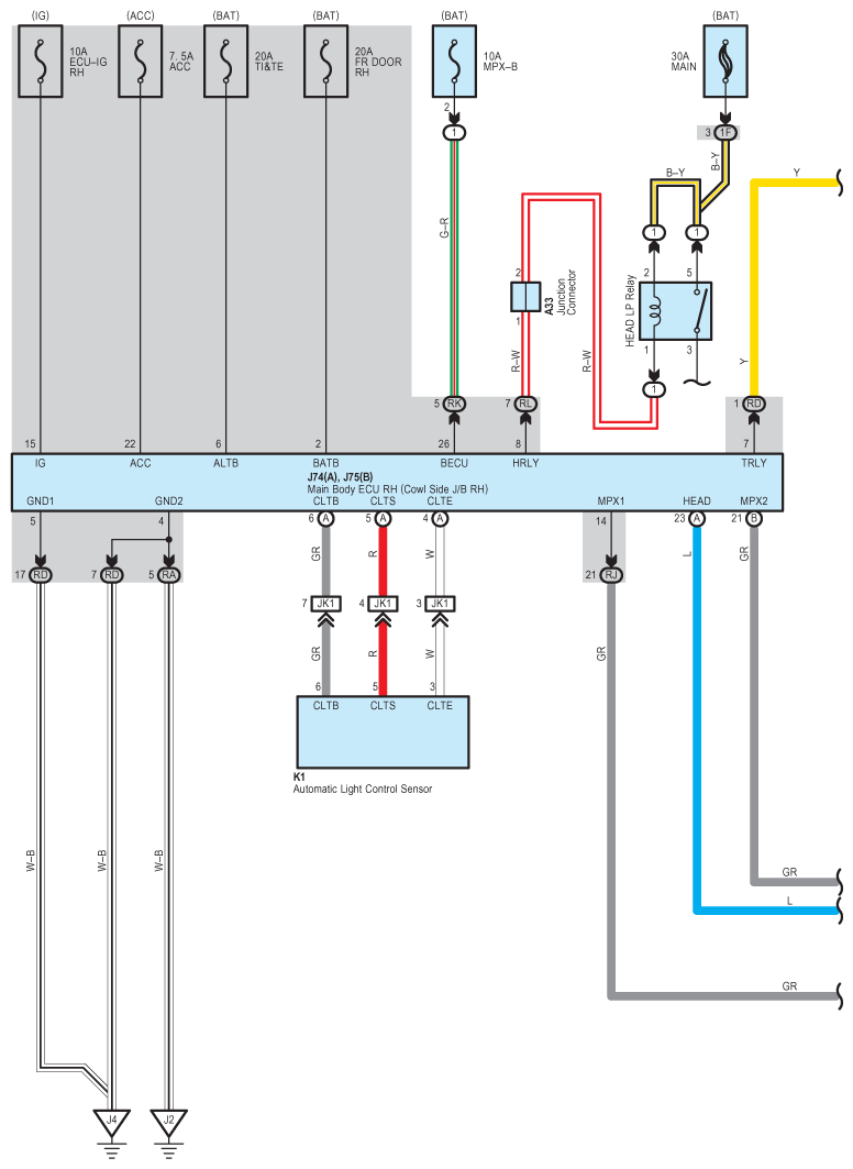
Fig 1: Automatic Light Control - Wiring Diagram (1 Of 4)
G08938675Courtesy of © TOYOTA, LICENSE AGREEMENT TMS1002
Fig 2: Automatic Light Control - Wiring Diagram (2 Of 4)
G08938676Courtesy of © TOYOTA, LICENSE AGREEMENT TMS1002
Fig 3: Automatic Light Control - Wiring Diagram (3 Of 4)
G08938677Courtesy of © TOYOTA, LICENSE AGREEMENT TMS1002
Fig 4: Automatic Light Control - Wiring Diagram (4 Of 4)
G08938678Courtesy of © TOYOTA, LICENSE AGREEMENT TMS1002