lemon-mirror:
Home >> Lexus >> 2012 >> IS 350C >> Repair and Diagnosis >> Electrical >> Body Electrical >> OEM System Circuits >> Cooling Fan >> Notes

Cooling Fan: Notes

Fig 1: Cooling Fan - Wiring Diagram (1 Of 3)
G08938932Courtesy of © TOYOTA, LICENSE AGREEMENT TMS1002
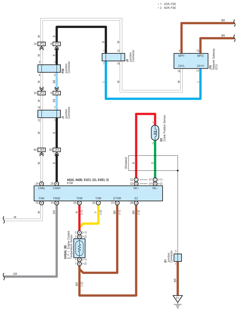
Fig 2: Cooling Fan - Wiring Diagram (2 Of 3)
G08938933Courtesy of © TOYOTA, LICENSE AGREEMENT TMS1002
Fig 3: Cooling Fan - Wiring Diagram (3 Of 3)
G08938934Courtesy of © TOYOTA, LICENSE AGREEMENT TMS1002