lemon-mirror:
Home >> Lexus >> 2012 >> IS 350C >> Repair and Diagnosis >> Electrical >> Body Electrical >> OEM System Circuits >> Cruise Control (2GR-FSE) >> Notes

Cruise Control (2GR-FSE): Notes

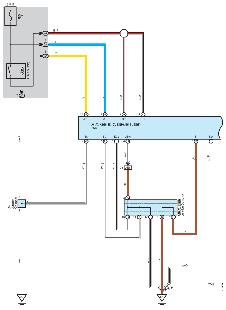
Fig 1: Cruise Control (2GR-FSE) - Wiring Diagram (1 Of 8)
G08938772Courtesy of © TOYOTA, LICENSE AGREEMENT TMS1002
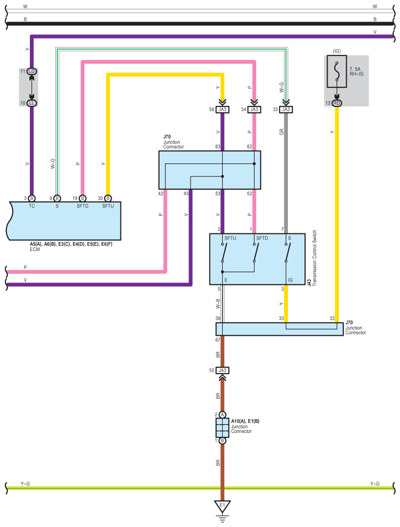
Fig 2: Cruise Control (2GR-FSE) - Wiring Diagram (2 Of 8)
G08938773Courtesy of © TOYOTA, LICENSE AGREEMENT TMS1002
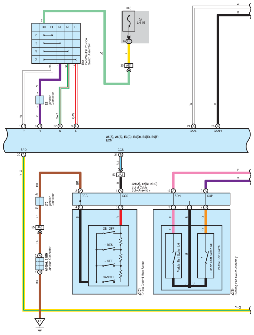
Fig 3: Cruise Control (2GR-FSE) - Wiring Diagram (3 Of 8)
G08938774Courtesy of © TOYOTA, LICENSE AGREEMENT TMS1002
Fig 4: Cruise Control (2GR-FSE) - Wiring Diagram (4 Of 8)
G08938775Courtesy of © TOYOTA, LICENSE AGREEMENT TMS1002
Fig 5: Cruise Control (2GR-FSE) - Wiring Diagram (5 Of 8)
G08938776Courtesy of © TOYOTA, LICENSE AGREEMENT TMS1002
Fig 6: Cruise Control (2GR-FSE) - Wiring Diagram (6 Of 8)
G08938777Courtesy of © TOYOTA, LICENSE AGREEMENT TMS1002
Fig 7: Cruise Control (2GR-FSE) - Wiring Diagram (7 Of 8)
G08938778Courtesy of © TOYOTA, LICENSE AGREEMENT TMS1002
Fig 8: Cruise Control (2GR-FSE) - Wiring Diagram (8 Of 8)
G08938779Courtesy of © TOYOTA, LICENSE AGREEMENT TMS1002


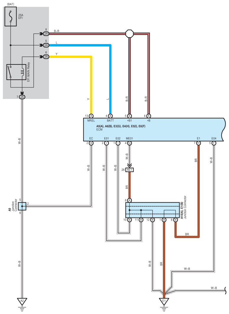
Fig 1: Cruise Control (2GR-FSE) - Wiring Diagram (1 Of 7)
G08938780Courtesy of © TOYOTA, LICENSE AGREEMENT TMS1002
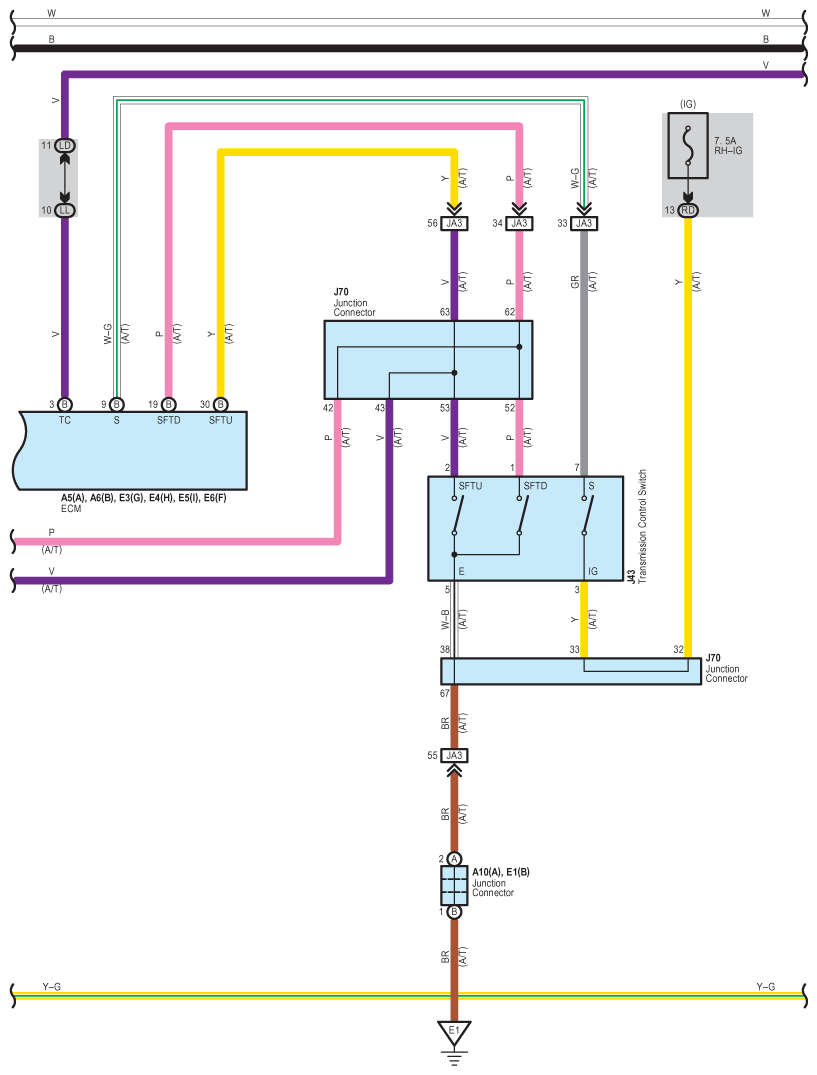
Fig 2: Cruise Control (2GR-FSE) - Wiring Diagram (2 Of 7)
G08938781Courtesy of © TOYOTA, LICENSE AGREEMENT TMS1002
Fig 3: Cruise Control (2GR-FSE) - Wiring Diagram (3 Of 7)
G08938782Courtesy of © TOYOTA, LICENSE AGREEMENT TMS1002
Fig 4: Cruise Control (2GR-FSE) - Wiring Diagram (4 Of 7)
G08938783Courtesy of © TOYOTA, LICENSE AGREEMENT TMS1002
Fig 5: Cruise Control (2GR-FSE) - Wiring Diagram (5 Of 7)
G08938784Courtesy of © TOYOTA, LICENSE AGREEMENT TMS1002
Fig 6: Cruise Control (2GR-FSE) - Wiring Diagram (6 Of 7)
G08938785Courtesy of © TOYOTA, LICENSE AGREEMENT TMS1002
Fig 7: Cruise Control (2GR-FSE) - Wiring Diagram (7 Of 7)
G08938786Courtesy of © TOYOTA, LICENSE AGREEMENT TMS1002