lemon-mirror:
Home >> Lexus >> 2012 >> IS 350C >> Repair and Diagnosis >> Electrical >> Body Electrical >> OEM System Circuits >> Engine Control (4GR-FSE) >> Notes

Engine Control (4GR-FSE): Notes

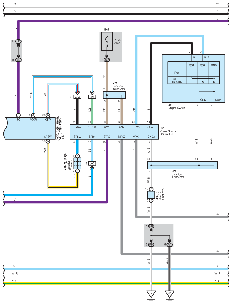
Fig 1: Engine Control (4GR-FSE) - Wiring Diagram (1 Of 18)
G08938601Courtesy of © TOYOTA, LICENSE AGREEMENT TMS1002
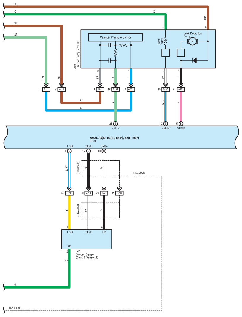
Fig 2: Engine Control (4GR-FSE) - Wiring Diagram (2 Of 18)
G08938602Courtesy of © TOYOTA, LICENSE AGREEMENT TMS1002
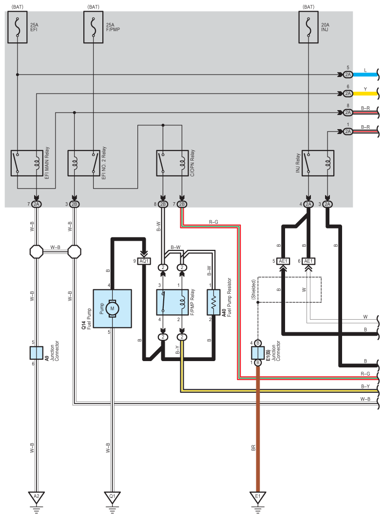
Fig 3: Engine Control (4GR-FSE) - Wiring Diagram (3 Of 18)
G08938603Courtesy of © TOYOTA, LICENSE AGREEMENT TMS1002
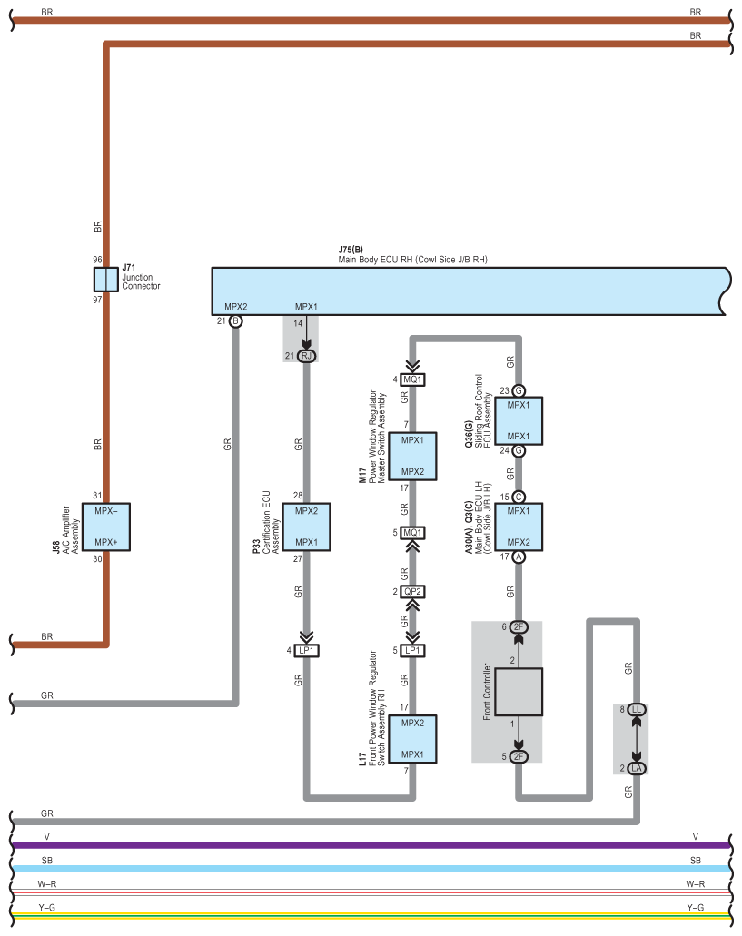
Fig 4: Engine Control (4GR-FSE) - Wiring Diagram (4 Of 18)
G08938604Courtesy of © TOYOTA, LICENSE AGREEMENT TMS1002
Fig 5: Engine Control (4GR-FSE) - Wiring Diagram (5 Of 18)
G08938605Courtesy of © TOYOTA, LICENSE AGREEMENT TMS1002
Fig 6: Engine Control (4GR-FSE) - Wiring Diagram (6 Of 18)
G08938606Courtesy of © TOYOTA, LICENSE AGREEMENT TMS1002
Fig 7: Engine Control (4GR-FSE) - Wiring Diagram (7 Of 18)
G08938607Courtesy of © TOYOTA, LICENSE AGREEMENT TMS1002
Fig 8: Engine Control (4GR-FSE) - Wiring Diagram (8 Of 18)
G08938608Courtesy of © TOYOTA, LICENSE AGREEMENT TMS1002
Fig 9: Engine Control (4GR-FSE) - Wiring Diagram (9 Of 18)
G08938609Courtesy of © TOYOTA, LICENSE AGREEMENT TMS1002
Fig 10: Engine Control (4GR-FSE) - Wiring Diagram (10 Of 18)
G08938610Courtesy of © TOYOTA, LICENSE AGREEMENT TMS1002
Fig 11: Engine Control (4GR-FSE) - Wiring Diagram (11 Of 18)
G08938611Courtesy of © TOYOTA, LICENSE AGREEMENT TMS1002
Fig 12: Engine Control (4GR-FSE) - Wiring Diagram (12 Of 18)
G08938612Courtesy of © TOYOTA, LICENSE AGREEMENT TMS1002
Fig 13: Engine Control (4GR-FSE) - Wiring Diagram (13 Of 18)
G08938613Courtesy of © TOYOTA, LICENSE AGREEMENT TMS1002
Fig 14: Engine Control (4GR-FSE) - Wiring Diagram (14 Of 18)
G08938614Courtesy of © TOYOTA, LICENSE AGREEMENT TMS1002
Fig 15: Engine Control (4GR-FSE) - Wiring Diagram (15 Of 18)
G08938615Courtesy of © TOYOTA, LICENSE AGREEMENT TMS1002
Fig 16: Engine Control (4GR-FSE) - Wiring Diagram (16 Of 18)
G08938616Courtesy of © TOYOTA, LICENSE AGREEMENT TMS1002
Fig 17: Engine Control (4GR-FSE) - Wiring Diagram (17 Of 18)
G08938617Courtesy of © TOYOTA, LICENSE AGREEMENT TMS1002
Fig 18: Engine Control (4GR-FSE) - Wiring Diagram (18 Of 18)
G08938618Courtesy of © TOYOTA, LICENSE AGREEMENT TMS1002