lemon-mirror:
Home >> Lexus >> 2012 >> IS 350C >> Repair and Diagnosis >> Electrical >> Body Electrical >> OEM System Circuits >> Front Wiper and Washer >> Notes

Front Wiper and Washer: Notes

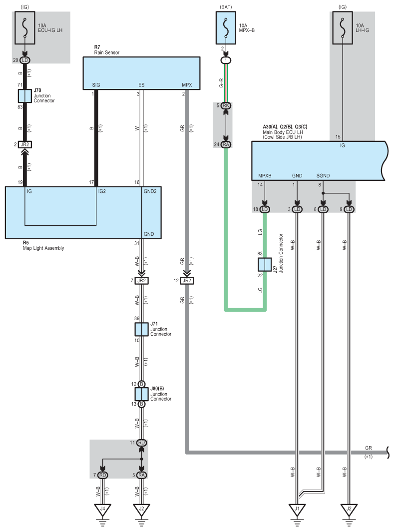
Fig 1: Front Wiper And Washer - Wiring Diagram (1 Of 6)
G08938695Courtesy of © TOYOTA, LICENSE AGREEMENT TMS1002
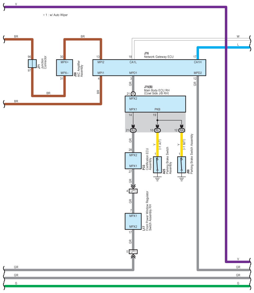
Fig 2: Front Wiper And Washer - Wiring Diagram (2 Of 6)
G08938696Courtesy of © TOYOTA, LICENSE AGREEMENT TMS1002
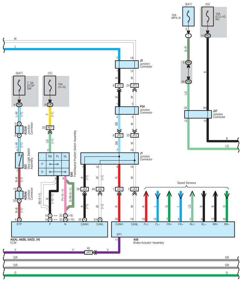
Fig 3: Front Wiper And Washer - Wiring Diagram (3 Of 6)
G08938697Courtesy of © TOYOTA, LICENSE AGREEMENT TMS1002
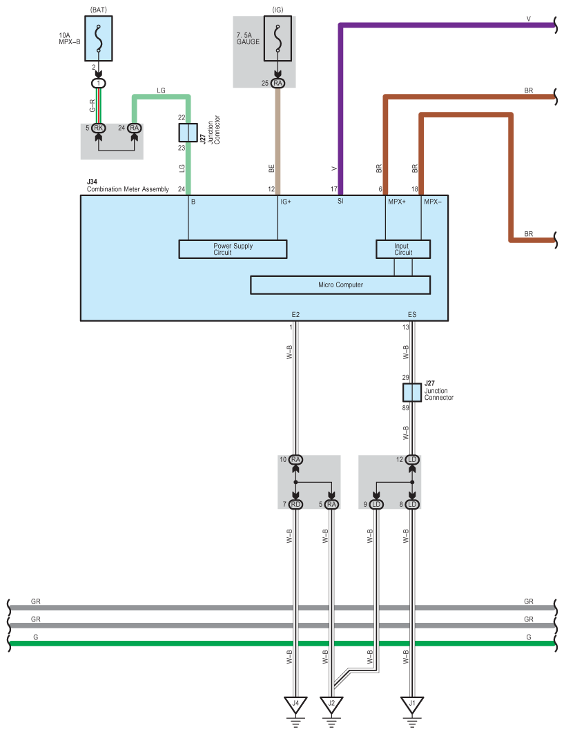
Fig 4: Front Wiper And Washer - Wiring Diagram (4 Of 6)
G08938698Courtesy of © TOYOTA, LICENSE AGREEMENT TMS1002
Fig 5: Front Wiper And Washer - Wiring Diagram (5 Of 6)
G08938699Courtesy of © TOYOTA, LICENSE AGREEMENT TMS1002
Fig 6: Front Wiper And Washer - Wiring Diagram (6 Of 6)
G08938700Courtesy of © TOYOTA, LICENSE AGREEMENT TMS1002