lemon-mirror:
Home >> Lexus >> 2012 >> IS 350C >> Repair and Diagnosis >> Electrical >> Body Electrical >> OEM System Circuits >> Fuel Lid Opener >> Notes

Fuel Lid Opener: Notes

Fig 1: Fuel Lid Opener - Wiring Diagram (1 Of 2)
G08938839Courtesy of © TOYOTA, LICENSE AGREEMENT TMS1002
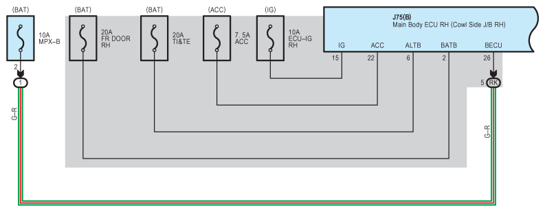
Fig 2: Fuel Lid Opener - Wiring Diagram (2 Of 2)
G08938840Courtesy of © TOYOTA, LICENSE AGREEMENT TMS1002