lemon-mirror:
Home >> Lexus >> 2012 >> IS 350C >> Repair and Diagnosis >> Electrical >> Body Electrical >> OEM System Circuits >> Interior Light >> Notes

Interior Light: Notes

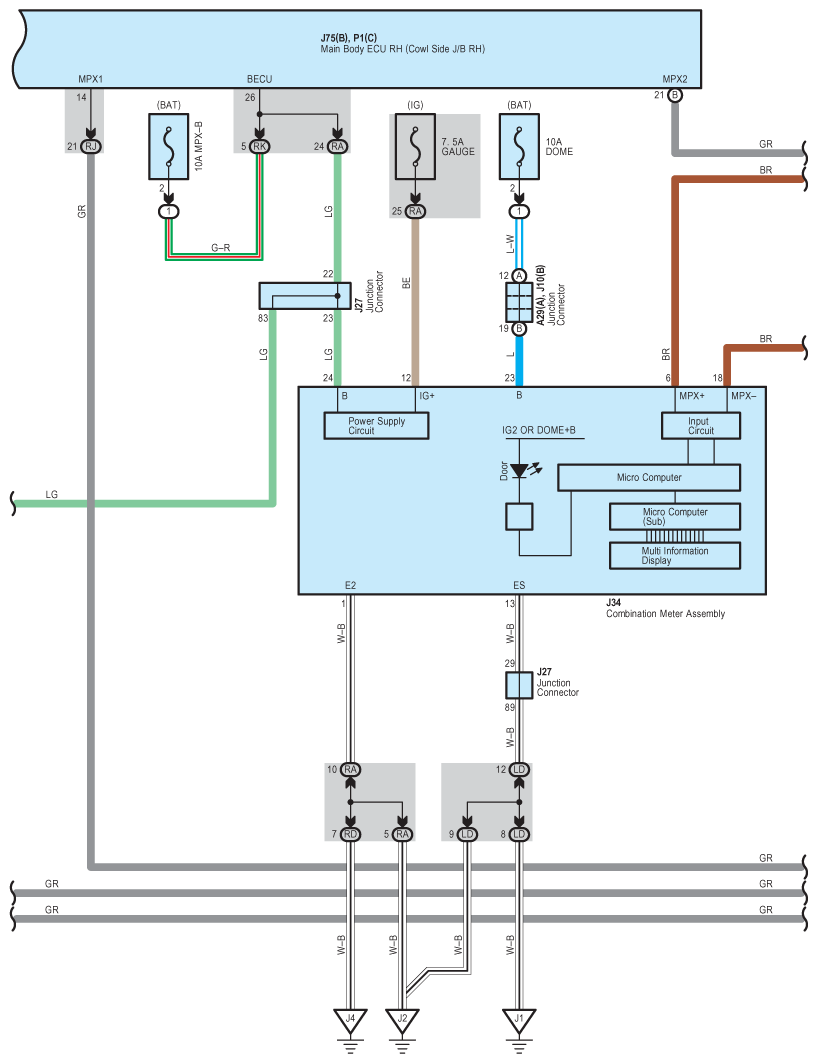
Fig 1: Interior Light - Wiring Diagram (1 Of 11)
G08938635Courtesy of © TOYOTA, LICENSE AGREEMENT TMS1002
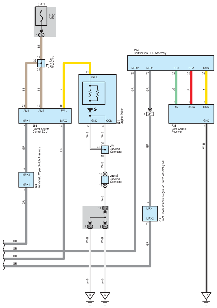
Fig 2: Interior Light - Wiring Diagram (2 Of 11)
G08938636Courtesy of © TOYOTA, LICENSE AGREEMENT TMS1002
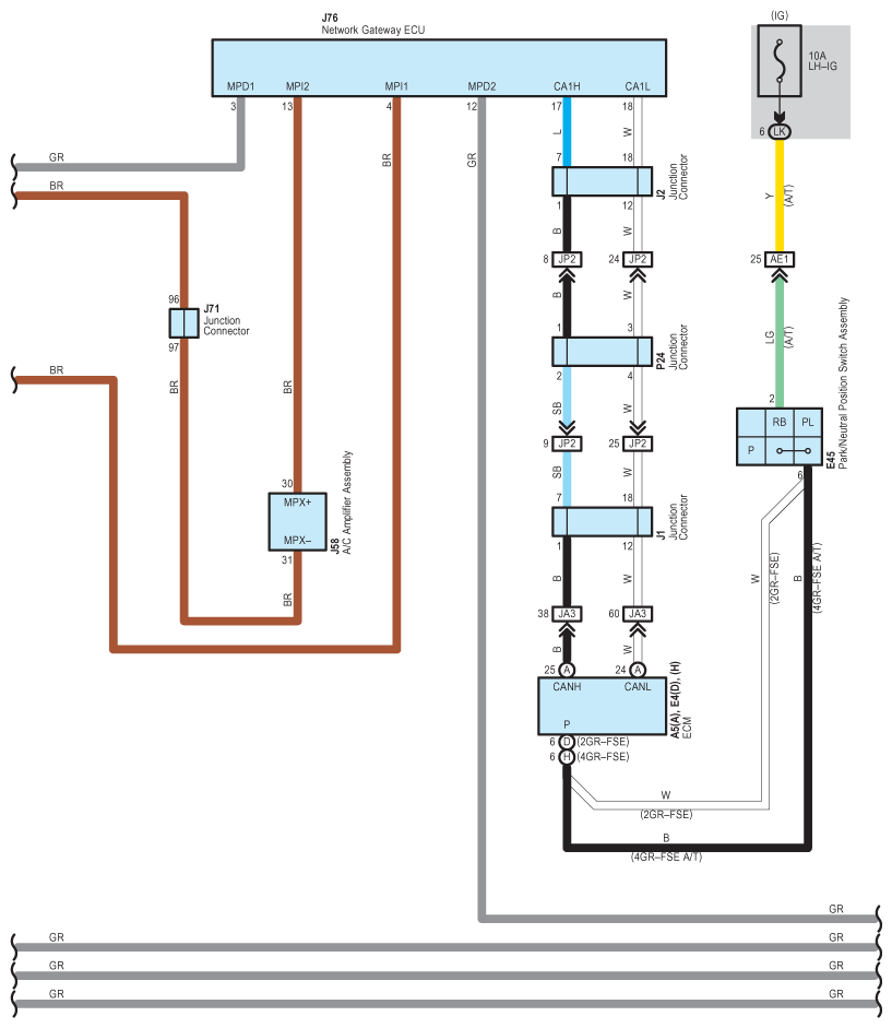
Fig 3: Interior Light - Wiring Diagram (3 Of 11)
G08938637Courtesy of © TOYOTA, LICENSE AGREEMENT TMS1002
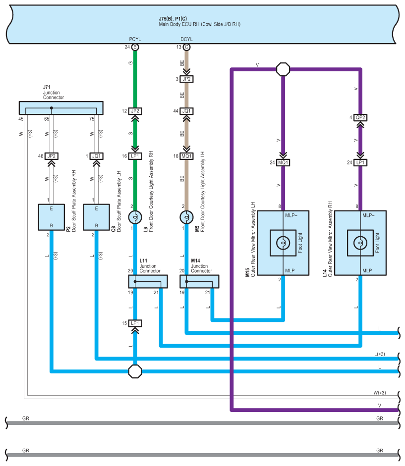
Fig 4: Interior Light - Wiring Diagram (4 Of 11)
G08938638Courtesy of © TOYOTA, LICENSE AGREEMENT TMS1002
Fig 5: Interior Light - Wiring Diagram (5 Of 11)
G08938639Courtesy of © TOYOTA, LICENSE AGREEMENT TMS1002
Fig 6: Interior Light - Wiring Diagram (6 Of 11)
G08938640Courtesy of © TOYOTA, LICENSE AGREEMENT TMS1002
Fig 7: Interior Light - Wiring Diagram (7 Of 11)
G08938641Courtesy of © TOYOTA, LICENSE AGREEMENT TMS1002
Fig 8: Interior Light - Wiring Diagram (8 Of 11)
G08938642Courtesy of © TOYOTA, LICENSE AGREEMENT TMS1002
Fig 9: Interior Light - Wiring Diagram (9 Of 11)
G08938643Courtesy of © TOYOTA, LICENSE AGREEMENT TMS1002
Fig 10: Interior Light - Wiring Diagram (10 Of 11)
G08938644Courtesy of © TOYOTA, LICENSE AGREEMENT TMS1002
Fig 11: Interior Light - Wiring Diagram (11 Of 11)
G08938645Courtesy of © TOYOTA, LICENSE AGREEMENT TMS1002