lemon-mirror:
Home >> Lexus >> 2012 >> IS 350C >> Repair and Diagnosis >> Electrical >> Body Electrical >> OEM System Circuits >> Light Auto Turn Off System >> Notes

Light Auto Turn Off System: Notes

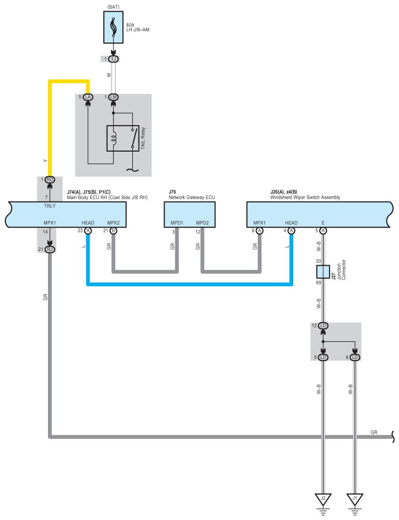
Fig 1: Light Auto Turn Off System - Wiring Diagram (1 Of 5)
G08938679Courtesy of © TOYOTA, LICENSE AGREEMENT TMS1002
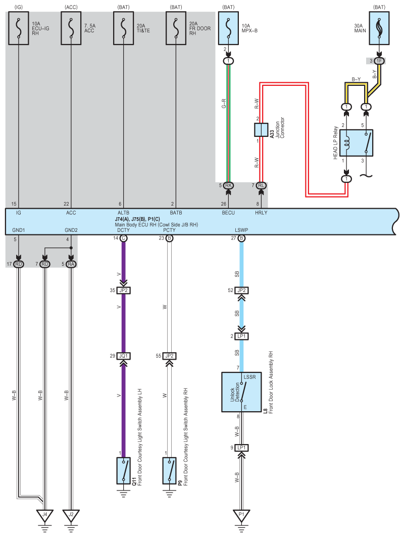
Fig 2: Light Auto Turn Off System - Wiring Diagram (2 Of 5)
G08938680Courtesy of © TOYOTA, LICENSE AGREEMENT TMS1002
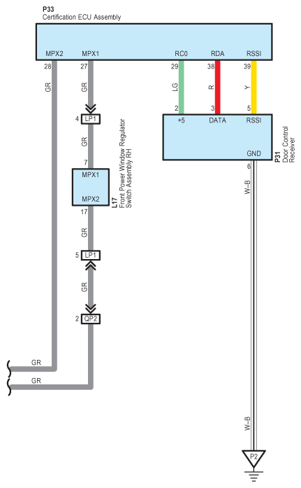
Fig 3: Light Auto Turn Off System - Wiring Diagram (3 Of 5)
G08938681Courtesy of © TOYOTA, LICENSE AGREEMENT TMS1002
Fig 4: Light Auto Turn Off System - Wiring Diagram (4 Of 5)
G08938682Courtesy of © TOYOTA, LICENSE AGREEMENT TMS1002
Fig 5: Light Auto Turn Off System - Wiring Diagram (5 Of 5)
G08938683Courtesy of © TOYOTA, LICENSE AGREEMENT TMS1002