lemon-mirror:
Home >> Lexus >> 2012 >> IS 350C >> Repair and Diagnosis >> Electrical >> Body Electrical >> OEM System Circuits >> Seat Belt Warning >> Notes

Seat Belt Warning: Notes

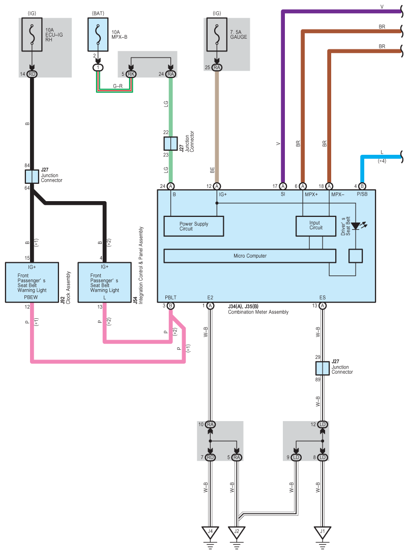
Fig 1: Seat Belt Warning - Wiring Diagram (1 Of 4)
G08938844Courtesy of © TOYOTA, LICENSE AGREEMENT TMS1002
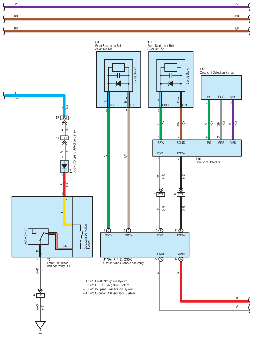
Fig 2: Seat Belt Warning - Wiring Diagram (2 Of 4)
G08938845Courtesy of © TOYOTA, LICENSE AGREEMENT TMS1002
Fig 3: Seat Belt Warning - Wiring Diagram (3 Of 4)
G08938846Courtesy of © TOYOTA, LICENSE AGREEMENT TMS1002
Fig 4: Seat Belt Warning - Wiring Diagram (4 Of 4)
G08938847Courtesy of © TOYOTA, LICENSE AGREEMENT TMS1002