lemon-mirror:
Home >> Lexus >> 2012 >> IS F >> Repair and Diagnosis (Single Page) >> Engine Performance >> Ignition System (Inspection) >> Ignition System >> System Diagram >> System Diagram

System Diagram

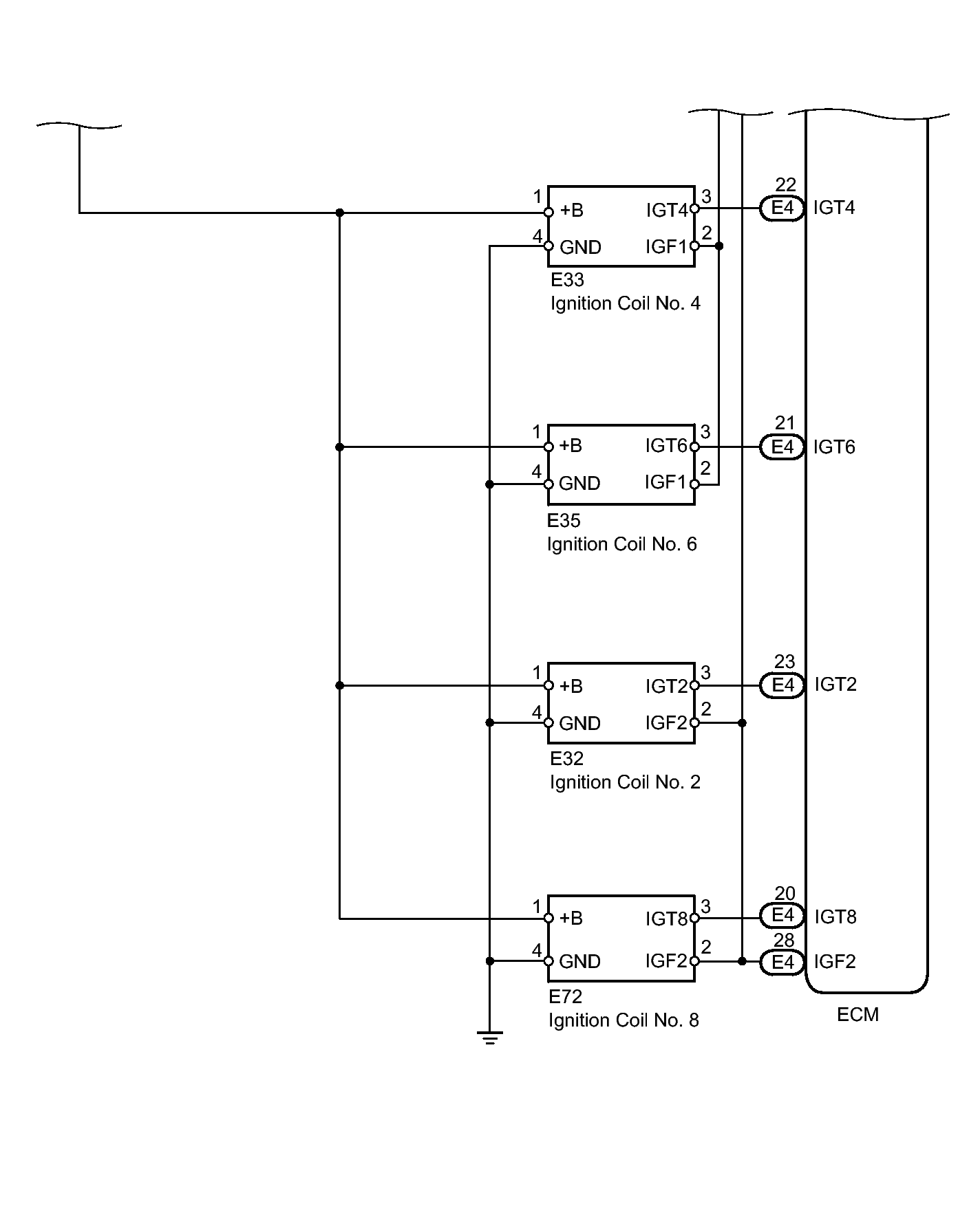
Fig 1: Identifying Ignition System Wiring Diagram
GTY351942Courtesy of © TOYOTA, LICENSE AGREEMENT TMS1002
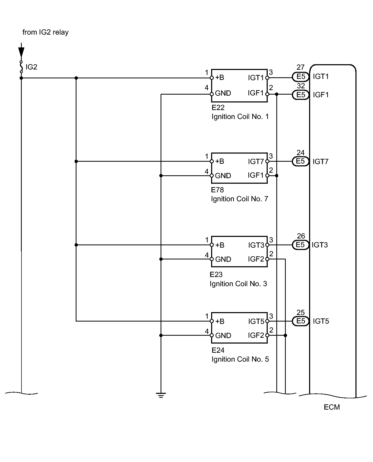
Fig 2: Identifying Ignition System Wiring Diagram
GTY347734Courtesy of © TOYOTA, LICENSE AGREEMENT TMS1002