lemon-mirror:
Home >> Lexus >> 2012 >> IS F >> Repair and Diagnosis >> Electrical >> Body Electrical >> OEM Ground Points >> Ground Point >> Notes

Ground Point: Notes

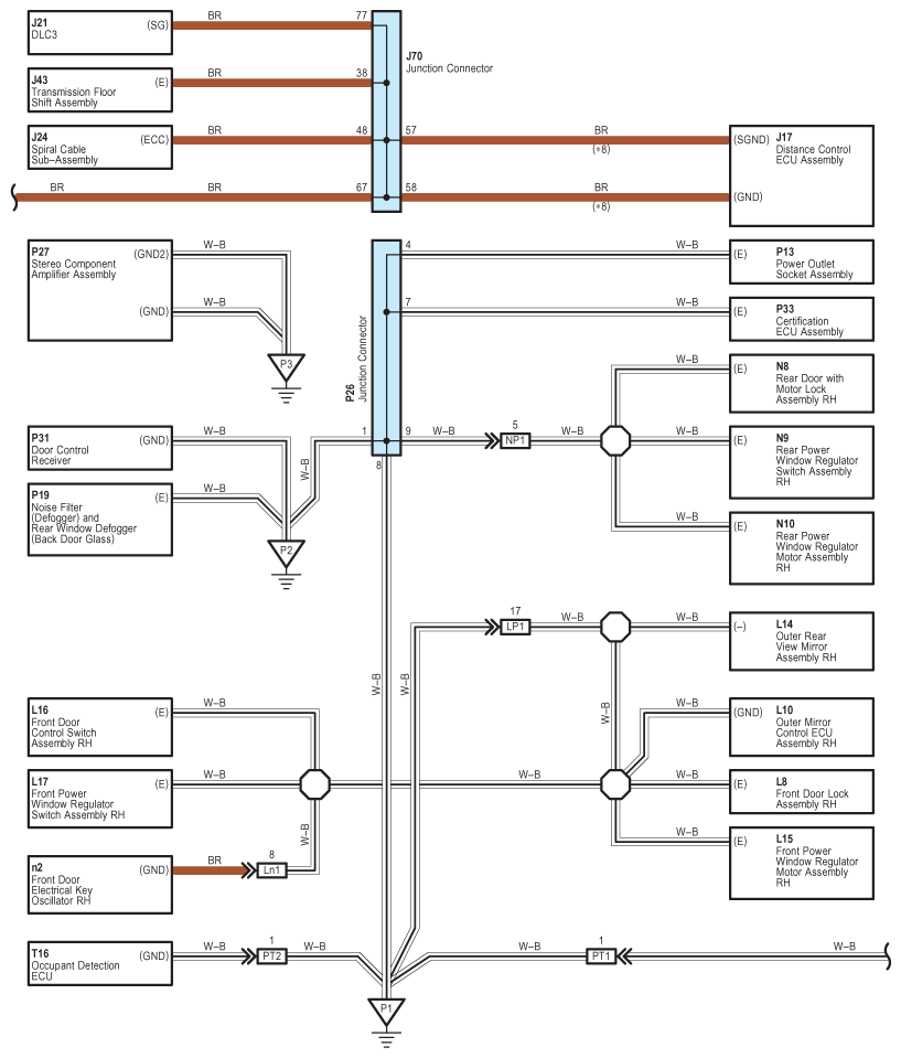
Fig 1: Ground Point System Wiring Diagram (1 Of 9)
G08939897Courtesy of © TOYOTA, LICENSE AGREEMENT TMS1002
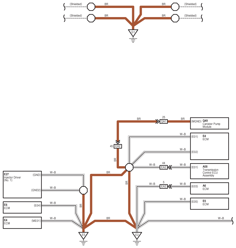
Fig 2: Ground Point System Wiring Diagram (2 Of 9)
G08939898Courtesy of © TOYOTA, LICENSE AGREEMENT TMS1002
Fig 3: Ground Point System Wiring Diagram (3 Of 9)
G08939899Courtesy of © TOYOTA, LICENSE AGREEMENT TMS1002
Fig 4: Ground Point System Wiring Diagram (4 Of 9)
G08939900Courtesy of © TOYOTA, LICENSE AGREEMENT TMS1002
Fig 5: Ground Point System Wiring Diagram (5 Of 9)
G08939901Courtesy of © TOYOTA, LICENSE AGREEMENT TMS1002
Fig 6: Ground Point System Wiring Diagram (6 Of 9)
G08939902Courtesy of © TOYOTA, LICENSE AGREEMENT TMS1002
Fig 7: Ground Point System Wiring Diagram (7 Of 9)
G08939903Courtesy of © TOYOTA, LICENSE AGREEMENT TMS1002
Fig 8: Ground Point System Wiring Diagram (8 Of 9)
G08939904Courtesy of © TOYOTA, LICENSE AGREEMENT TMS1002
Fig 9: Ground Point System Wiring Diagram (9 Of 9)
G08939905Courtesy of © TOYOTA, LICENSE AGREEMENT TMS1002