lemon-mirror:
Home >> Lexus >> 2012 >> IS F >> Repair and Diagnosis >> Electrical >> Body Electrical >> OEM System Circuits >> Automatic Light Control and Light Auto Turn Off System >> Notes

Automatic Light Control and Light Auto Turn Off System: Notes

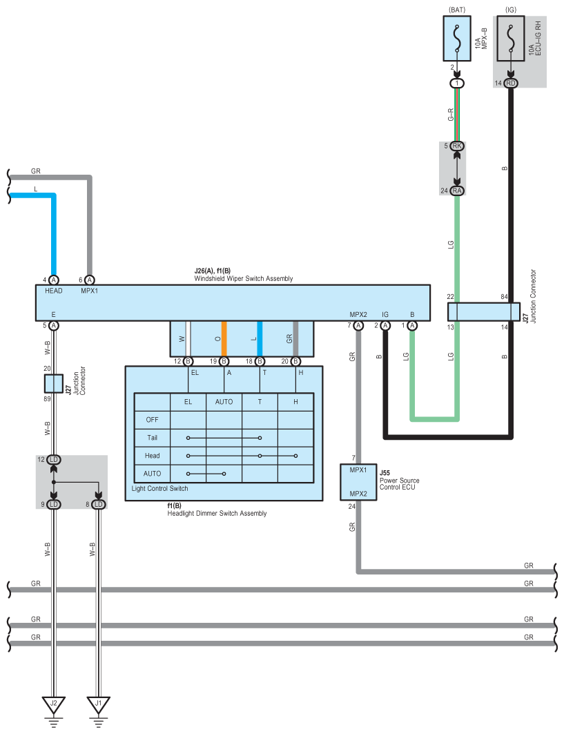
Fig 1: Automatic Light Control And Light Auto Turn Off System - Wiring Diagram (1 Of 4)
G08939702Courtesy of © TOYOTA, LICENSE AGREEMENT TMS1002
Fig 2: Automatic Light Control And Light Auto Turn Off System - Wiring Diagram (2 Of 4)
G08939703Courtesy of © TOYOTA, LICENSE AGREEMENT TMS1002
Fig 3: Automatic Light Control And Light Auto Turn Off System - Wiring Diagram (3 Of 4)
G08939704Courtesy of © TOYOTA, LICENSE AGREEMENT TMS1002
Fig 4: Automatic Light Control And Light Auto Turn Off System - Wiring Diagram (4 Of 4)
G08939705Courtesy of © TOYOTA, LICENSE AGREEMENT TMS1002