lemon-mirror:
Home >> Lexus >> 2012 >> IS F >> Repair and Diagnosis >> Electrical >> Body Electrical >> OEM System Circuits >> Data Link Connector 3 >> Notes

Data Link Connector 3: Notes

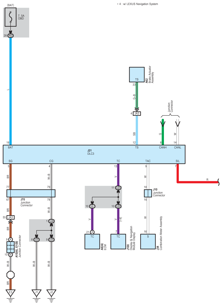
Fig 1: Data Link Connector 3 - Wiring Diagram (1 Of 2)
G08939645Courtesy of © TOYOTA, LICENSE AGREEMENT TMS1002
Fig 2: Data Link Connector 3 - Wiring Diagram (2 Of 2)
G08939646Courtesy of © TOYOTA, LICENSE AGREEMENT TMS1002