lemon-mirror:
Home >> Lexus >> 2012 >> IS F >> Repair and Diagnosis >> Electrical >> Body Electrical >> OEM System Circuits >> Dynamic Radar Cruise Control >> Notes

Dynamic Radar Cruise Control: Notes

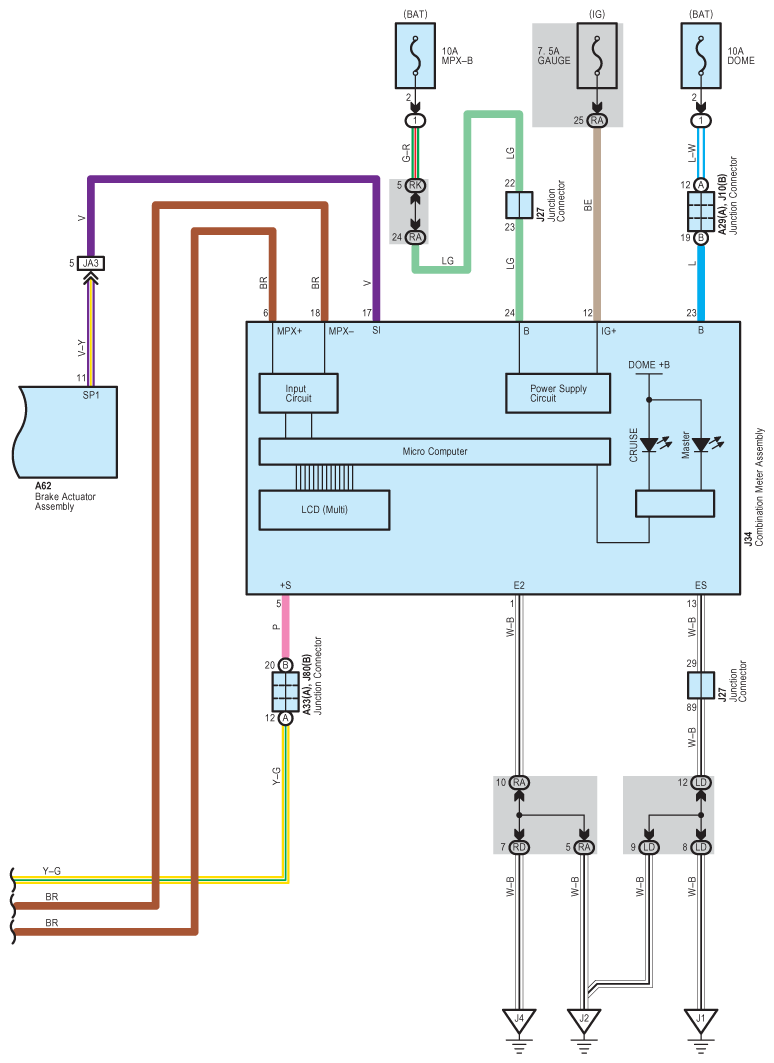
Fig 1: Dynamic Radar Cruise Control - Wiring Diagram (1 Of 18)
G08939741Courtesy of © TOYOTA, LICENSE AGREEMENT TMS1002
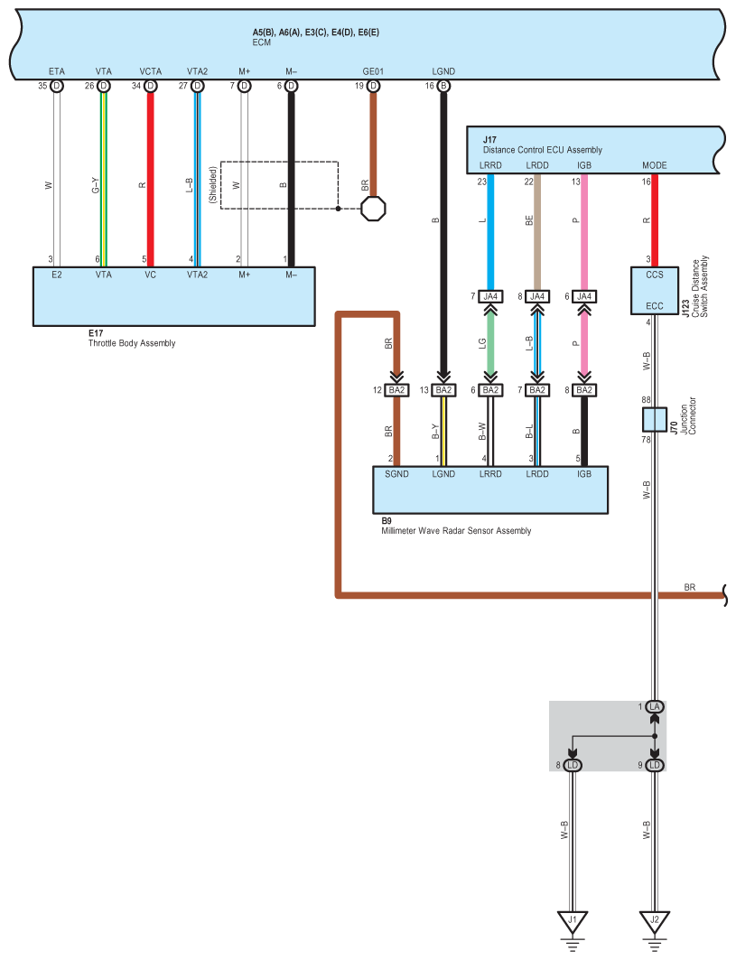
Fig 2: Dynamic Radar Cruise Control - Wiring Diagram (2 Of 18)
G08939742Courtesy of © TOYOTA, LICENSE AGREEMENT TMS1002
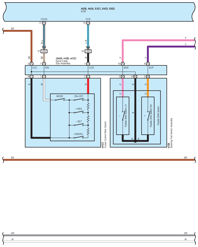
Fig 3: Dynamic Radar Cruise Control - Wiring Diagram (3 Of 18)
G08939743Courtesy of © TOYOTA, LICENSE AGREEMENT TMS1002
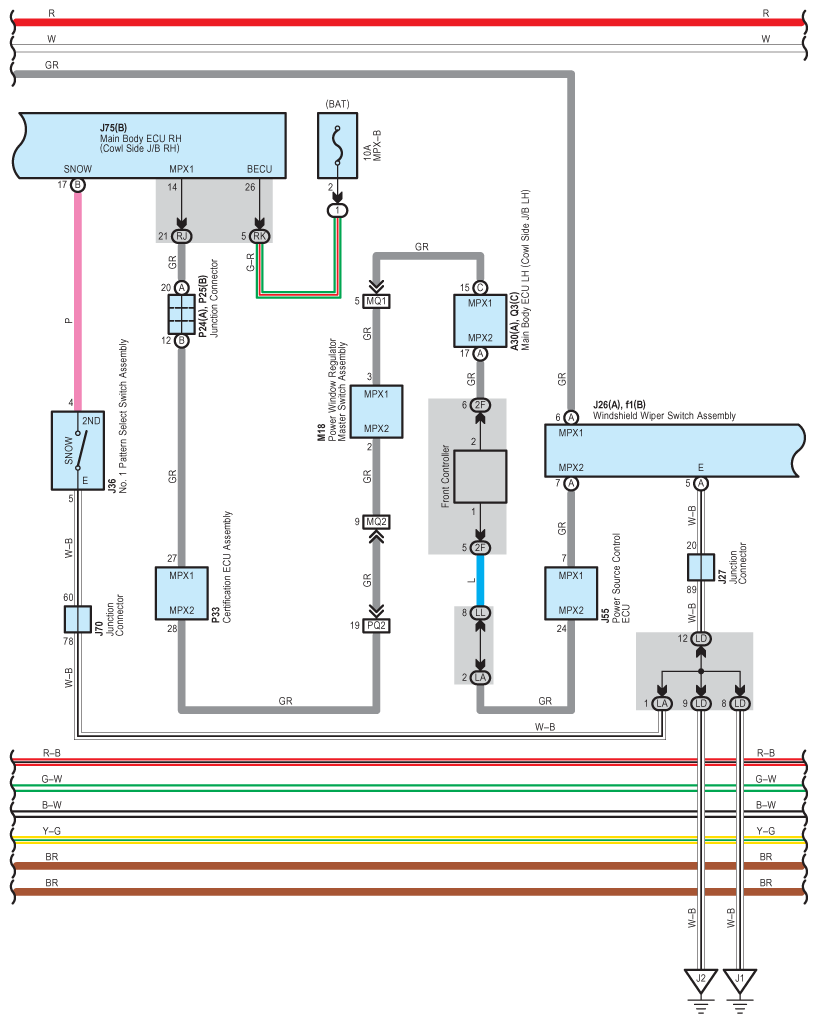
Fig 4: Dynamic Radar Cruise Control - Wiring Diagram (4 Of 18)
G08939744Courtesy of © TOYOTA, LICENSE AGREEMENT TMS1002
Fig 5: Dynamic Radar Cruise Control - Wiring Diagram (5 Of 18)
G08939745Courtesy of © TOYOTA, LICENSE AGREEMENT TMS1002
Fig 6: Dynamic Radar Cruise Control - Wiring Diagram (6 Of 18)
G08939746Courtesy of © TOYOTA, LICENSE AGREEMENT TMS1002
Fig 7: Dynamic Radar Cruise Control - Wiring Diagram (7 Of 18)
G08939747Courtesy of © TOYOTA, LICENSE AGREEMENT TMS1002
Fig 8: Dynamic Radar Cruise Control - Wiring Diagram (8 Of 18)
G08939748Courtesy of © TOYOTA, LICENSE AGREEMENT TMS1002
Fig 9: Dynamic Radar Cruise Control - Wiring Diagram (9 Of 18)
G08939749Courtesy of © TOYOTA, LICENSE AGREEMENT TMS1002
Fig 10: Dynamic Radar Cruise Control - Wiring Diagram (10 Of 18)
G08939750Courtesy of © TOYOTA, LICENSE AGREEMENT TMS1002
Fig 11: Dynamic Radar Cruise Control - Wiring Diagram (11 Of 18)
G08939751Courtesy of © TOYOTA, LICENSE AGREEMENT TMS1002
Fig 12: Dynamic Radar Cruise Control - Wiring Diagram (12 Of 18)
G08939752Courtesy of © TOYOTA, LICENSE AGREEMENT TMS1002
Fig 13: Dynamic Radar Cruise Control - Wiring Diagram (13 Of 18)
G08939753Courtesy of © TOYOTA, LICENSE AGREEMENT TMS1002
Fig 14: Dynamic Radar Cruise Control - Wiring Diagram (14 Of 18)
G08939754Courtesy of © TOYOTA, LICENSE AGREEMENT TMS1002
Fig 15: Dynamic Radar Cruise Control - Wiring Diagram (15 Of 18)
G08939755Courtesy of © TOYOTA, LICENSE AGREEMENT TMS1002
Fig 16: Dynamic Radar Cruise Control - Wiring Diagram (16 Of 18)
G08939756Courtesy of © TOYOTA, LICENSE AGREEMENT TMS1002
Fig 17: Dynamic Radar Cruise Control - Wiring Diagram (17 Of 18)
G08939757Courtesy of © TOYOTA, LICENSE AGREEMENT TMS1002
Fig 18: Dynamic Radar Cruise Control - Wiring Diagram (18 Of 18)
G08939758Courtesy of © TOYOTA, LICENSE AGREEMENT TMS1002