lemon-mirror:
Home >> Lexus >> 2012 >> IS F >> Repair and Diagnosis >> Electrical >> Body Electrical >> OEM System Circuits >> Ignition >> Notes

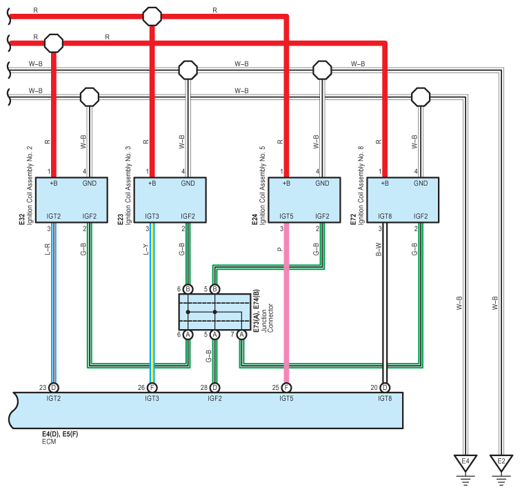
OEM System Circuits: Ignition: Notes

Fig 1: Ignition - Wiring Diagram (1 Of 2)
G08939611Courtesy of © TOYOTA, LICENSE AGREEMENT TMS1002
Fig 2: Ignition - Wiring Diagram (2 Of 2)
G08939612Courtesy of © TOYOTA, LICENSE AGREEMENT TMS1002