lemon-mirror:
Home >> Lexus >> 2012 >> IS F >> Repair and Diagnosis >> Electrical >> Body Electrical >> OEM System Circuits >> Interior Light >> Notes

Interior Light: Notes

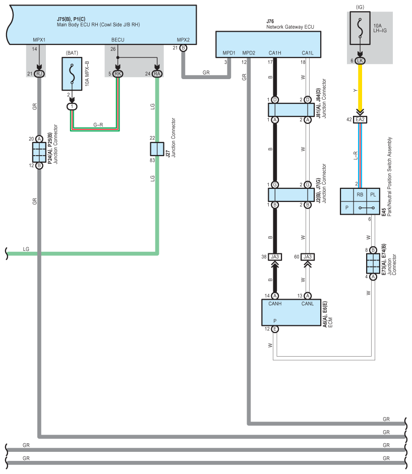
Fig 1: Interior Light - Wiring Diagram (1 Of 11)
G08939660Courtesy of © TOYOTA, LICENSE AGREEMENT TMS1002
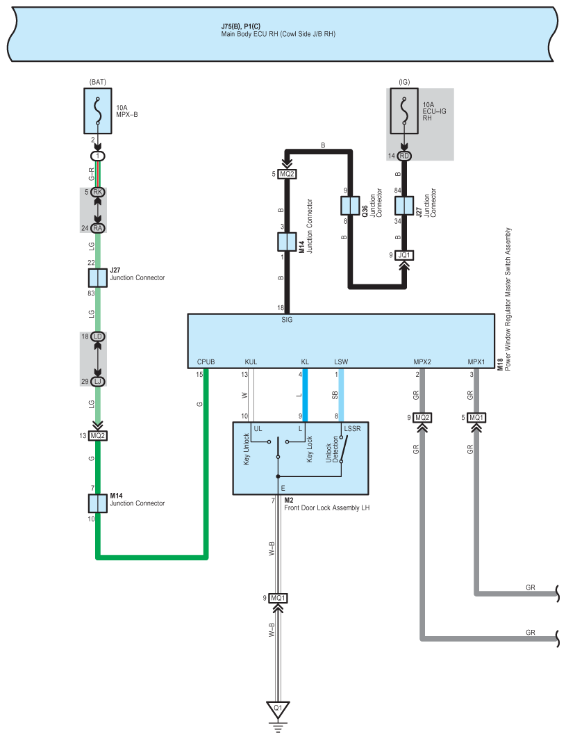
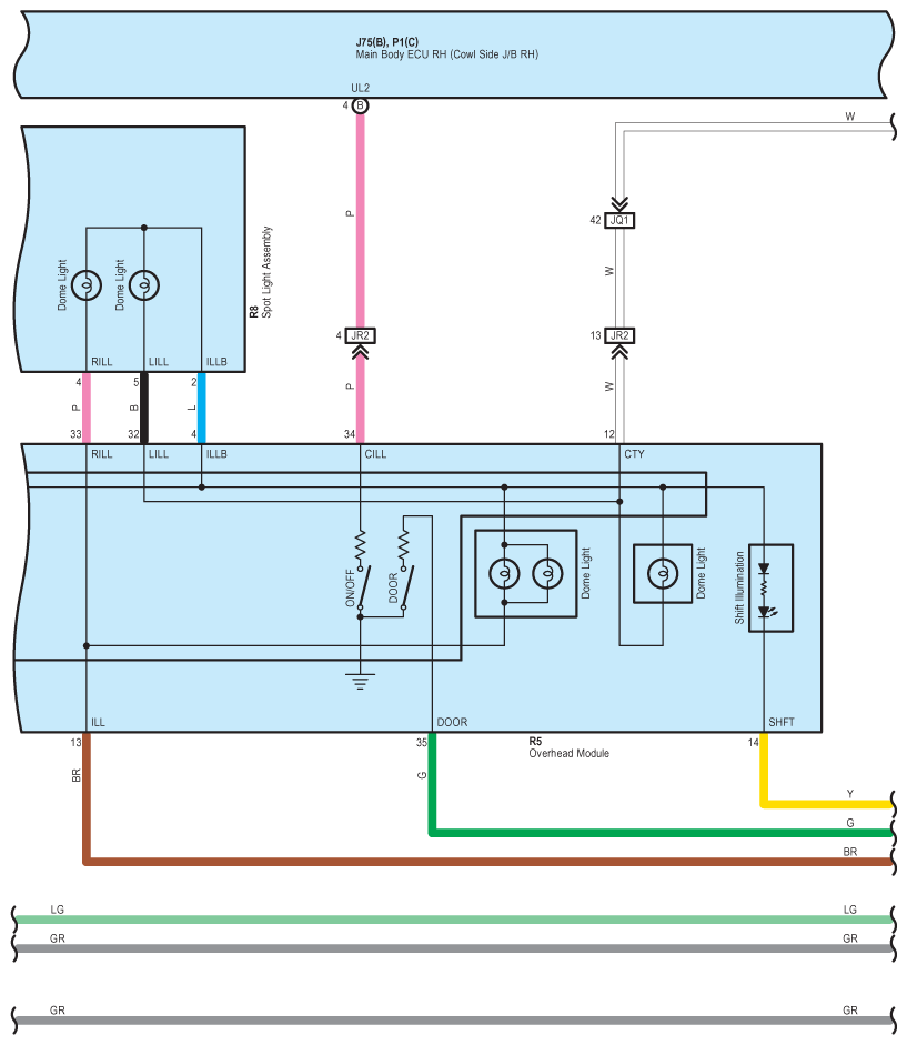
Fig 2: Interior Light - Wiring Diagram (2 Of 11)
G08939661Courtesy of © TOYOTA, LICENSE AGREEMENT TMS1002
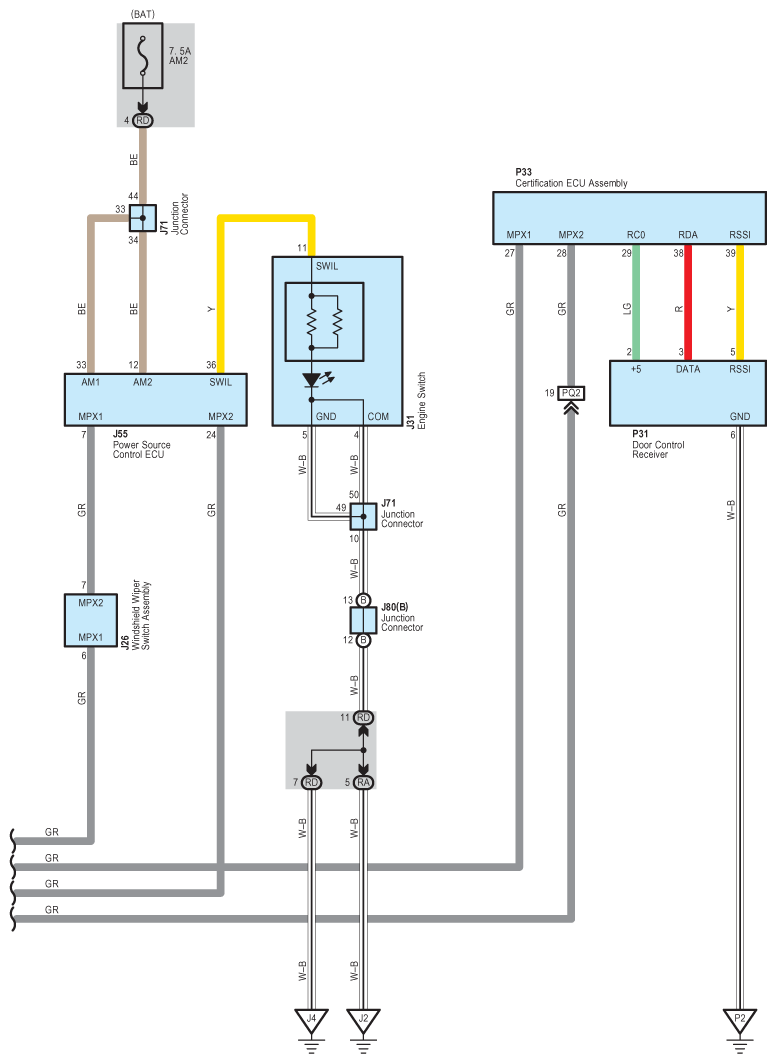
Fig 3: Interior Light - Wiring Diagram (3 Of 11)
G08939662Courtesy of © TOYOTA, LICENSE AGREEMENT TMS1002
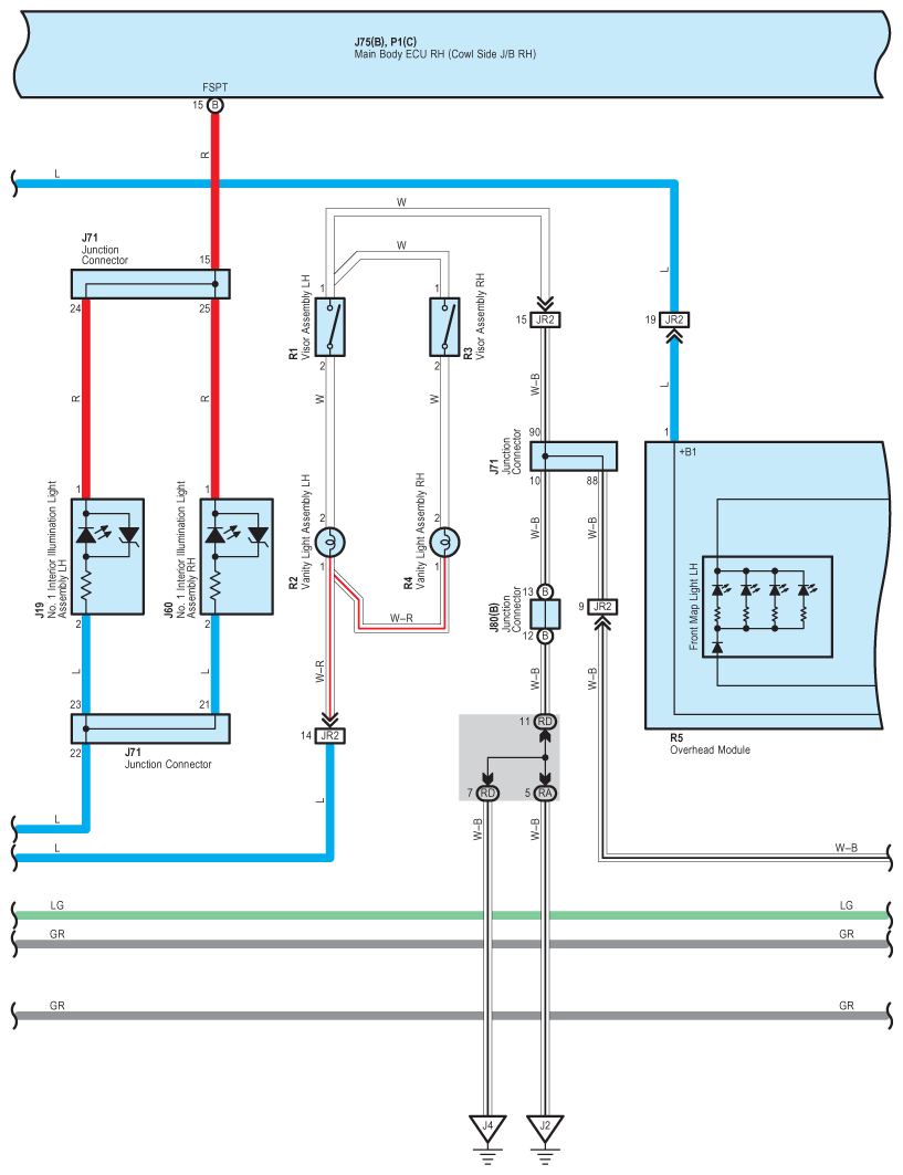
Fig 4: Interior Light - Wiring Diagram (4 Of 11)
G08939663Courtesy of © TOYOTA, LICENSE AGREEMENT TMS1002
Fig 5: Interior Light - Wiring Diagram (5 Of 11)
G08939664Courtesy of © TOYOTA, LICENSE AGREEMENT TMS1002
Fig 6: Interior Light - Wiring Diagram (6 Of 11)
G08939665Courtesy of © TOYOTA, LICENSE AGREEMENT TMS1002
Fig 7: Interior Light - Wiring Diagram (7 Of 11)
G08939666Courtesy of © TOYOTA, LICENSE AGREEMENT TMS1002
Fig 8: Interior Light - Wiring Diagram (8 Of 11)
G08939667Courtesy of © TOYOTA, LICENSE AGREEMENT TMS1002
Fig 9: Interior Light - Wiring Diagram (9 Of 11)
G08939668Courtesy of © TOYOTA, LICENSE AGREEMENT TMS1002
Fig 10: Interior Light - Wiring Diagram (10 Of 11)
G08939669Courtesy of © TOYOTA, LICENSE AGREEMENT TMS1002
Fig 11: Interior Light - Wiring Diagram (11 Of 11)
G08939670Courtesy of © TOYOTA, LICENSE AGREEMENT TMS1002