lemon-mirror:
Home >> Lexus >> 2012 >> IS F >> Repair and Diagnosis >> Electrical >> Body Electrical >> OEM System Circuits >> Seat Heater >> Notes

Seat Heater: Notes

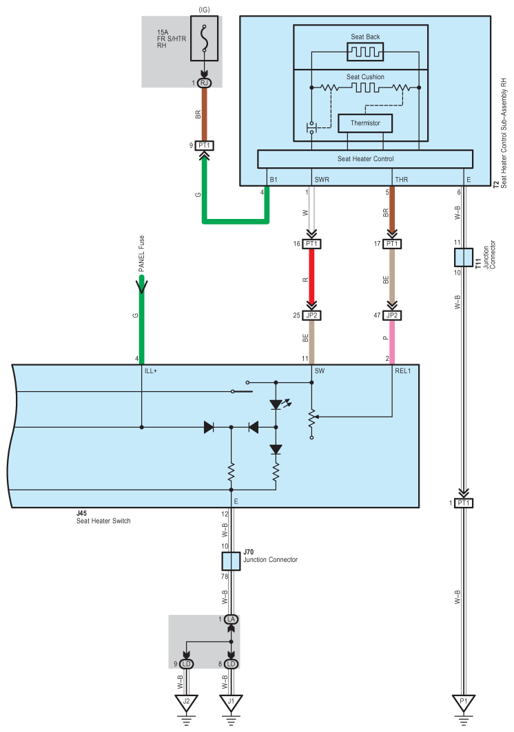
Fig 1: Seat Heater - Wiring Diagram (1 Of 2)
G08939824Courtesy of © TOYOTA, LICENSE AGREEMENT TMS1002
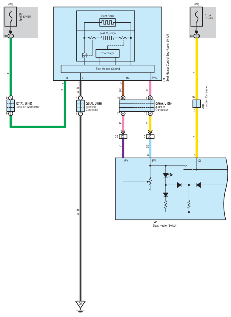
Fig 2: Seat Heater - Wiring Diagram (2 Of 2)
G08939825Courtesy of © TOYOTA, LICENSE AGREEMENT TMS1002