lemon-mirror:
Home >> Lexus >> 2012 >> IS F >> Repair and Diagnosis >> Electrical >> Body Electrical >> OEM System Circuits >> Stop Light >> Notes

Stop Light: Notes

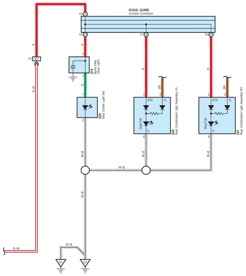
Fig 1: Stop Light - Wiring Diagram (1 Of 2)
G08939693Courtesy of © TOYOTA, LICENSE AGREEMENT TMS1002
Fig 2: Stop Light - Wiring Diagram (2 Of 2)
G08939694Courtesy of © TOYOTA, LICENSE AGREEMENT TMS1002