lemon-mirror:
Home >> Lexus >> 2012 >> IS F >> Repair and Diagnosis >> Electrical >> Body Electrical >> OEM System Circuits >> Tire Pressure Warning System >> Notes

Tire Pressure Warning System: Notes

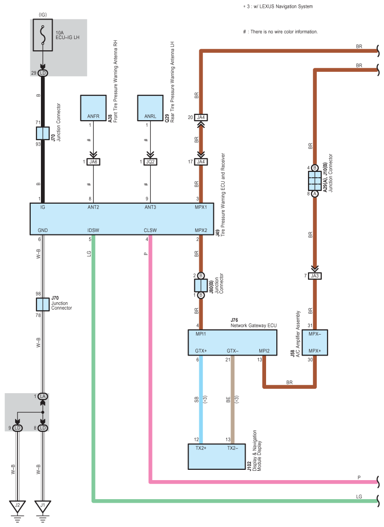
Fig 1: Tire Pressure Warning System - Wiring Diagram (1 Of 2)
G08939793Courtesy of © TOYOTA, LICENSE AGREEMENT TMS1002
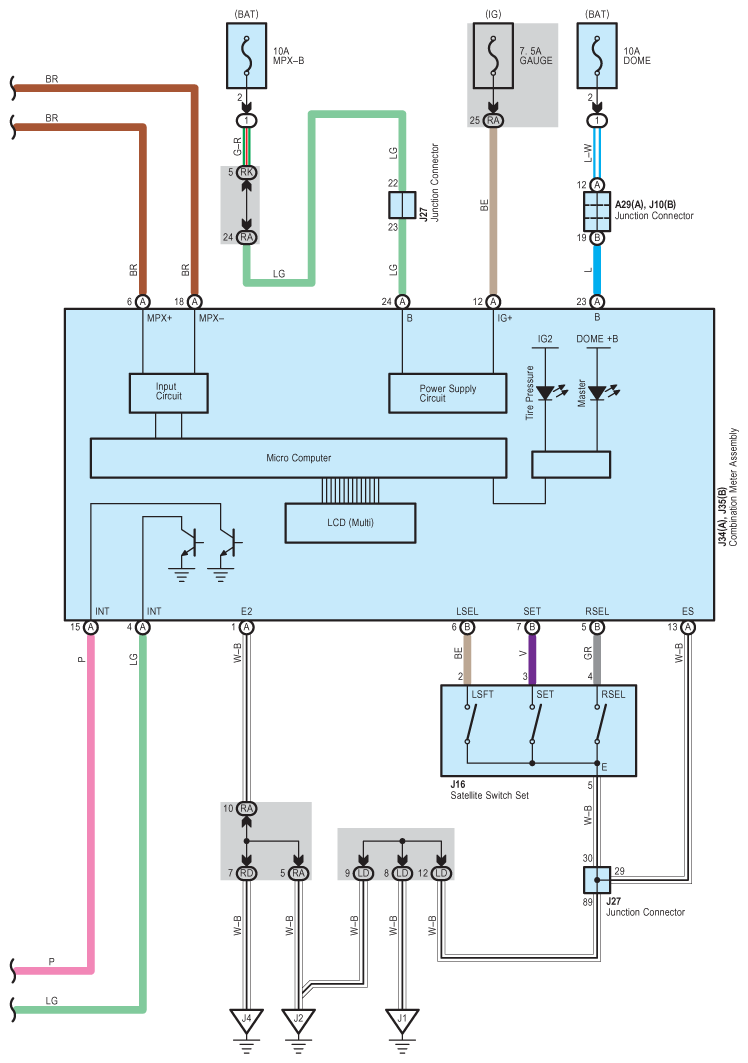
Fig 2: Tire Pressure Warning System - Wiring Diagram (2 Of 2)
G08939794Courtesy of © TOYOTA, LICENSE AGREEMENT TMS1002