lemon-mirror:
Home >> Lexus >> 2012 >> IS F >> Repair and Diagnosis >> Electrical >> Starter >> Starting System (Inspection) >> Starting System >> System Diagram >> System Diagram

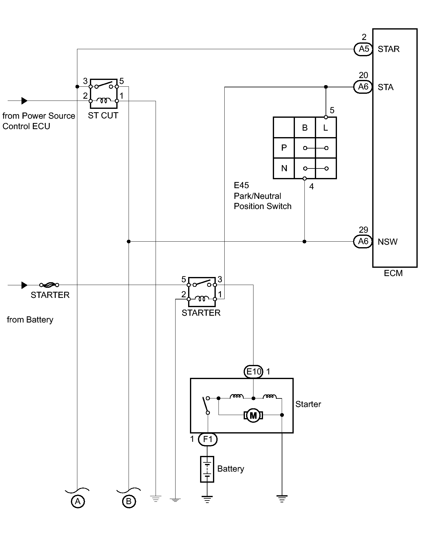
System Diagram

Fig 1: Starting System Wiring Diagram (1 Of 2)
GTY149040Courtesy of © TOYOTA, LICENSE AGREEMENT TMS1002
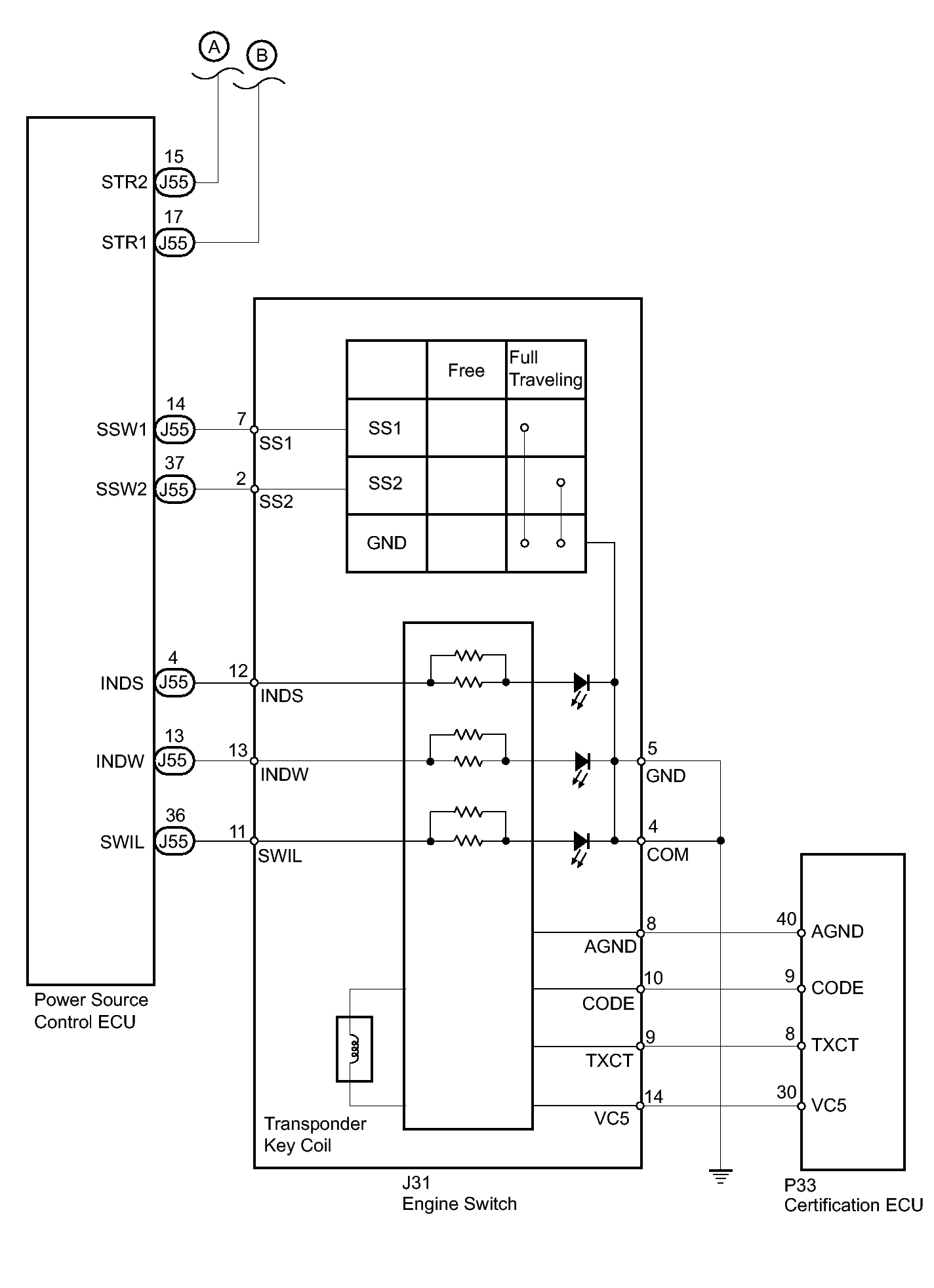
Fig 2: Starting System Wiring Diagram (2 Of 2)
GTY130814Courtesy of © TOYOTA, LICENSE AGREEMENT TMS1002