lemon-mirror:
Home >> Lexus >> 2012 >> LS 460 AWD >> Repair and Diagnosis >> Electrical >> Body Electrical >> OEM System Circuits >> Air Suspension >> Notes

Air Suspension: Notes

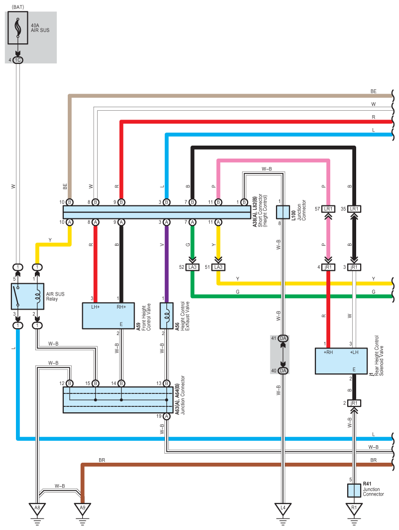
Fig 1: Air Suspension - Wiring Diagram (1 Of 9)
G08940771Courtesy of © TOYOTA, LICENSE AGREEMENT TMS1002
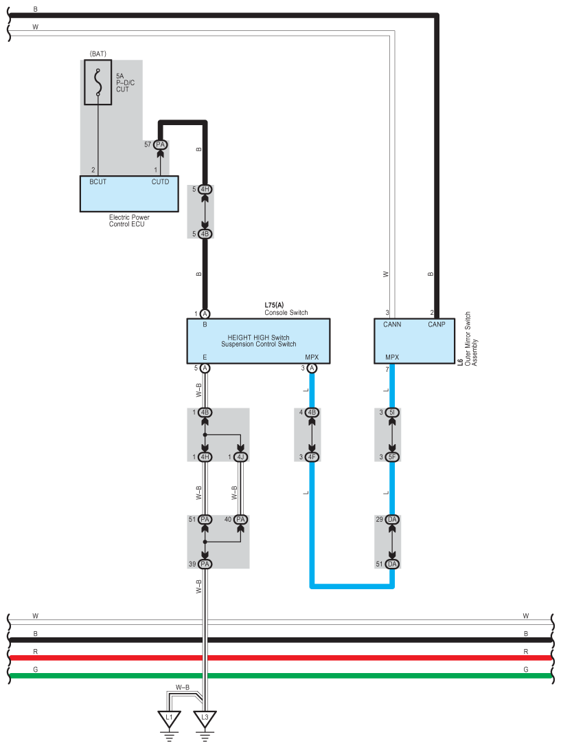
Fig 2: Air Suspension - Wiring Diagram (2 Of 9)
G08940772Courtesy of © TOYOTA, LICENSE AGREEMENT TMS1002
Fig 3: Air Suspension - Wiring Diagram (3 Of 9)
G08940773Courtesy of © TOYOTA, LICENSE AGREEMENT TMS1002
Fig 4: Air Suspension - Wiring Diagram (4 Of 9)
G08940774Courtesy of © TOYOTA, LICENSE AGREEMENT TMS1002
Fig 5: Air Suspension - Wiring Diagram (5 Of 9)
G08940775Courtesy of © TOYOTA, LICENSE AGREEMENT TMS1002
Fig 6: Air Suspension - Wiring Diagram (6 Of 9)
G08940776Courtesy of © TOYOTA, LICENSE AGREEMENT TMS1002
Fig 7: Air Suspension - Wiring Diagram (7 Of 9)
G08940777Courtesy of © TOYOTA, LICENSE AGREEMENT TMS1002
Fig 8: Air Suspension - Wiring Diagram (8 Of 9)
G08940778Courtesy of © TOYOTA, LICENSE AGREEMENT TMS1002
Fig 9: Air Suspension - Wiring Diagram (9 Of 9)
G08940779Courtesy of © TOYOTA, LICENSE AGREEMENT TMS1002