lemon-mirror:
Home >> Lexus >> 2012 >> LS 460 RWD >> Repair and Diagnosis >> Electrical >> Body Electrical >> OEM System Circuits >> Adaptive Front-Lighting System >> Notes

Adaptive Front-Lighting System: Notes

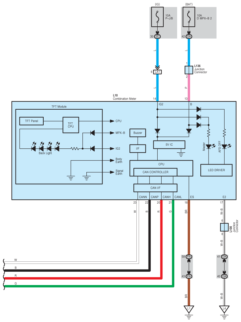
Fig 1: Adaptive Front-Lighting System - Wiring Diagram (1 Of 7)
G08940682Courtesy of © TOYOTA, LICENSE AGREEMENT TMS1002
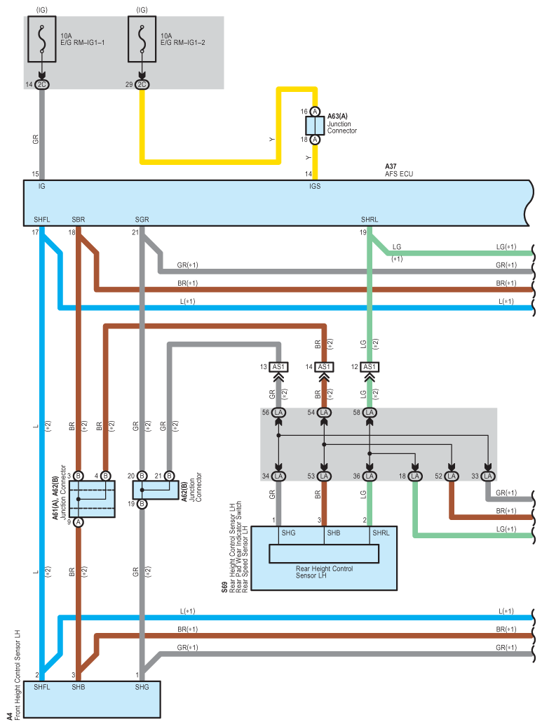
Fig 2: Adaptive Front-Lighting System - Wiring Diagram (2 Of 7)
G08940683Courtesy of © TOYOTA, LICENSE AGREEMENT TMS1002
Fig 3: Adaptive Front-Lighting System - Wiring Diagram (3 Of 7)
G08940684Courtesy of © TOYOTA, LICENSE AGREEMENT TMS1002
Fig 4: Adaptive Front-Lighting System - Wiring Diagram (4 Of 7)
G08940685Courtesy of © TOYOTA, LICENSE AGREEMENT TMS1002
Fig 5: Adaptive Front-Lighting System - Wiring Diagram (5 Of 7)
G08940686Courtesy of © TOYOTA, LICENSE AGREEMENT TMS1002
Fig 6: Adaptive Front-Lighting System - Wiring Diagram (6 Of 7)
G08940687Courtesy of © TOYOTA, LICENSE AGREEMENT TMS1002
Fig 7: Adaptive Front-Lighting System - Wiring Diagram (7 Of 7)
G08940688Courtesy of © TOYOTA, LICENSE AGREEMENT TMS1002