lemon-mirror:
Home >> Lexus >> 2012 >> LS 460 RWD >> Repair and Diagnosis >> Electrical >> Body Electrical >> OEM System Circuits >> Dynamic Radar Cruise Control >> Notes

Dynamic Radar Cruise Control: Notes

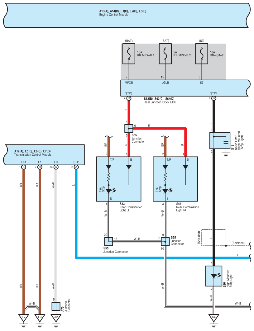
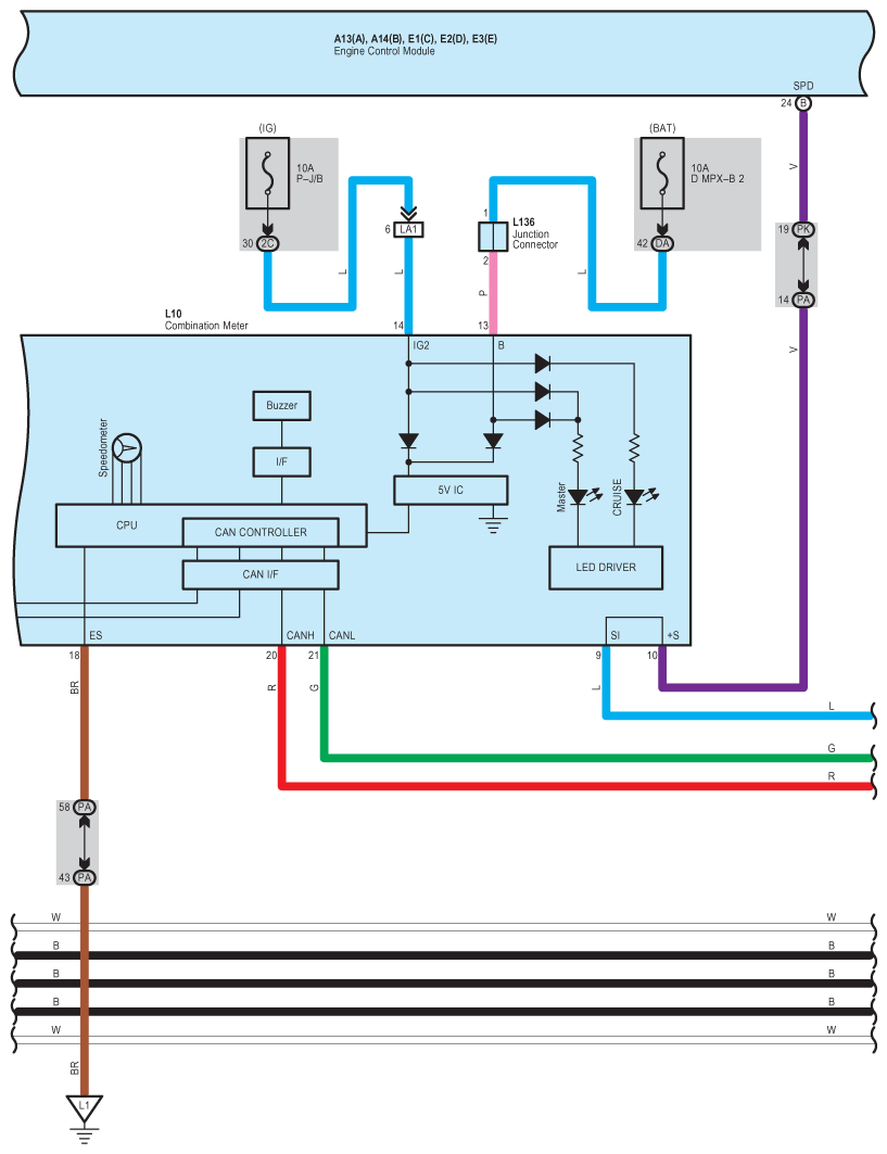
Fig 1: Dynamic Radar Cruise Control - Wiring Diagram (1 Of 21)
G08940740Courtesy of © TOYOTA, LICENSE AGREEMENT TMS1002
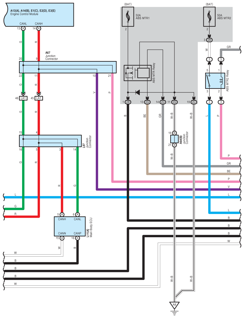
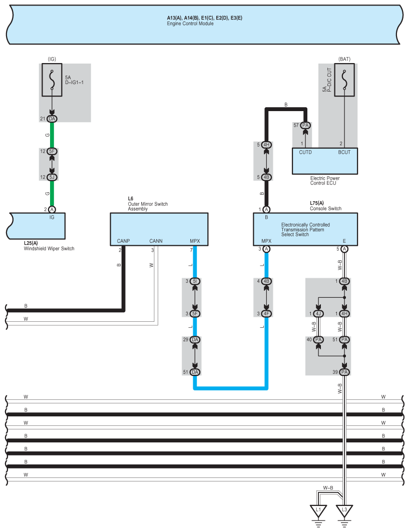
Fig 2: Dynamic Radar Cruise Control - Wiring Diagram (2 Of 21)
G08940741Courtesy of © TOYOTA, LICENSE AGREEMENT TMS1002
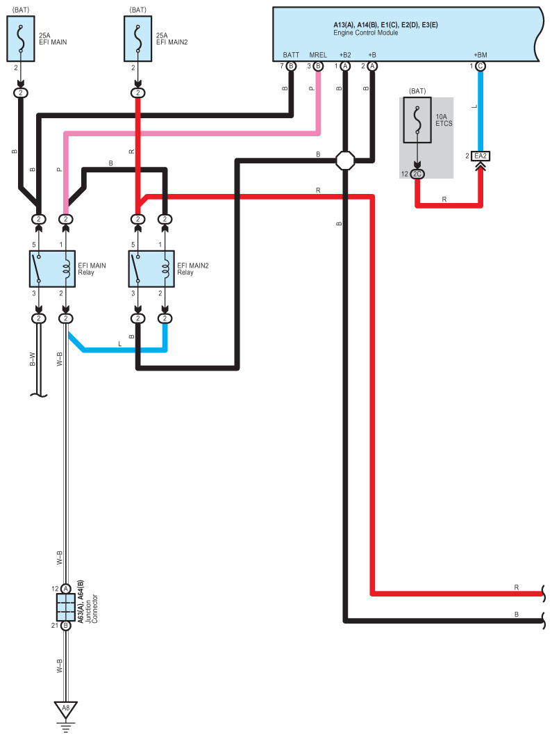
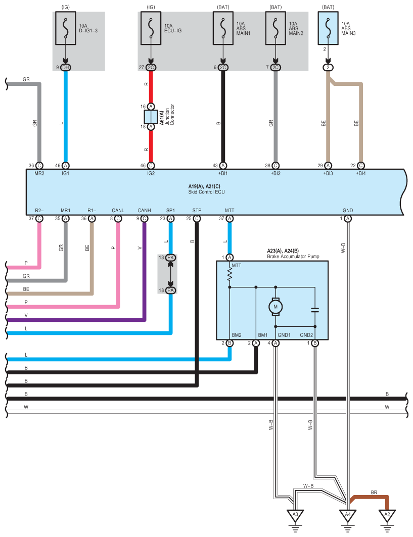
Fig 3: Dynamic Radar Cruise Control - Wiring Diagram (3 Of 21)
G08940742Courtesy of © TOYOTA, LICENSE AGREEMENT TMS1002
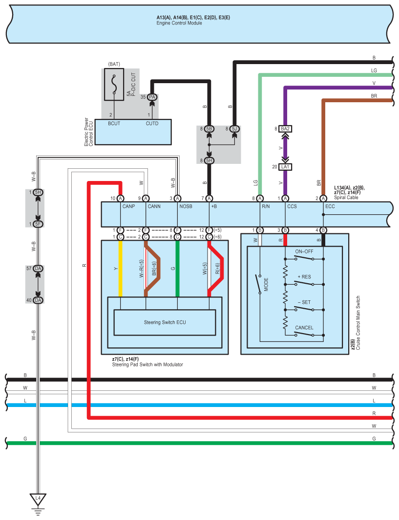
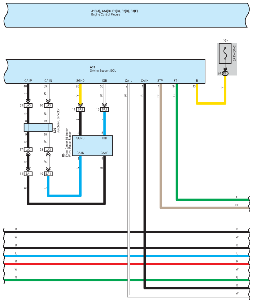
Fig 4: Dynamic Radar Cruise Control - Wiring Diagram (4 Of 21)
G08940743Courtesy of © TOYOTA, LICENSE AGREEMENT TMS1002
Fig 5: Dynamic Radar Cruise Control - Wiring Diagram (5 Of 21)
G08940744Courtesy of © TOYOTA, LICENSE AGREEMENT TMS1002
Fig 6: Dynamic Radar Cruise Control - Wiring Diagram (6 Of 21)
G08940745Courtesy of © TOYOTA, LICENSE AGREEMENT TMS1002
Fig 7: Dynamic Radar Cruise Control - Wiring Diagram (7 Of 21)
G08940746Courtesy of © TOYOTA, LICENSE AGREEMENT TMS1002
Fig 8: Dynamic Radar Cruise Control - Wiring Diagram (8 Of 21)
G08940747Courtesy of © TOYOTA, LICENSE AGREEMENT TMS1002
Fig 9: Dynamic Radar Cruise Control - Wiring Diagram (9 Of 21)
G08940748Courtesy of © TOYOTA, LICENSE AGREEMENT TMS1002
Fig 10: Dynamic Radar Cruise Control - Wiring Diagram (10 Of 21)
G08940749Courtesy of © TOYOTA, LICENSE AGREEMENT TMS1002
Fig 11: Dynamic Radar Cruise Control - Wiring Diagram (11 Of 21)
G08940750Courtesy of © TOYOTA, LICENSE AGREEMENT TMS1002
Fig 12: Dynamic Radar Cruise Control - Wiring Diagram (12 Of 21)
G08940751Courtesy of © TOYOTA, LICENSE AGREEMENT TMS1002
Fig 13: Dynamic Radar Cruise Control - Wiring Diagram (13 Of 21)
G08940752Courtesy of © TOYOTA, LICENSE AGREEMENT TMS1002
Fig 14: Dynamic Radar Cruise Control - Wiring Diagram (14 Of 21)
G08940753Courtesy of © TOYOTA, LICENSE AGREEMENT TMS1002
Fig 15: Dynamic Radar Cruise Control - Wiring Diagram (15 Of 21)
G08940754Courtesy of © TOYOTA, LICENSE AGREEMENT TMS1002
Fig 16: Dynamic Radar Cruise Control - Wiring Diagram (16 Of 21)
G08940755Courtesy of © TOYOTA, LICENSE AGREEMENT TMS1002
Fig 17: Dynamic Radar Cruise Control - Wiring Diagram (17 Of 21)
G08940756Courtesy of © TOYOTA, LICENSE AGREEMENT TMS1002
Fig 18: Dynamic Radar Cruise Control - Wiring Diagram (18 Of 21)
G08940757Courtesy of © TOYOTA, LICENSE AGREEMENT TMS1002
Fig 19: Dynamic Radar Cruise Control - Wiring Diagram (19 Of 21)
G08940758Courtesy of © TOYOTA, LICENSE AGREEMENT TMS1002
Fig 20: Dynamic Radar Cruise Control - Wiring Diagram (20 Of 21)
G08940759Courtesy of © TOYOTA, LICENSE AGREEMENT TMS1002
Fig 21: Dynamic Radar Cruise Control - Wiring Diagram (21 Of 21)
G08940760Courtesy of © TOYOTA, LICENSE AGREEMENT TMS1002