lemon-mirror:
Home >> Lexus >> 2012 >> LS 460 RWD >> Repair and Diagnosis >> Electrical >> Body Electrical >> OEM System Circuits >> Headlight Cleaner >> Notes

Headlight Cleaner: Notes

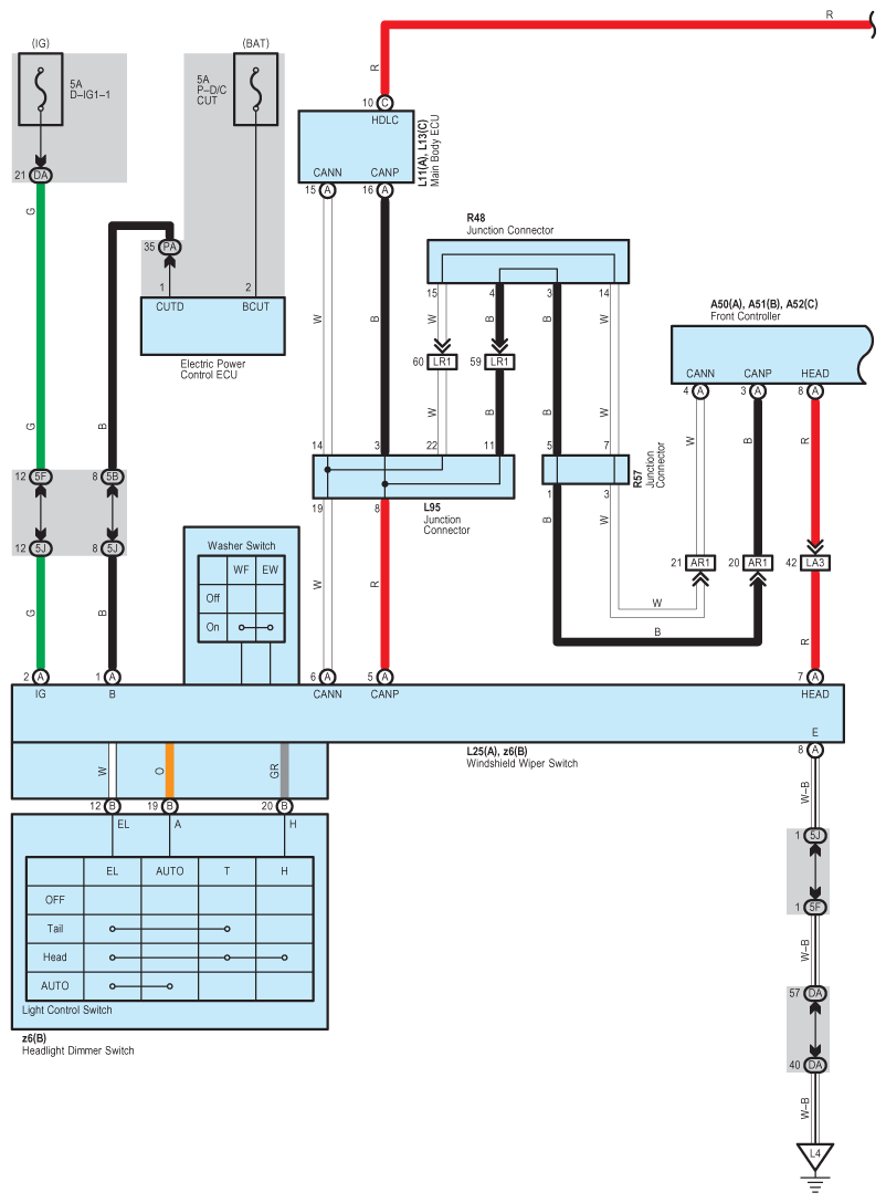
Fig 1: Headlight Cleaner - Wiring Diagram (1 Of 2)
G08940689Courtesy of © TOYOTA, LICENSE AGREEMENT TMS1002
Fig 2: Headlight Cleaner - Wiring Diagram (2 Of 2)
G08940690Courtesy of © TOYOTA, LICENSE AGREEMENT TMS1002