lemon-mirror:
Home >> Lexus >> 2012 >> LS 460 RWD >> Repair and Diagnosis >> Electrical >> Body Electrical >> OEM System Circuits >> Illumination >> Notes

OEM System Circuits: Illumination: Notes

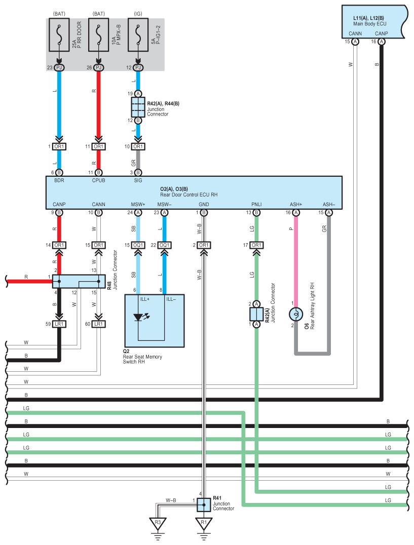
Fig 1: Illumination - Wiring Diagram (1 Of 16)
G08940649Courtesy of © TOYOTA, LICENSE AGREEMENT TMS1002
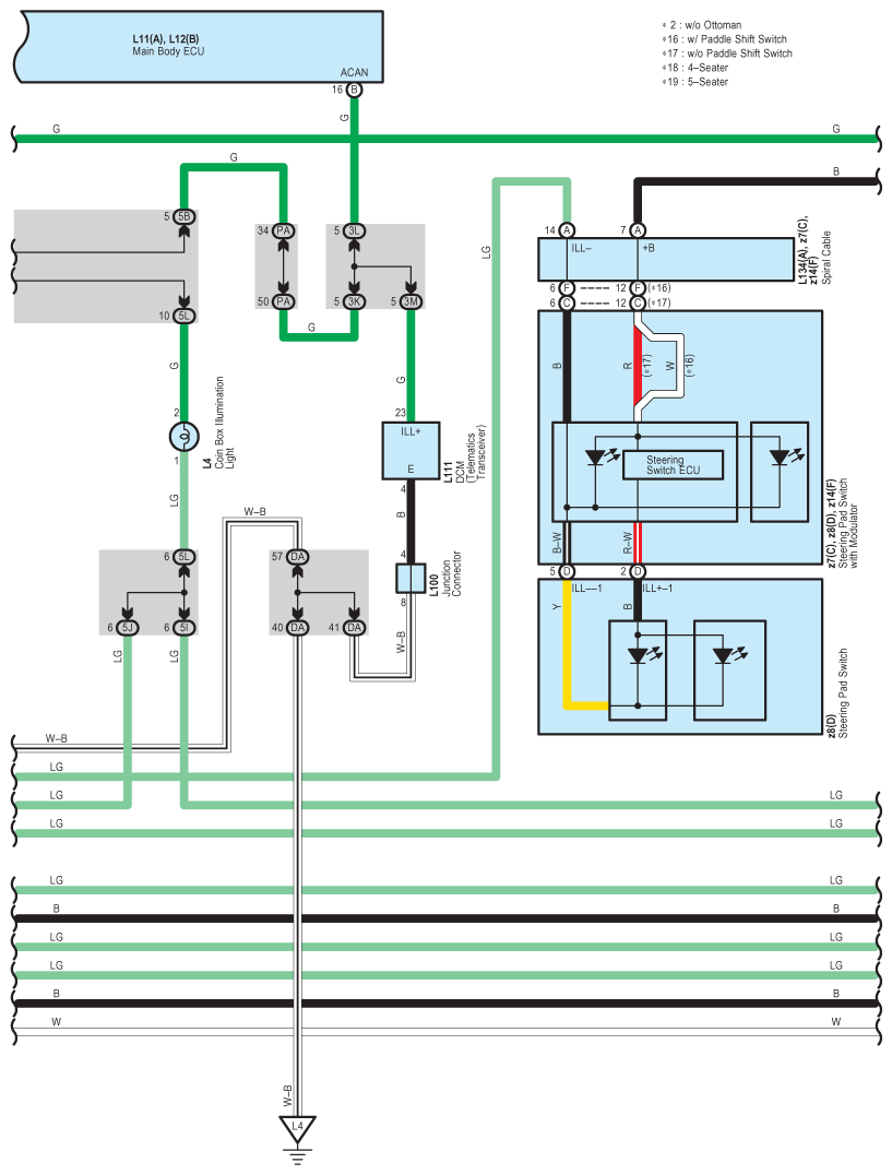
Fig 2: Illumination - Wiring Diagram (2 Of 16)
G08940650Courtesy of © TOYOTA, LICENSE AGREEMENT TMS1002
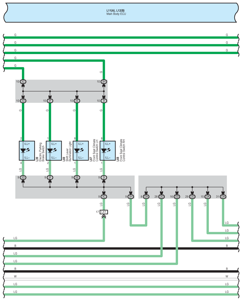
Fig 3: Illumination - Wiring Diagram (3 Of 16)
G08940651Courtesy of © TOYOTA, LICENSE AGREEMENT TMS1002
Fig 4: Illumination - Wiring Diagram (4 Of 16)
G08940652Courtesy of © TOYOTA, LICENSE AGREEMENT TMS1002
Fig 5: Illumination - Wiring Diagram (5 Of 16)
G08940653Courtesy of © TOYOTA, LICENSE AGREEMENT TMS1002
Fig 6: Illumination - Wiring Diagram (6 Of 16)
G08940654Courtesy of © TOYOTA, LICENSE AGREEMENT TMS1002
Fig 7: Illumination - Wiring Diagram (7 Of 16)
G08940655Courtesy of © TOYOTA, LICENSE AGREEMENT TMS1002
Fig 8: Illumination - Wiring Diagram (8 Of 16)
G08940656Courtesy of © TOYOTA, LICENSE AGREEMENT TMS1002
Fig 9: Illumination - Wiring Diagram (9 Of 16)
G08940657Courtesy of © TOYOTA, LICENSE AGREEMENT TMS1002
Fig 10: Illumination - Wiring Diagram (10 Of 16)
G08940658Courtesy of © TOYOTA, LICENSE AGREEMENT TMS1002
Fig 11: Illumination - Wiring Diagram (11 Of 16)
G08940659Courtesy of © TOYOTA, LICENSE AGREEMENT TMS1002
Fig 12: Illumination - Wiring Diagram (12 Of 16)
G08940660Courtesy of © TOYOTA, LICENSE AGREEMENT TMS1002
Fig 13: Illumination - Wiring Diagram (13 Of 16)
G08940661Courtesy of © TOYOTA, LICENSE AGREEMENT TMS1002
Fig 14: Illumination - Wiring Diagram (14 Of 16)
G08940662Courtesy of © TOYOTA, LICENSE AGREEMENT TMS1002
Fig 15: Illumination - Wiring Diagram (15 Of 16)
G08940663Courtesy of © TOYOTA, LICENSE AGREEMENT TMS1002
Fig 16: Illumination - Wiring Diagram (16 Of 16)
G08940664Courtesy of © TOYOTA, LICENSE AGREEMENT TMS1002