lemon-mirror:
Home >> Lexus >> 2012 >> LS 460 RWD >> Repair and Diagnosis >> Electrical >> Body Electrical >> OEM System Circuits >> Stop Light >> Notes

Stop Light: Notes

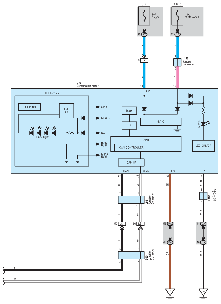
Fig 1: Stop Light - Wiring Diagram (1 Of 3)
G08940670Courtesy of © TOYOTA, LICENSE AGREEMENT TMS1002
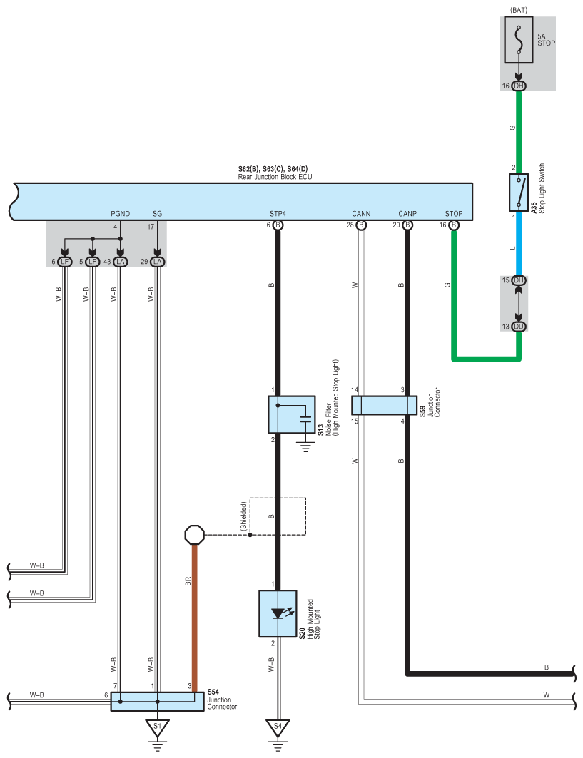
Fig 2: Stop Light - Wiring Diagram (2 Of 3)
G08940671Courtesy of © TOYOTA, LICENSE AGREEMENT TMS1002
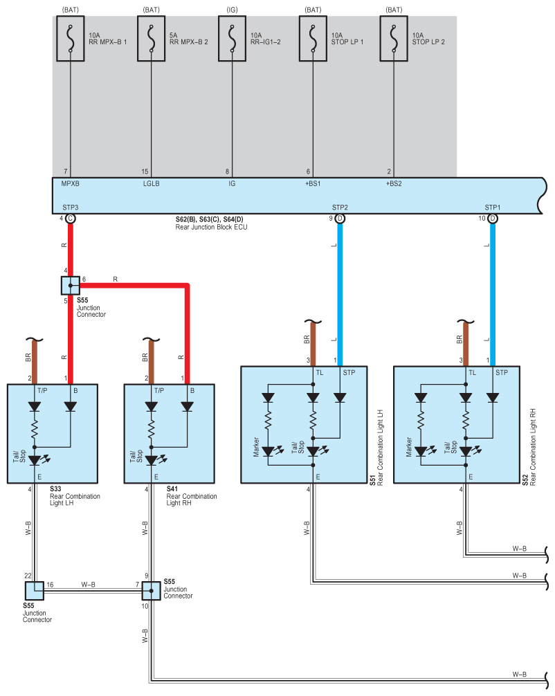
Fig 3: Stop Light - Wiring Diagram (3 Of 3)
G08940672Courtesy of © TOYOTA, LICENSE AGREEMENT TMS1002