lemon-mirror:
Home >> Lexus >> 2012 >> LS 460L AWD >> Repair and Diagnosis >> Electrical >> Body Electrical >> OEM System Circuits >> Electronically Controlled Transmission and A/T Indicator >> Notes

Electronically Controlled Transmission and A/T Indicator: Notes

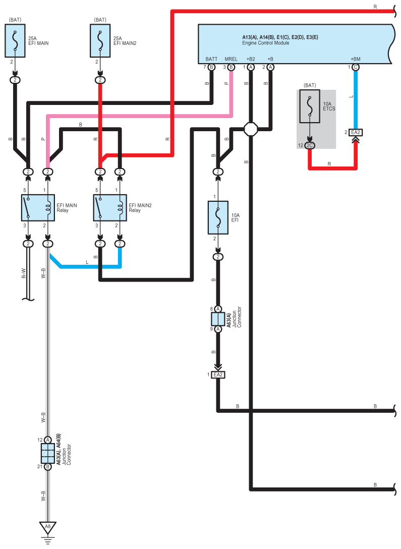
Fig 1: Electronically Controlled Transmission And A/T Indicator - Wiring Diagram (1 Of 14)
G08940726Courtesy of © TOYOTA, LICENSE AGREEMENT TMS1002
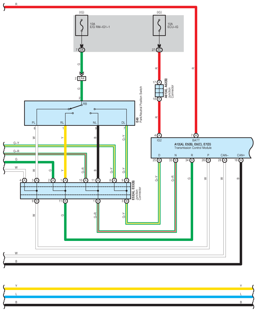
Fig 2: Electronically Controlled Transmission And A/T Indicator - Wiring Diagram (2 Of 14)
G08940727Courtesy of © TOYOTA, LICENSE AGREEMENT TMS1002
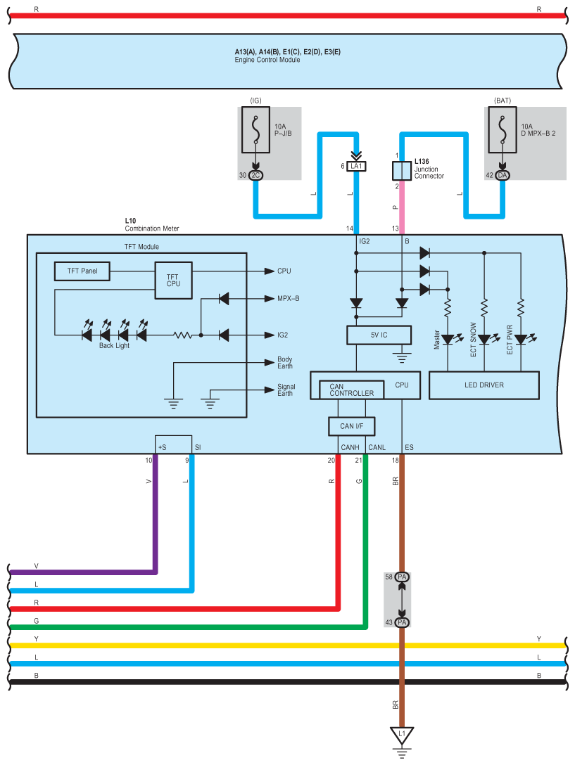
Fig 3: Electronically Controlled Transmission And A/T Indicator - Wiring Diagram (3 Of 14)
G08940728Courtesy of © TOYOTA, LICENSE AGREEMENT TMS1002
Fig 4: Electronically Controlled Transmission And A/T Indicator - Wiring Diagram (4 Of 14)
G08940729Courtesy of © TOYOTA, LICENSE AGREEMENT TMS1002
Fig 5: Electronically Controlled Transmission And A/T Indicator - Wiring Diagram (5 Of 14)
G08940730Courtesy of © TOYOTA, LICENSE AGREEMENT TMS1002
Fig 6: Electronically Controlled Transmission And A/T Indicator - Wiring Diagram (6 Of 14)
G08940731Courtesy of © TOYOTA, LICENSE AGREEMENT TMS1002
Fig 7: Electronically Controlled Transmission And A/T Indicator - Wiring Diagram (7 Of 14)
G08940732Courtesy of © TOYOTA, LICENSE AGREEMENT TMS1002
Fig 8: Electronically Controlled Transmission And A/T Indicator - Wiring Diagram (8 Of 14)
G08940733Courtesy of © TOYOTA, LICENSE AGREEMENT TMS1002
Fig 9: Electronically Controlled Transmission And A/T Indicator - Wiring Diagram (9 Of 14)
G08940734Courtesy of © TOYOTA, LICENSE AGREEMENT TMS1002
Fig 10: Electronically Controlled Transmission And A/T Indicator - Wiring Diagram (10 Of 14)
G08940735Courtesy of © TOYOTA, LICENSE AGREEMENT TMS1002
Fig 11: Electronically Controlled Transmission And A/T Indicator - Wiring Diagram (11 Of 14)
G08940736Courtesy of © TOYOTA, LICENSE AGREEMENT TMS1002
Fig 12: Electronically Controlled Transmission And A/T Indicator - Wiring Diagram (12 Of 14)
G08940737Courtesy of © TOYOTA, LICENSE AGREEMENT TMS1002
Fig 13: Electronically Controlled Transmission And A/T Indicator - Wiring Diagram (13 Of 14)
G08940738Courtesy of © TOYOTA, LICENSE AGREEMENT TMS1002
Fig 14: Electronically Controlled Transmission And A/T Indicator - Wiring Diagram (14 Of 14)
G08940739Courtesy of © TOYOTA, LICENSE AGREEMENT TMS1002