lemon-mirror:
Home >> Lexus >> 2012 >> LS 460L RWD >> Repair and Diagnosis >> Electrical >> Body Electrical >> OEM System Circuits >> Brake Hold System >> Notes

Brake Hold System: Notes

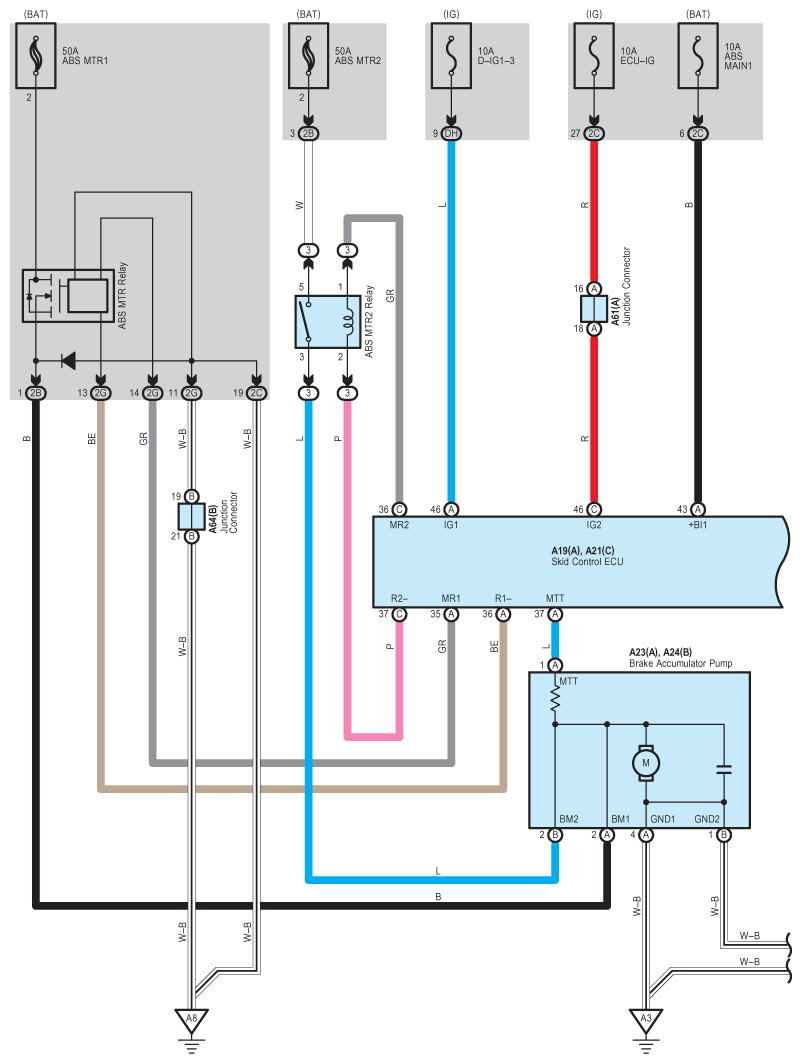
Fig 1: Brake Hold System - Wiring Diagram (1 Of 10)
G08940795Courtesy of © TOYOTA, LICENSE AGREEMENT TMS1002
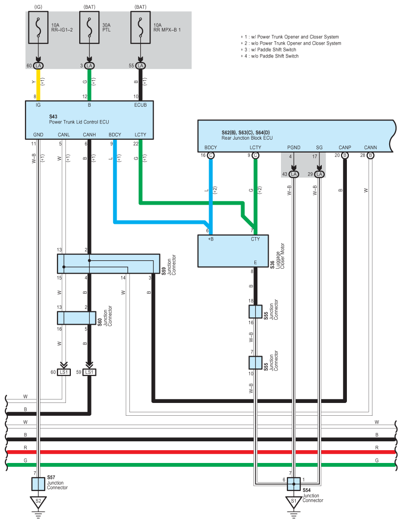
Fig 2: Brake Hold System - Wiring Diagram (2 Of 10)
G08940796Courtesy of © TOYOTA, LICENSE AGREEMENT TMS1002
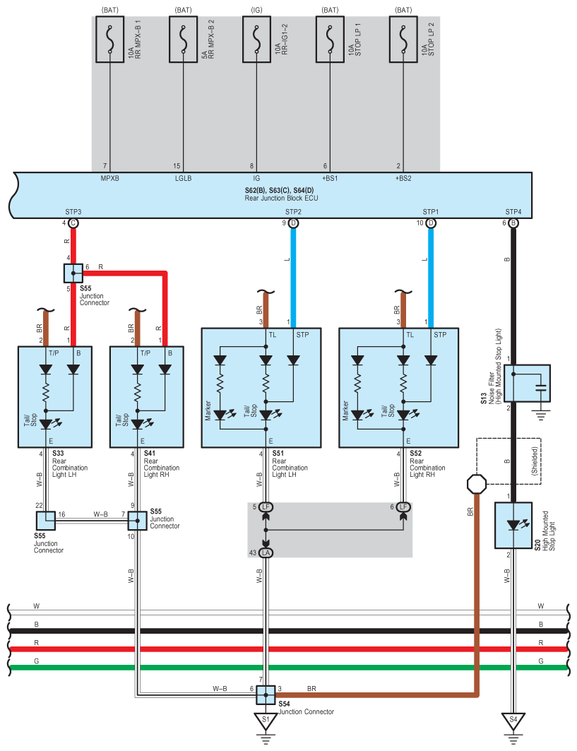
Fig 3: Brake Hold System - Wiring Diagram (3 Of 10)
G08940797Courtesy of © TOYOTA, LICENSE AGREEMENT TMS1002
Fig 4: Brake Hold System - Wiring Diagram (4 Of 10)
G08940798Courtesy of © TOYOTA, LICENSE AGREEMENT TMS1002
Fig 5: Brake Hold System - Wiring Diagram (5 Of 10)
G08940799Courtesy of © TOYOTA, LICENSE AGREEMENT TMS1002
Fig 6: Brake Hold System - Wiring Diagram (6 Of 10)
G08940800Courtesy of © TOYOTA, LICENSE AGREEMENT TMS1002
Fig 7: Brake Hold System - Wiring Diagram (7 Of 10)
G08940801Courtesy of © TOYOTA, LICENSE AGREEMENT TMS1002
Fig 8: Brake Hold System - Wiring Diagram (8 Of 10)
G08940802Courtesy of © TOYOTA, LICENSE AGREEMENT TMS1002
Fig 9: Brake Hold System - Wiring Diagram (9 Of 10)
G08940803Courtesy of © TOYOTA, LICENSE AGREEMENT TMS1002
Fig 10: Brake Hold System - Wiring Diagram (10 Of 10)
G08940804Courtesy of © TOYOTA, LICENSE AGREEMENT TMS1002