lemon-mirror:
Home >> Lexus >> 2012 >> LS 460L RWD >> Repair and Diagnosis >> Electrical >> Body Electrical >> OEM System Circuits >> Charging >> Notes

OEM System Circuits: Charging: Notes

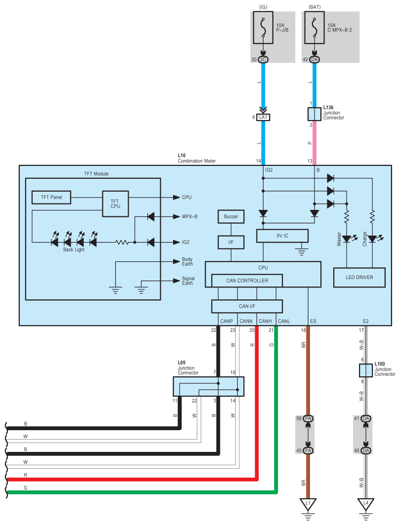
Fig 1: Charging - Wiring Diagram (1 Of 3)
G08940582Courtesy of © TOYOTA, LICENSE AGREEMENT TMS1002
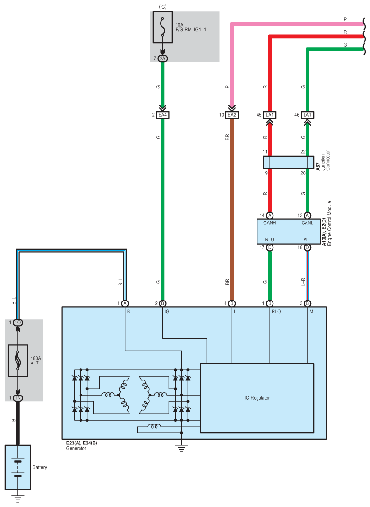
Fig 2: Charging - Wiring Diagram (2 Of 3)
G08940583Courtesy of © TOYOTA, LICENSE AGREEMENT TMS1002
Fig 3: Charging - Wiring Diagram (3 Of 3)
G08940584Courtesy of © TOYOTA, LICENSE AGREEMENT TMS1002