lemon-mirror:
Home >> Lexus >> 2012 >> LS 460L RWD >> Repair and Diagnosis >> Electrical >> Body Electrical >> OEM System Circuits >> Sliding Roof >> Notes

Sliding Roof: Notes

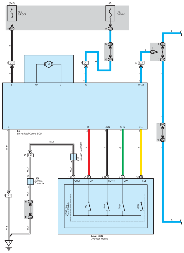
Fig 1: Sliding Roof - Wiring Diagram (1 Of 4)
G08940857Courtesy of © TOYOTA, LICENSE AGREEMENT TMS1002
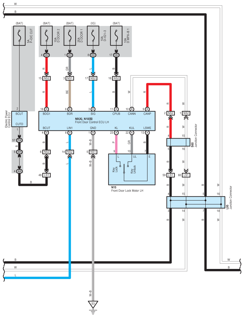
Fig 2: Sliding Roof - Wiring Diagram (2 Of 4)
G08940858Courtesy of © TOYOTA, LICENSE AGREEMENT TMS1002
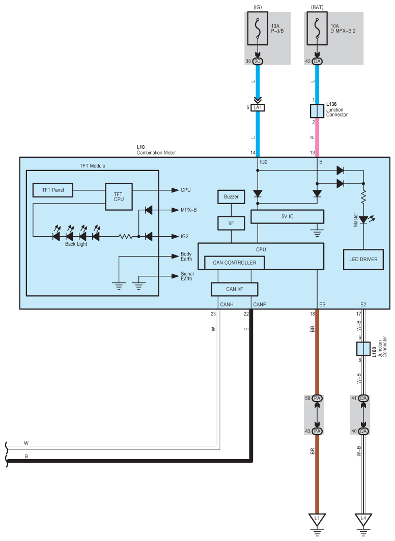
Fig 3: Sliding Roof - Wiring Diagram (3 Of 4)
G08940859Courtesy of © TOYOTA, LICENSE AGREEMENT TMS1002
Fig 4: Sliding Roof - Wiring Diagram (4 Of 4)
G08940860Courtesy of © TOYOTA, LICENSE AGREEMENT TMS1002