lemon-mirror:
Home >> Lexus >> 2012 >> LS 600hL >> Repair and Diagnosis >> Electrical >> Body Electrical >> OEM Ground Points >> Ground Point >> Notes

Ground Point: Notes

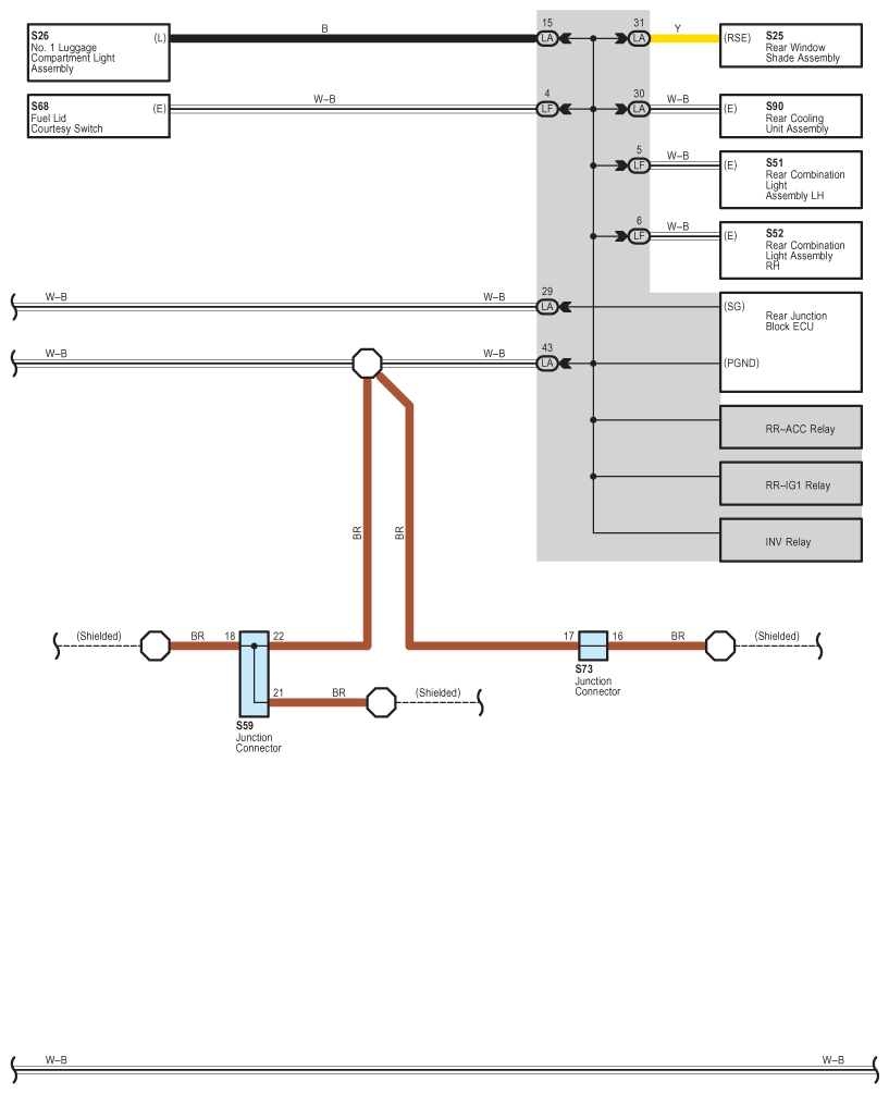
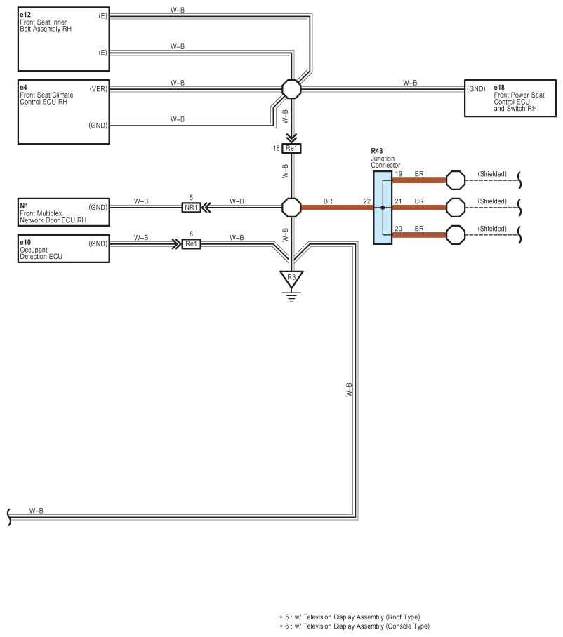
Fig 1: Ground Point System Wiring Diagram (1 Of 15)
G08937166Courtesy of © TOYOTA, LICENSE AGREEMENT TMS1002
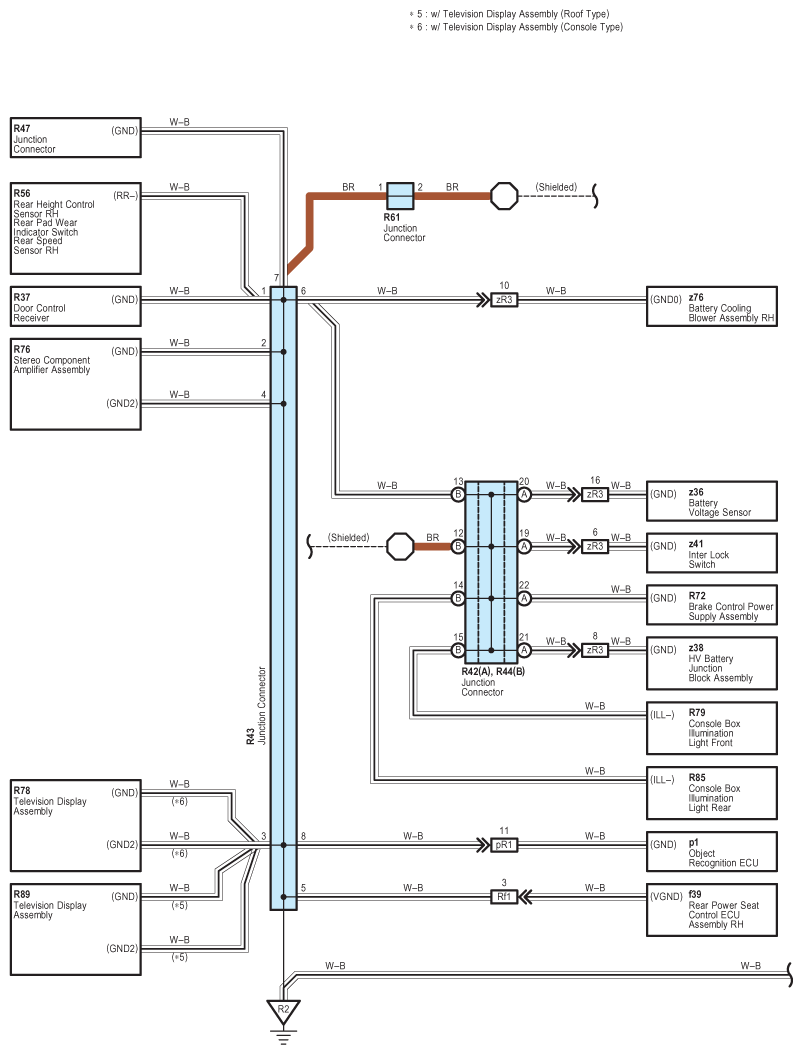
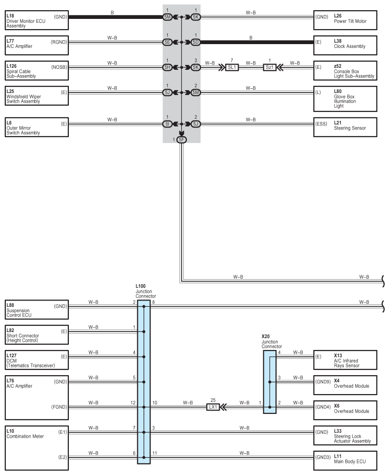
Fig 2: Ground Point System Wiring Diagram (2 Of 15)
G08937167Courtesy of © TOYOTA, LICENSE AGREEMENT TMS1002
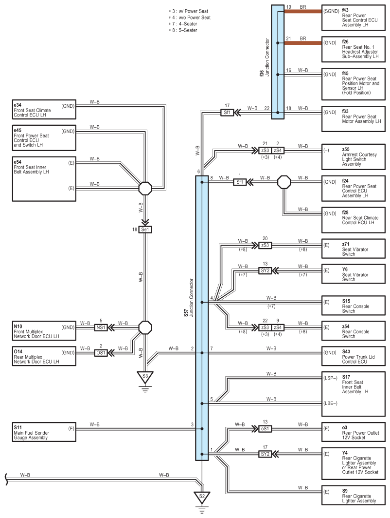
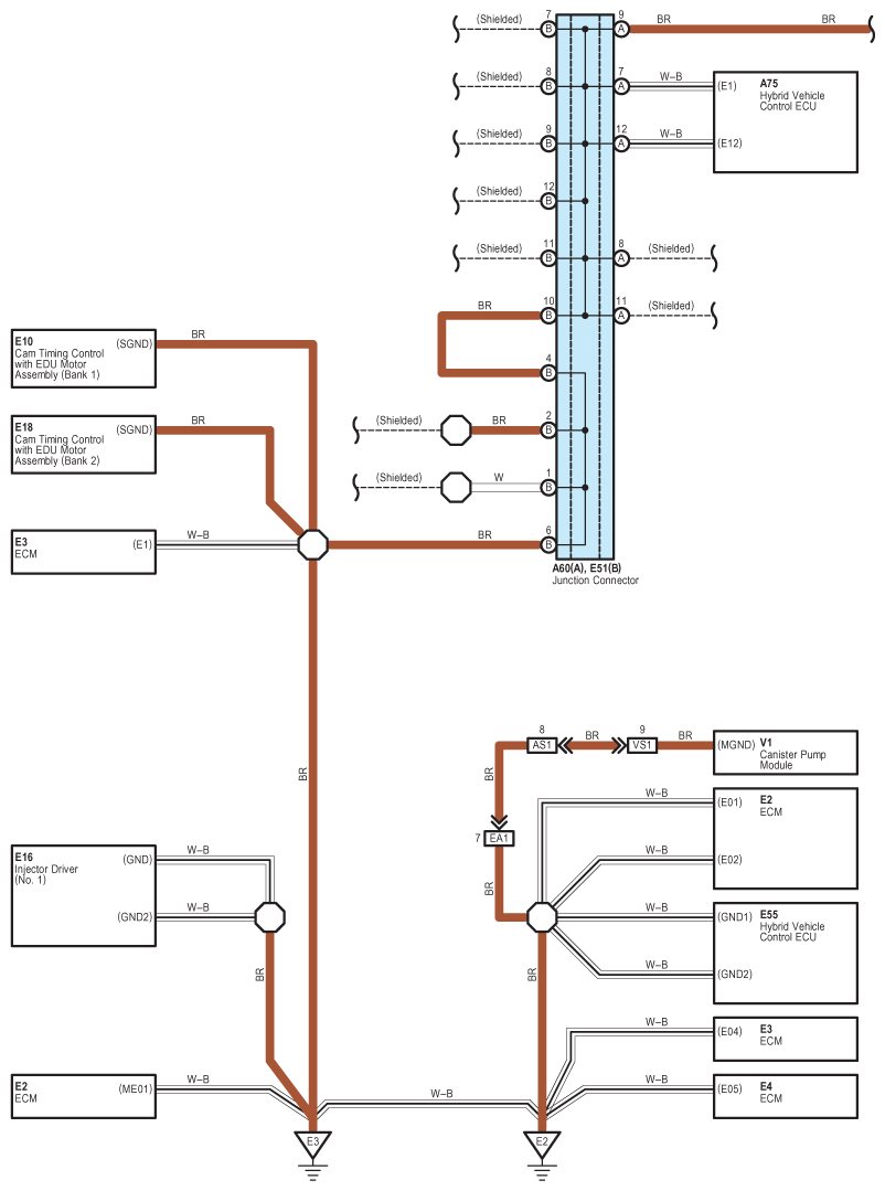
Fig 3: Ground Point System Wiring Diagram (3 Of 15)
G08937168Courtesy of © TOYOTA, LICENSE AGREEMENT TMS1002
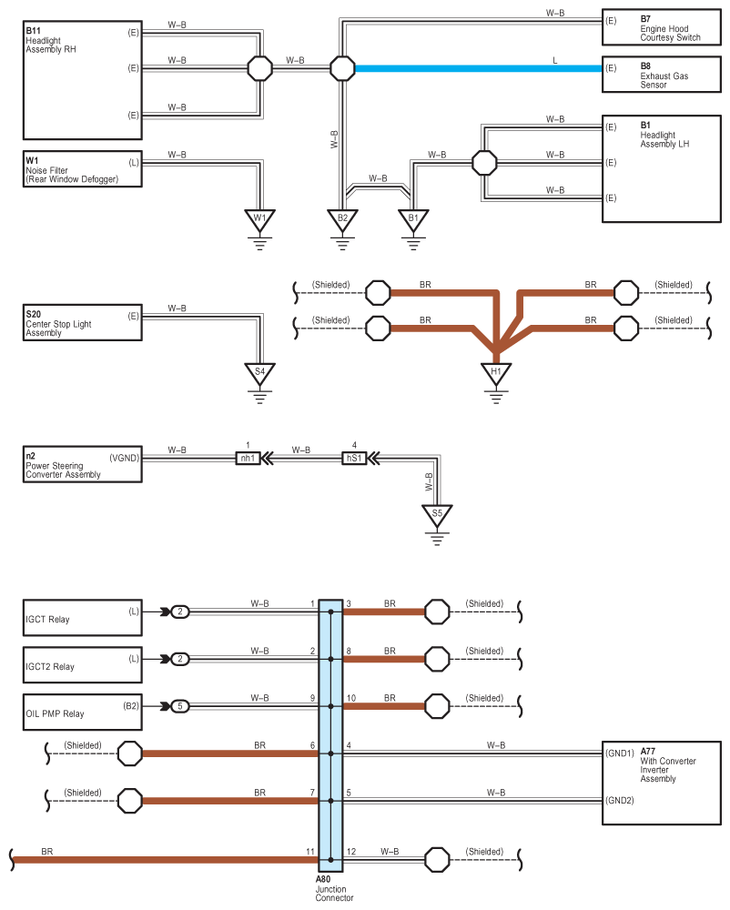
Fig 4: Ground Point System Wiring Diagram (4 Of 15)
G08937169Courtesy of © TOYOTA, LICENSE AGREEMENT TMS1002
Fig 5: Ground Point System Wiring Diagram (5 Of 15)
G08937170Courtesy of © TOYOTA, LICENSE AGREEMENT TMS1002
Fig 6: Ground Point System Wiring Diagram (6 Of 15)
G08937171Courtesy of © TOYOTA, LICENSE AGREEMENT TMS1002
Fig 7: Ground Point System Wiring Diagram (7 Of 15)
G08937172Courtesy of © TOYOTA, LICENSE AGREEMENT TMS1002
Fig 8: Ground Point System Wiring Diagram (8 Of 15)
G08937173Courtesy of © TOYOTA, LICENSE AGREEMENT TMS1002
Fig 9: Ground Point System Wiring Diagram (9 Of 15)
G08937174Courtesy of © TOYOTA, LICENSE AGREEMENT TMS1002
Fig 10: Ground Point System Wiring Diagram (10 Of 15)
G08937175Courtesy of © TOYOTA, LICENSE AGREEMENT TMS1002
Fig 11: Ground Point System Wiring Diagram (11 Of 15)
G08937176Courtesy of © TOYOTA, LICENSE AGREEMENT TMS1002
Fig 12: Ground Point System Wiring Diagram (12 Of 15)
G08937177Courtesy of © TOYOTA, LICENSE AGREEMENT TMS1002
Fig 13: Ground Point System Wiring Diagram (13 Of 15)
G08937178Courtesy of © TOYOTA, LICENSE AGREEMENT TMS1002
Fig 14: Ground Point System Wiring Diagram (14 Of 15)
G08937179Courtesy of © TOYOTA, LICENSE AGREEMENT TMS1002
Fig 15: Ground Point System Wiring Diagram (15 Of 15)
G08937180Courtesy of © TOYOTA, LICENSE AGREEMENT TMS1002