lemon-mirror:
Home >> Lexus >> 2012 >> LS 600hL >> Repair and Diagnosis >> Electrical >> Body Electrical >> OEM System Circuits >> Back-Up Light >> Notes

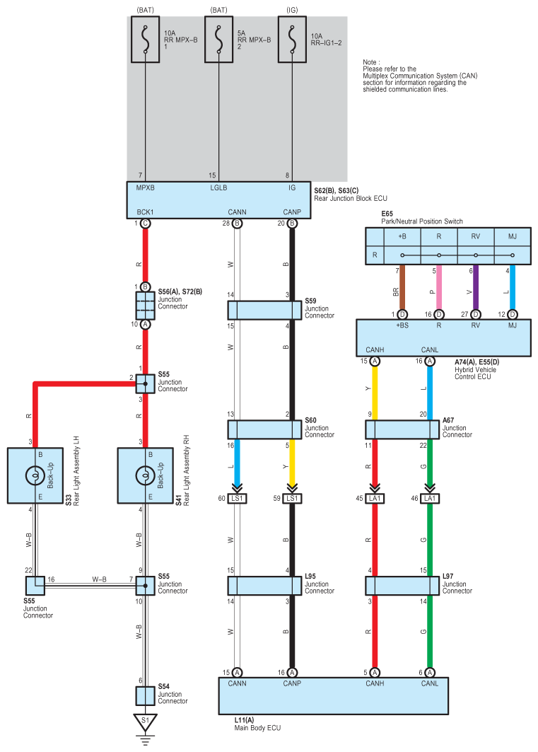
Back-Up Light: Notes

Fig 1: Back-Up Light - Wiring Diagram
G08936798Courtesy of © TOYOTA, LICENSE AGREEMENT TMS1002