lemon-mirror:
Home >> Lexus >> 2012 >> LS 600hL >> Repair and Diagnosis >> Electrical >> Body Electrical >> OEM System Circuits >> Combination Meter >> Notes

Combination Meter: Notes

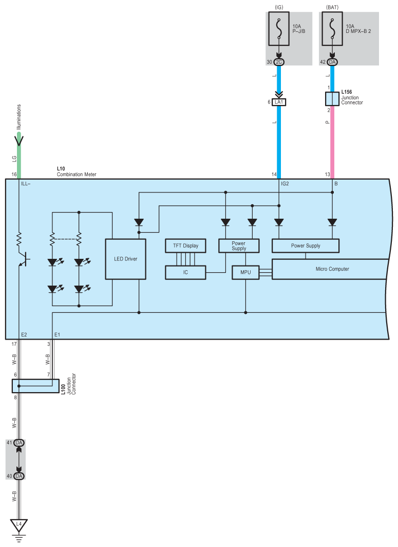
Fig 1: Combination Meter - Wiring Diagram (1 Of 12)
G08937134Courtesy of © TOYOTA, LICENSE AGREEMENT TMS1002
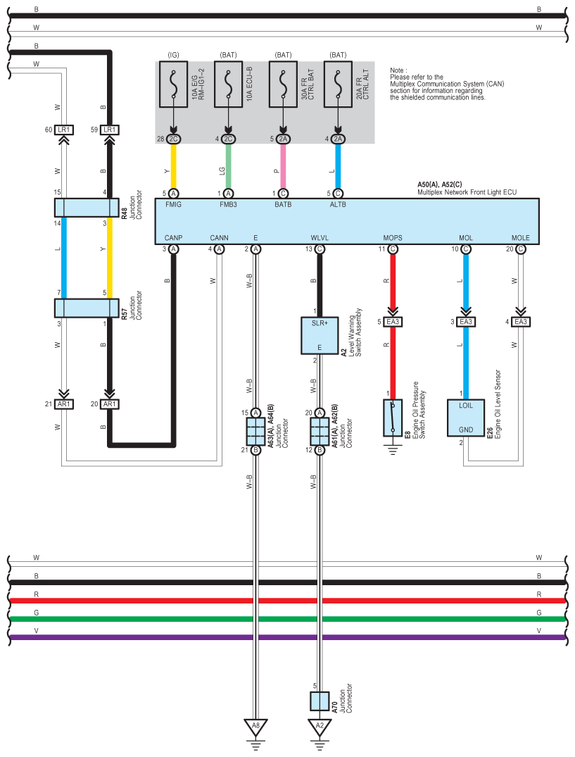
Fig 2: Combination Meter - Wiring Diagram (2 Of 12)
G08937135Courtesy of © TOYOTA, LICENSE AGREEMENT TMS1002
Fig 3: Combination Meter - Wiring Diagram (3 Of 12)
G08937136Courtesy of © TOYOTA, LICENSE AGREEMENT TMS1002
Fig 4: Combination Meter - Wiring Diagram (4 Of 12)
G08937137Courtesy of © TOYOTA, LICENSE AGREEMENT TMS1002
Fig 5: Combination Meter - Wiring Diagram (5 Of 12)
G08937138Courtesy of © TOYOTA, LICENSE AGREEMENT TMS1002
Fig 6: Combination Meter - Wiring Diagram (6 Of 12)
G08937139Courtesy of © TOYOTA, LICENSE AGREEMENT TMS1002
Fig 7: Combination Meter - Wiring Diagram (7 Of 12)
G08937140Courtesy of © TOYOTA, LICENSE AGREEMENT TMS1002
Fig 8: Combination Meter - Wiring Diagram (8 Of 12)
G08937141Courtesy of © TOYOTA, LICENSE AGREEMENT TMS1002
Fig 9: Combination Meter - Wiring Diagram (9 Of 12)
G08937142Courtesy of © TOYOTA, LICENSE AGREEMENT TMS1002
Fig 10: Combination Meter - Wiring Diagram (10 Of 12)
G08937143Courtesy of © TOYOTA, LICENSE AGREEMENT TMS1002
Fig 11: Combination Meter - Wiring Diagram (11 Of 12)
G08937144Courtesy of © TOYOTA, LICENSE AGREEMENT TMS1002
Fig 12: Combination Meter - Wiring Diagram (12 Of 12)
G08937145Courtesy of © TOYOTA, LICENSE AGREEMENT TMS1002