lemon-mirror:
Home >> Lexus >> 2012 >> LS 600hL >> Repair and Diagnosis >> Electrical >> Body Electrical >> OEM System Circuits >> Door Lock Control >> Notes

Door Lock Control: Notes

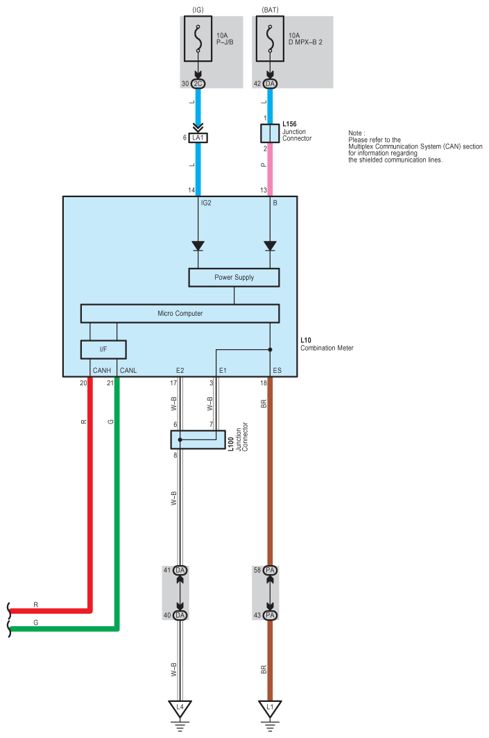
Fig 1: Door Lock Control - Wiring Diagram (1 Of 8)
G08936828Courtesy of © TOYOTA, LICENSE AGREEMENT TMS1002
Fig 2: Door Lock Control - Wiring Diagram (2 Of 8)
G08936829Courtesy of © TOYOTA, LICENSE AGREEMENT TMS1002
Fig 3: Door Lock Control - Wiring Diagram (3 Of 8)
G08936830Courtesy of © TOYOTA, LICENSE AGREEMENT TMS1002
Fig 4: Door Lock Control - Wiring Diagram (4 Of 8)
G08936831Courtesy of © TOYOTA, LICENSE AGREEMENT TMS1002
Fig 5: Door Lock Control - Wiring Diagram (5 Of 8)
G08936832Courtesy of © TOYOTA, LICENSE AGREEMENT TMS1002
Fig 6: Door Lock Control - Wiring Diagram (6 Of 8)
G08936833Courtesy of © TOYOTA, LICENSE AGREEMENT TMS1002
Fig 7: Door Lock Control - Wiring Diagram (7 Of 8)
G08936834Courtesy of © TOYOTA, LICENSE AGREEMENT TMS1002
Fig 8: Door Lock Control - Wiring Diagram (8 Of 8)
G08936835Courtesy of © TOYOTA, LICENSE AGREEMENT TMS1002