lemon-mirror:
Home >> Lexus >> 2012 >> LS 600hL >> Repair and Diagnosis >> Electrical >> Body Electrical >> OEM System Circuits >> Fuel Lid Opener >> Notes

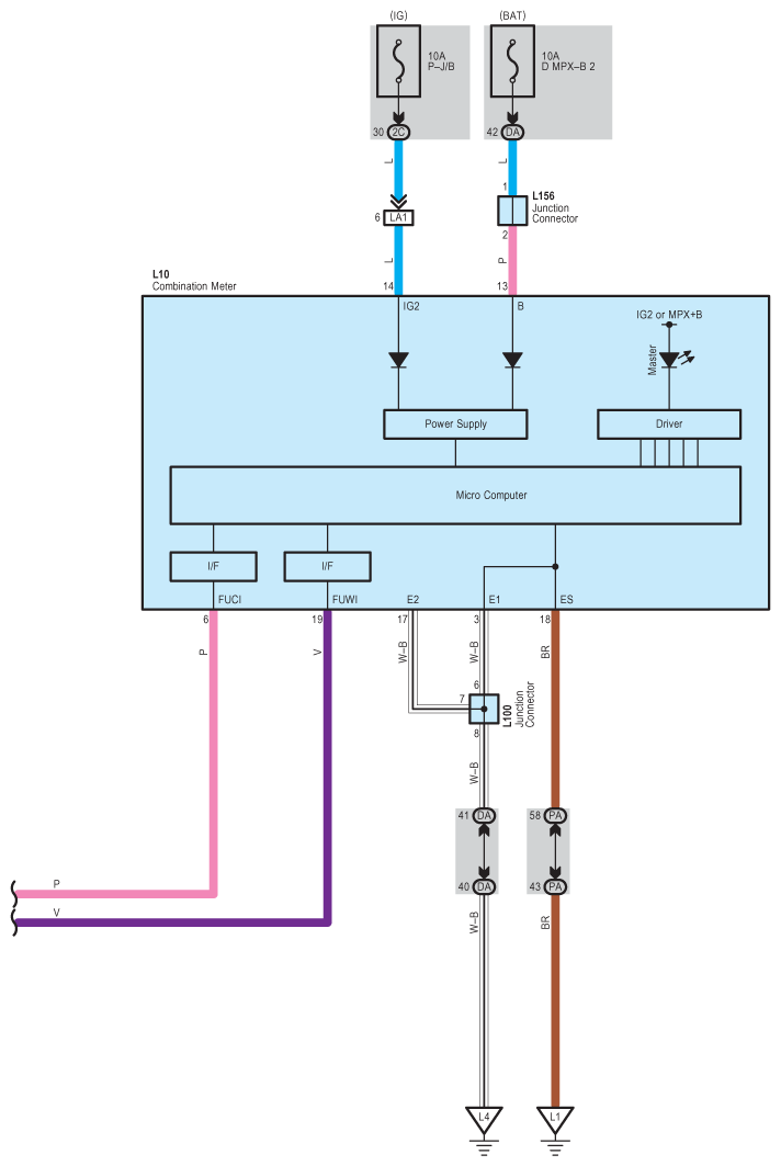
Fuel Lid Opener: Notes

Fig 1: Fuel Lid Opener - Wiring Diagram (1 Of 2)
G08936994Courtesy of © TOYOTA, LICENSE AGREEMENT TMS1002
Fig 2: Fuel Lid Opener - Wiring Diagram (2 Of 2)
G08936995Courtesy of © TOYOTA, LICENSE AGREEMENT TMS1002