lemon-mirror:
Home >> Lexus >> 2012 >> LS 600hL >> Repair and Diagnosis >> Electrical >> Body Electrical >> OEM System Circuits >> Headlight >> Notes

OEM System Circuits: Headlight: Notes

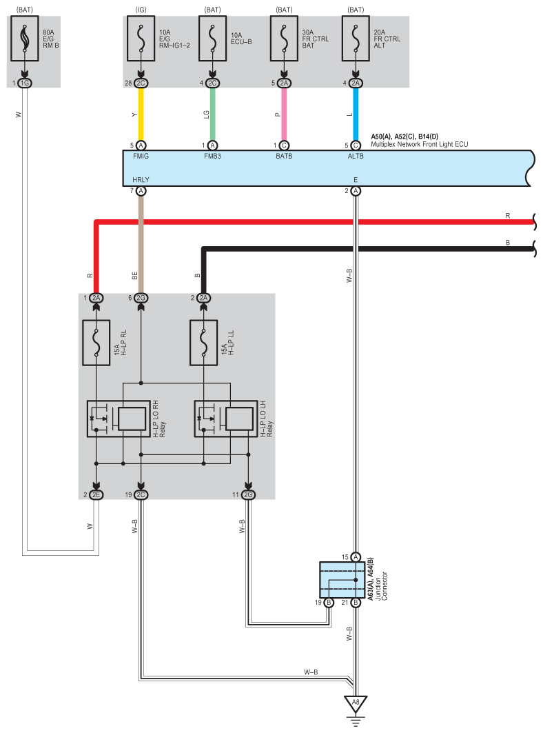
Fig 1: Headlight - Wiring Diagram (1 Of 9)
G08936752Courtesy of © TOYOTA, LICENSE AGREEMENT TMS1002
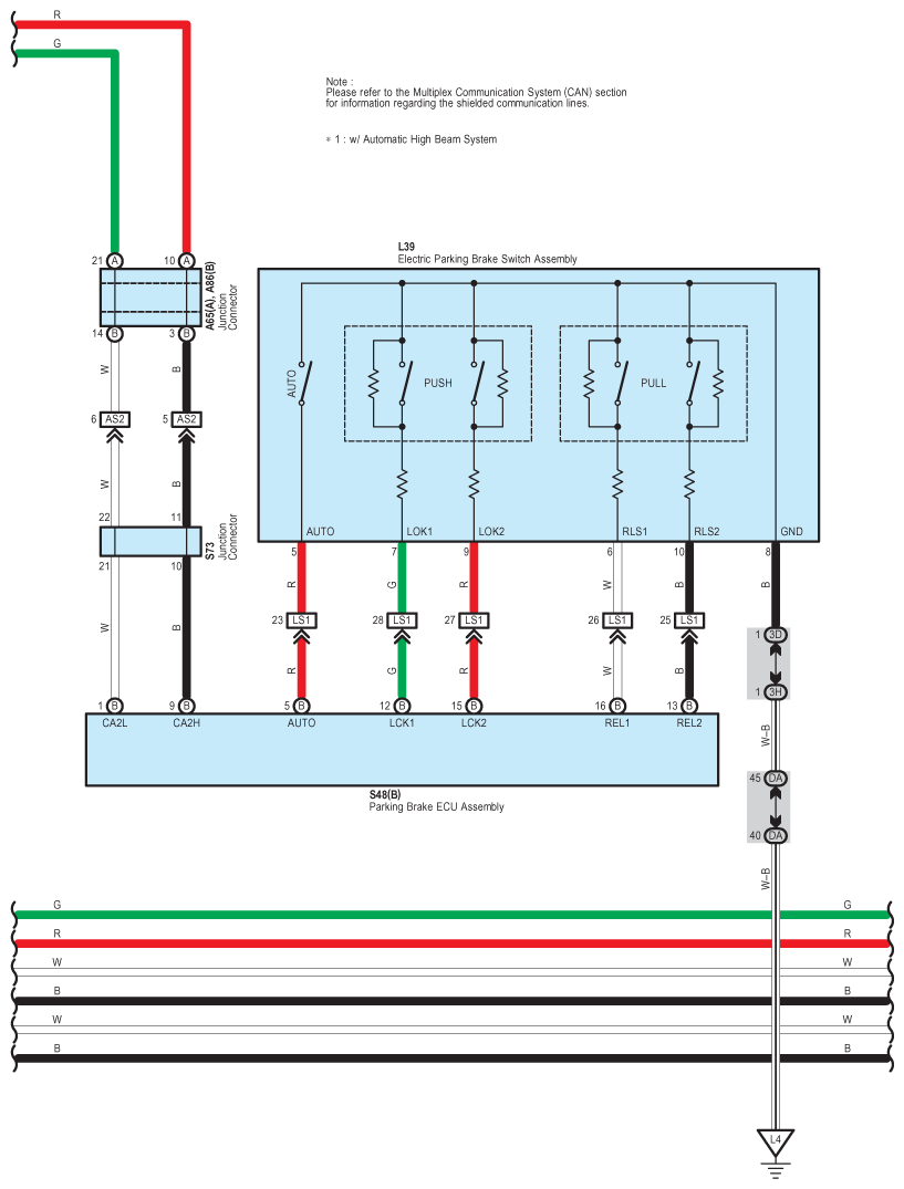
Fig 2: Headlight - Wiring Diagram (2 Of 9)
G08936753Courtesy of © TOYOTA, LICENSE AGREEMENT TMS1002
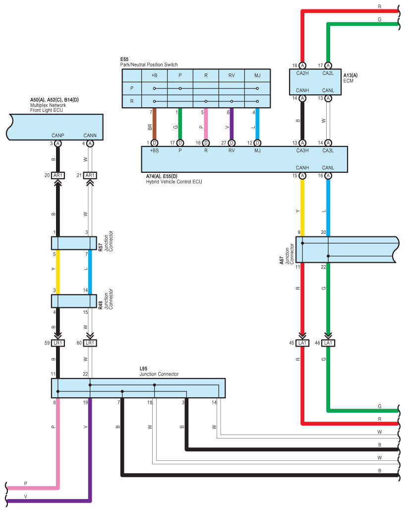
Fig 3: Headlight - Wiring Diagram (3 Of 9)
G08936754Courtesy of © TOYOTA, LICENSE AGREEMENT TMS1002
Fig 4: Headlight - Wiring Diagram (4 Of 9)
G08936755Courtesy of © TOYOTA, LICENSE AGREEMENT TMS1002
Fig 5: Headlight - Wiring Diagram (5 Of 9)
G08936756Courtesy of © TOYOTA, LICENSE AGREEMENT TMS1002
Fig 6: Headlight - Wiring Diagram (6 Of 9)
G08936757Courtesy of © TOYOTA, LICENSE AGREEMENT TMS1002
Fig 7: Headlight - Wiring Diagram (7 Of 9)
G08936758Courtesy of © TOYOTA, LICENSE AGREEMENT TMS1002
Fig 8: Headlight - Wiring Diagram (8 Of 9)
G08936759Courtesy of © TOYOTA, LICENSE AGREEMENT TMS1002
Fig 9: Headlight - Wiring Diagram (9 Of 9)
G08936760Courtesy of © TOYOTA, LICENSE AGREEMENT TMS1002