lemon-mirror:
Home >> Lexus >> 2012 >> LS 600hL >> Repair and Diagnosis >> Electrical >> Body Electrical >> OEM System Circuits >> Heated Steering Wheel System >> Notes

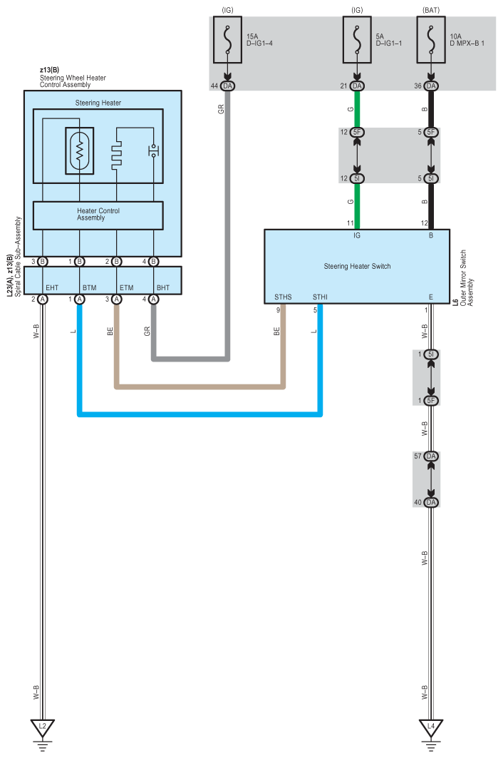
Heated Steering Wheel System: Notes

Fig 1: Heated Steering Wheel System - Wiring Diagram
G08937045Courtesy of © TOYOTA, LICENSE AGREEMENT TMS1002