lemon-mirror:
Home >> Lexus >> 2012 >> LS 600hL >> Repair and Diagnosis >> Electrical >> Body Electrical >> OEM System Circuits >> Illumination >> Notes

OEM System Circuits: Illumination: Notes

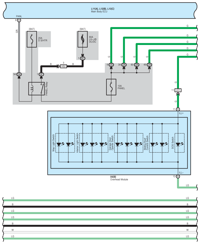
Fig 1: Illumination - Wiring Diagram (1 Of 15)
G08936775Courtesy of © TOYOTA, LICENSE AGREEMENT TMS1002
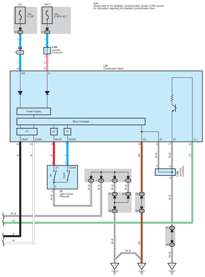
Fig 2: Illumination - Wiring Diagram (2 Of 15)
G08936776Courtesy of © TOYOTA, LICENSE AGREEMENT TMS1002
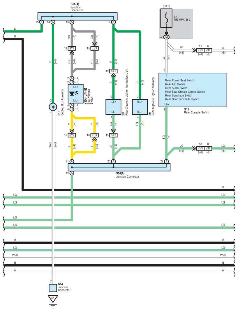
Fig 3: Illumination - Wiring Diagram (3 Of 15)
G08936777Courtesy of © TOYOTA, LICENSE AGREEMENT TMS1002
Fig 4: Illumination - Wiring Diagram (4 Of 15)
G08936778Courtesy of © TOYOTA, LICENSE AGREEMENT TMS1002
Fig 5: Illumination - Wiring Diagram (5 Of 15)
G08936779Courtesy of © TOYOTA, LICENSE AGREEMENT TMS1002
Fig 6: Illumination - Wiring Diagram (6 Of 15)
G08936780Courtesy of © TOYOTA, LICENSE AGREEMENT TMS1002
Fig 7: Illumination - Wiring Diagram (7 Of 15)
G08936781Courtesy of © TOYOTA, LICENSE AGREEMENT TMS1002
Fig 8: Illumination - Wiring Diagram (8 Of 15)
G08936782Courtesy of © TOYOTA, LICENSE AGREEMENT TMS1002
Fig 9: Illumination - Wiring Diagram (9 Of 15)
G08936783Courtesy of © TOYOTA, LICENSE AGREEMENT TMS1002
Fig 10: Illumination - Wiring Diagram (10 Of 15)
G08936784Courtesy of © TOYOTA, LICENSE AGREEMENT TMS1002
Fig 11: Illumination - Wiring Diagram (11 Of 15)
G08936785Courtesy of © TOYOTA, LICENSE AGREEMENT TMS1002
Fig 12: Illumination - Wiring Diagram (12 Of 15)
G08936786Courtesy of © TOYOTA, LICENSE AGREEMENT TMS1002
Fig 13: Illumination - Wiring Diagram (13 Of 15)
G08936787Courtesy of © TOYOTA, LICENSE AGREEMENT TMS1002
Fig 14: Illumination - Wiring Diagram (14 Of 15)
G08936788Courtesy of © TOYOTA, LICENSE AGREEMENT TMS1002
Fig 15: Illumination - Wiring Diagram (15 Of 15)
G08936789Courtesy of © TOYOTA, LICENSE AGREEMENT TMS1002