lemon-mirror:
Home >> Lexus >> 2012 >> LS 600hL >> Repair and Diagnosis >> Electrical >> Body Electrical >> OEM System Circuits >> LEXUS ENFORM or Safety Connect >> Notes

LEXUS ENFORM or Safety Connect: Notes

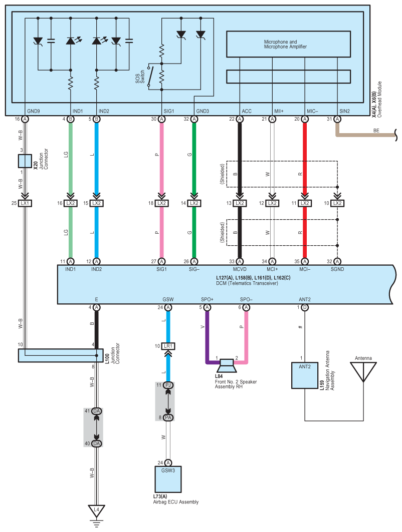
Fig 1: LEXUS ENFORM Or Safety Connect - Wiring Diagram (1 Of 4)
G08937079Courtesy of © TOYOTA, LICENSE AGREEMENT TMS1002
Fig 2: LEXUS ENFORM Or Safety Connect - Wiring Diagram (2 Of 4)
G08937080Courtesy of © TOYOTA, LICENSE AGREEMENT TMS1002
Fig 3: LEXUS ENFORM Or Safety Connect - Wiring Diagram (3 Of 4)
G08937081Courtesy of © TOYOTA, LICENSE AGREEMENT TMS1002
Fig 4: LEXUS ENFORM Or Safety Connect - Wiring Diagram (4 Of 4)
G08937082Courtesy of © TOYOTA, LICENSE AGREEMENT TMS1002