lemon-mirror:
Home >> Lexus >> 2012 >> LS 600hL >> Repair and Diagnosis >> Electrical >> Body Electrical >> OEM System Circuits >> Lane Keeping Assist >> Notes

Lane Keeping Assist: Notes

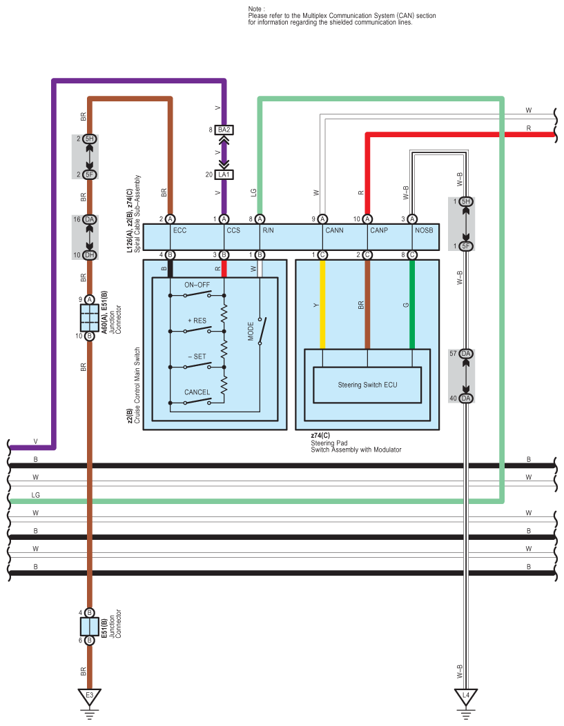
Fig 1: Lane Keeping Assist - Wiring Diagram (1 Of 13)
G08936939Courtesy of © TOYOTA, LICENSE AGREEMENT TMS1002
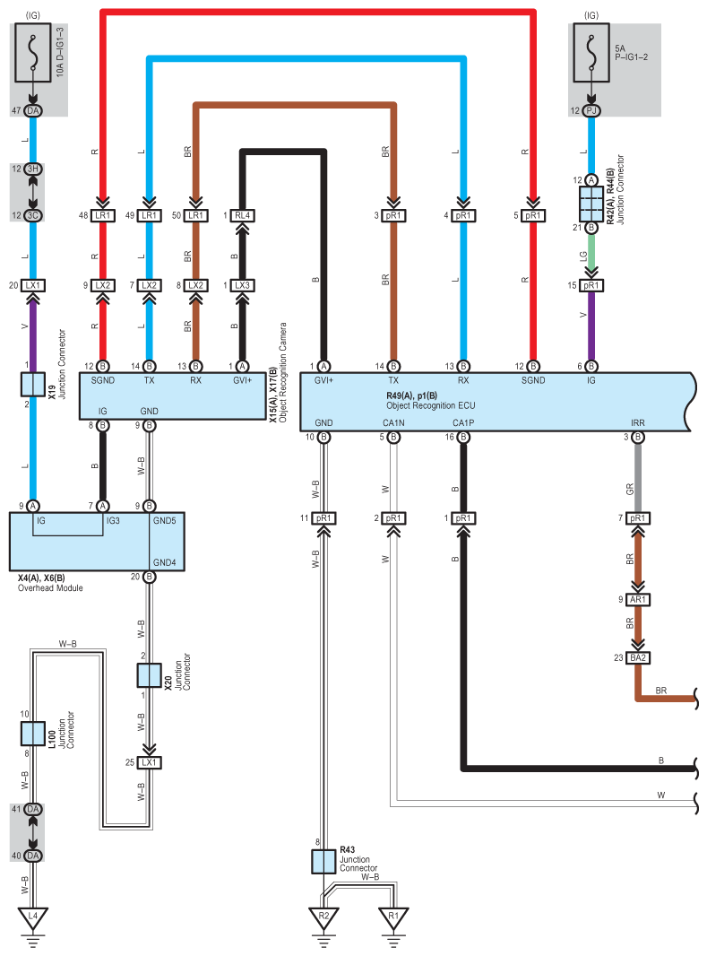
Fig 2: Lane Keeping Assist - Wiring Diagram (2 Of 13)
G08936940Courtesy of © TOYOTA, LICENSE AGREEMENT TMS1002
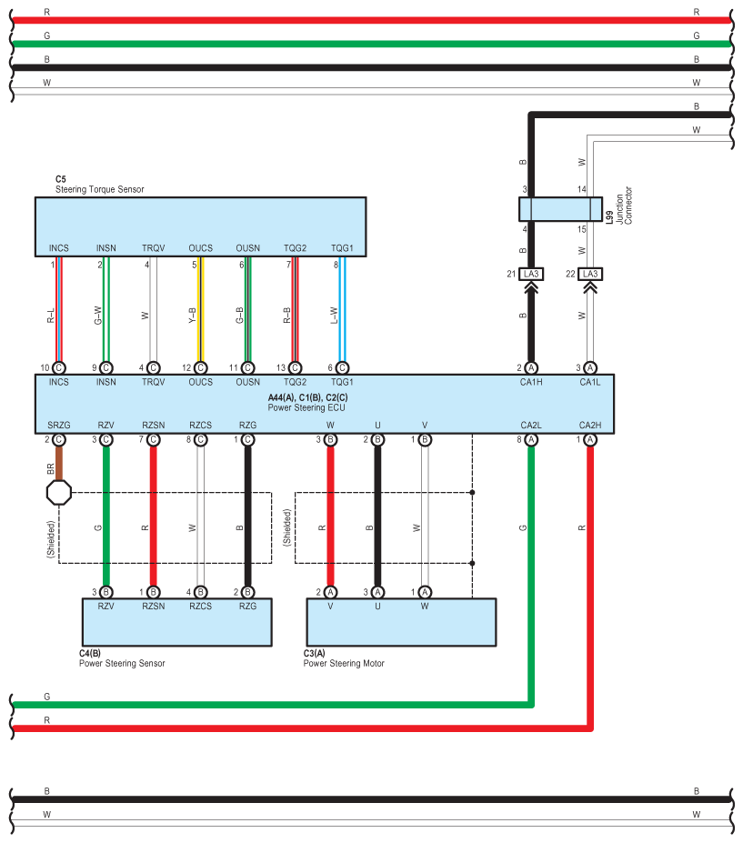
Fig 3: Lane Keeping Assist - Wiring Diagram (3 Of 13)
G08936941Courtesy of © TOYOTA, LICENSE AGREEMENT TMS1002
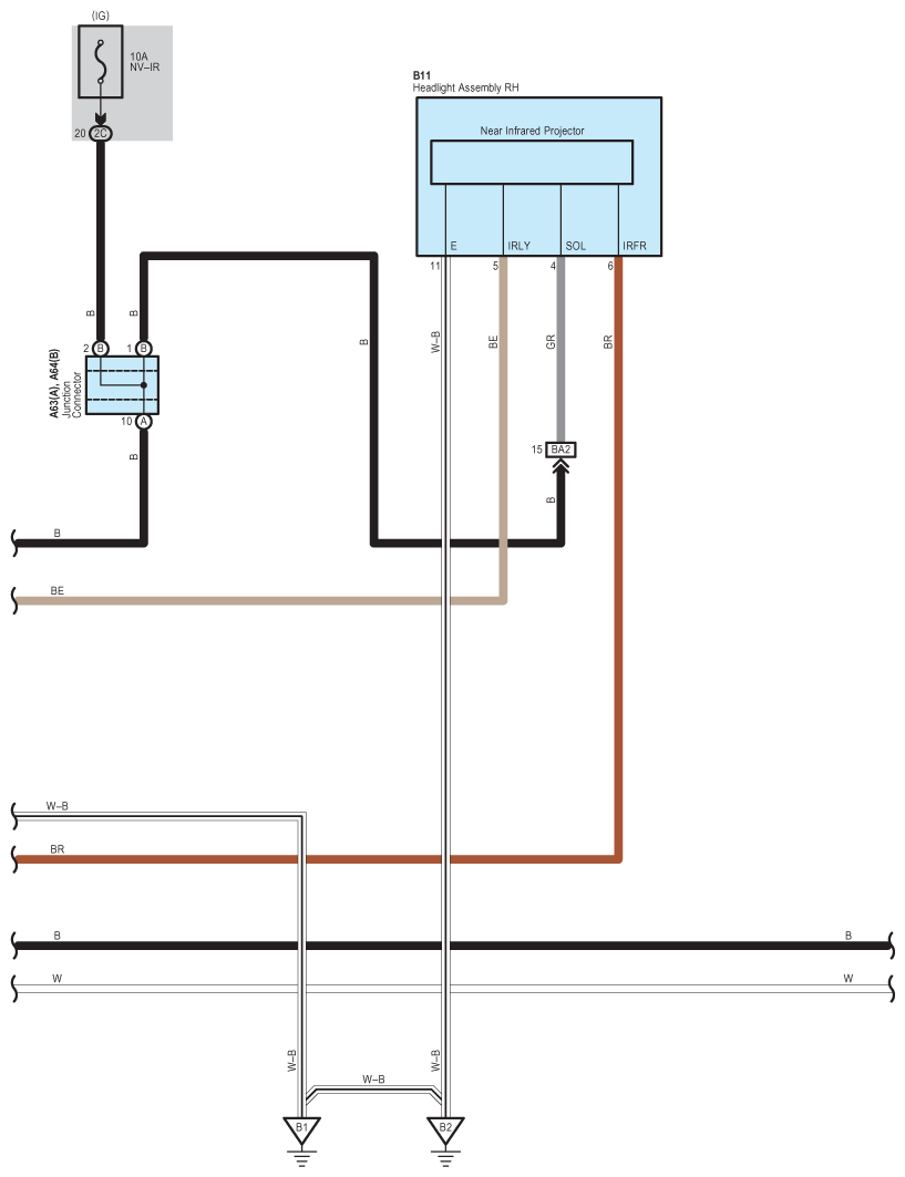
Fig 4: Lane Keeping Assist - Wiring Diagram (4 Of 13)
G08936942Courtesy of © TOYOTA, LICENSE AGREEMENT TMS1002
Fig 5: Lane Keeping Assist - Wiring Diagram (5 Of 13)
G08936943Courtesy of © TOYOTA, LICENSE AGREEMENT TMS1002
Fig 6: Lane Keeping Assist - Wiring Diagram (6 Of 13)
G08936944Courtesy of © TOYOTA, LICENSE AGREEMENT TMS1002
Fig 7: Lane Keeping Assist - Wiring Diagram (7 Of 13)
G08936945Courtesy of © TOYOTA, LICENSE AGREEMENT TMS1002
Fig 8: Lane Keeping Assist - Wiring Diagram (8 Of 13)
G08936946Courtesy of © TOYOTA, LICENSE AGREEMENT TMS1002
Fig 9: Lane Keeping Assist - Wiring Diagram (9 Of 13)
G08936947Courtesy of © TOYOTA, LICENSE AGREEMENT TMS1002
Fig 10: Lane Keeping Assist - Wiring Diagram (10 Of 13)
G08936948Courtesy of © TOYOTA, LICENSE AGREEMENT TMS1002
Fig 11: Lane Keeping Assist - Wiring Diagram (11 Of 13)
G08936949Courtesy of © TOYOTA, LICENSE AGREEMENT TMS1002
Fig 12: Lane Keeping Assist - Wiring Diagram (12 Of 13)
G08936950Courtesy of © TOYOTA, LICENSE AGREEMENT TMS1002
Fig 13: Lane Keeping Assist - Wiring Diagram (13 Of 13)
G08936951Courtesy of © TOYOTA, LICENSE AGREEMENT TMS1002